Seite 1 von 1

Schaltplan, Hawk 3000 Blei-Akku

Verfasst: So 27. Jan 2019, 21:42
von Theo
Hallo, suche Schaltplan für Hawk 3000 Blei-Akku.
Danke schon jetzt.
Mfg Theo

Re: Schaltplan, Hawk 3000 Blei-Akku

Verfasst: Di 5. Feb 2019, 13:41
von Futura
Hallo Theo,

wir bedauern sehr, dass wir dich letztes Jahr solange mit deinem verformten Tacho haben hängen lassen.

Wir hatten diesen nicht auf Lager und da eine Lieferung von Ersatzteilen auf dem Weg war, wollten wir den Tacho nicht von einem neuen Elektroroller ausbauen.

Das es dann fast 2 Monate gedauert hat ist natürlich viel zu lang und daher können wir deinen Unmut gut nachvollziehen.

Wir hatten ja in den Mail geschrieben, dass wir dies nicht als Gewährleistungsfall sehen, aber trotzdem einen Tacho versenden, aber die komplette Kommunikation und vor allem die Wartezeit waren natürlich mehr als unangenehm. Dies tut uns Leid.

Wir würden uns sehr freuen, wenn du uns bei zukünftigen Problemen kontaktierst, evtl hast du ja mal die Gelegenheit uns zu besuchen und dir ein genaues Bild von uns zu machen.
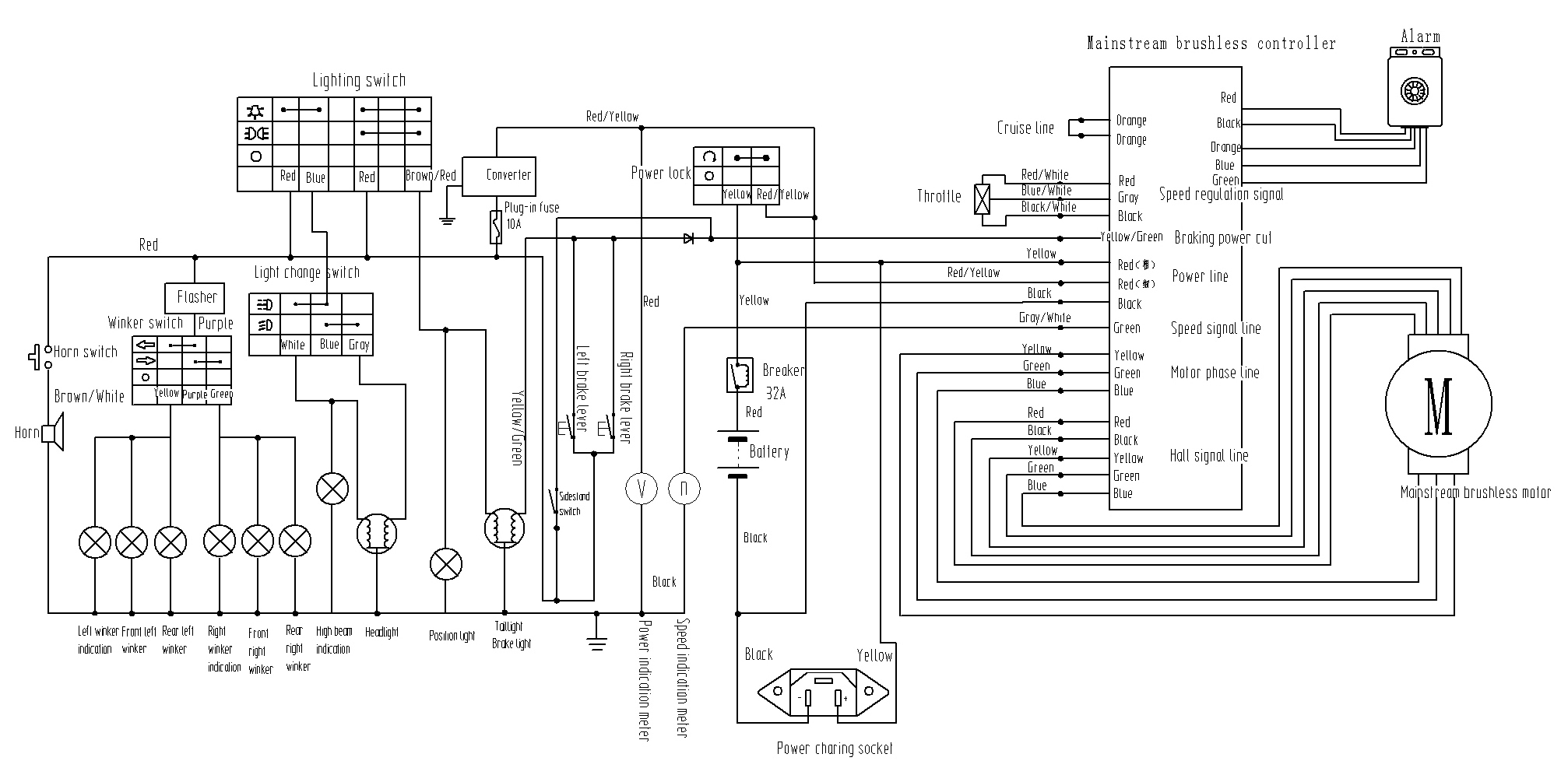
HAWK DIAGRAM.jpg
Gruß Christoph

Re: Schaltplan, Hawk 3000 Blei-Akku

Verfasst: Di 5. Feb 2019, 20:03
von Theo
Hallo, danke für den Plan, sehe jetzt wo ich die 12volt bekomme.
Das mit dem Tacho ist schon vergessen.
Mfg Theo

Re: Schaltplan, Hawk 3000 Blei-Akku

Verfasst: Mi 20. Mär 2019, 15:19
von Kanty0
Hallo,

sollte jemand aus dem Schaltplan heraus eine Idee entwickeln,
wie eine ordentliche Tagfahrlichtschaltung und dazu die Schaltereinstellung Ablendlicht/Fernlicht realisiert werden kann,
ich bin sehr interessiert.
Die Kontakte am Lenkerschalter sind "nur" gelötet und bei mir mit Heißkleber zur weitere Isolierung geschützt;
vielleicht kann man einfach die Kabel an den Kontakten tauschen und danach funktioniert es wie gewünscht.
Ich grübele schon eine ganze Weile darüber, bin aber noch zu keinem Ergebnis gekommen, leider.

Mit den besten Rollergrüßen

Re: Schaltplan, Hawk 3000 Blei-Akku

Verfasst: Mo 25. Mär 2019, 08:23
von vsm
Kanty0 hat geschrieben: Mi 20. Mär 2019, 15:19 [...]sollte jemand aus dem Schaltplan heraus eine Idee entwickeln, wie eine ordentliche Tagfahrlichtschaltung und dazu die Schaltereinstellung Ablendlicht/Fernlicht realisiert werden kann, ich bin sehr interessiert.[...]
Aus dem Stromlaufplan ist nicht ersichtlich, wo sich die Leitung zu Rückleuchte / Positionsleuchte teilt, also wird Dir auf dieser Grundlage auch niemand helfen können. "Ordentlich" wäre es aber, die Schaltung so zu belassen, wie sie ist. Nicht zuletzt durch den Stromlaufplan ergibt sich der Verdacht, dass die LED-Leuchten nur als Positions- bzw. Begrenzungsleuchten, nicht aber als Tagfahrleuchten zugelassen sind. Ein Betrieb ohne gleichzeitig eingeschaltetes Abblendlicht im öffentlichen Verkehrsraum wäre also nicht statthaft.

Was sind denn Deine Beweggründe, dass Du auf Kosten der Sicherheit die Belegung ändern willst?

Re: Schaltplan, Hawk 3000 Blei-Akku

Verfasst: Mi 3. Apr 2019, 17:11
von Kanty0
Hi,
um zu antworten: ... würde gern Batteriekapazität sparen,
die 70 Watt Dauerlicht für beide Scheinwerfer fressen doch letztlich auch Laufleistung des Akkus.
Leider gibt es wohl auch noch keine offiziell in Deutschland zugelassenen BA20D LED Leuchtmitel für den Biluxscheinwerfer.
Andere, bessere Ideen sind immer sehr willkommen.
Wie wäre es z.B. nur einen Scheinwerfer mit 35 Watt bei Tageslicht zu betreiben?

Beste Rollergrüße

Re: Schaltplan, Hawk 3000 Blei-Akku

Verfasst: Mi 3. Apr 2019, 20:16
von vsm
Kanty0 hat geschrieben: Mi 3. Apr 2019, 17:11 Hi,
um zu antworten: ... würde gern Batteriekapazität sparen,
die 70 Watt Dauerlicht für beide Scheinwerfer fressen doch letztlich auch Laufleistung des Akkus.[...]
Joa, was macht das aus? 5%? Die könntest Du wahrscheinlich auch sparen, wenn Du Deinen Kopf beim fahren etwas runter nimmst oder einmal weniger energisch am Hallgriff drehst... :lol:

Letztendlich hat man ja auch nichts davon, wenn "Er kam 5% weiter mit einer Akku-Ladung als alle anderen" auf seinem Grabstein steht, weil man schlechter gesehen wurde.
Kanty0 hat geschrieben: Mi 3. Apr 2019, 17:11 [...]Leider gibt es wohl auch noch keine offiziell in Deutschland zugelassenen BA20D LED Leuchtmitel für den Biluxscheinwerfer. [...]
Das ist korrekt. Es gibt generell keine zugelassenen LED-Ersatzleuchtmittel für konventionelle Fassungen im Bereich der StVZO. Immer nur komplette Scheinwerfer.
Kanty0 hat geschrieben: Mi 3. Apr 2019, 17:11 [...]Andere, bessere Ideen sind immer sehr willkommen. [...]
Beim Hawk wird ein Ersatz des kompletten Scheinwerfers schwierig und zusätzliche "echte" TFL dürften ziemlich doof aussehen. Wenn es Dir wirklich auf das Bisschen extra Reichweite ankommt, käme vielleicht ein zusätzlicher 12-V-Akku hinter dem DC-DC-Wandler in Betracht. Platz ist im Hawk ja und Du würdest den Fahrakku sogar um weit mehr als 70 W weniger belasten.
Kanty0 hat geschrieben: Mi 3. Apr 2019, 17:11 [...]Wie wäre es z.B. nur einen Scheinwerfer mit 35 Watt bei Tageslicht zu betreiben?[...]
Stelle ich mir auch schwierig vor. Bei zwei Scheinwerfern haben die in der Regel ja unterschiedliche Abstrahlcharakteristiken. Ist z.B. nur der linke aktiv, kann ich mir vorstellen, dass man von vorne rechts (sagen wir 45°) nicht mehr viel davon sieht.