controller Kreidler e-Florett 3 - Lithium 45 km/h, 4 kW, 48
controller Kreidler e-Florett 3 - Lithium 45 km/h, 4 kW, 48
Ich besitze einen Kreidler E-Florett 3.0 mit 4kW, der nur 42km/stunde fährt. Ich möchte das gerne ändern, dafür brauche ich offenbar software und USB datenkabel.
Wer kann mir bitte weiter helfen? der Roller ist von Anfang 2015.
Wer kann mir bitte weiter helfen? der Roller ist von Anfang 2015.
-
- Beiträge: 220
- Registriert: So 30. Aug 2009, 13:51
- Roller: Renault ZOE
- PLZ: 30165
- Kontaktdaten:
Re: controller Kreidler e-Florett 3 - Lithium 45 km/h, 4 kW,
Ist das normal, dass das Modell so langsam fährt? Falls nein - schon mal die Akkuspannung überprüft?
Wenn die zu niedrig ist, hilft auch keine Software am Controller was, das ist dann einfach Physik.
Das nützt nur etwas, wenn der Roller auch wirklich über den Controller gedrosselt ist.
Wenn die zu niedrig ist, hilft auch keine Software am Controller was, das ist dann einfach Physik.
Das nützt nur etwas, wenn der Roller auch wirklich über den Controller gedrosselt ist.
Renault Zoe Intens
Eigenbau Pedelec Lifepo16S
Eigenbau Pedelec Lifepo16S
-
- Beiträge: 6516
- Registriert: Sa 6. Aug 2011, 10:04
- Roller: E-Max 90s, E-Max 110s, E-Max 120s
- PLZ: 2
- Kontaktdaten:
Re: controller Kreidler e-Florett 3 - Lithium 45 km/h, 4 kW,
So ist es. Und wenn du dir den ganzen Streß nicht antun möchtest, frag die Fa. Krain in Eitorf......Steckie hat geschrieben:dafür brauche ich offenbar software und USB datenkabel.
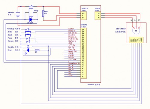
2.3 Software Update and Parameter settings
Our company’s official website provides software download for controller‘s software update and software user manual. Please read the user manual carefully before change the parameters of the Controller. Before sending the controller to our customers, the controllers have already been fully test and own the latest version software.
When computer is online with the controller via USB and run the software provided by our company, the controller is ready for reprogramming to update firmware or change settings for new application. This operation should only be done by experienced engineers. Any wrong programming or setting may result in error or damage the controller.
The following picture shows a screenshot of our software .Users can use the software to set up the following three types of parameters:
1. The controller’s input parameters. Customers can modify the threshold and the maximum effective value of accelerator pedal.
2. Controller protection Settings. Customers can set Under voltage value, Over voltage value, Over temperature value, Over-temperature reliving value, Over current value and standby state power automatic shut down delay time.
3. Speed value and current limit Settings. Customers can set the max speed of economic mode and BOOST mode. And can set the bus current limit value of the two modes to save battery power.
Note: Calibration has already been done on the controllers before they sent to the customers; if customers have the change requirements please contact our company’s engineers. Customers are only allowed to modify the above parameters and not allowed to modify the other parameters for security concerns.
E-Max 90s von 2012 - Vmax>46km/h - km-Stand >5150 - 16x Littokala 51,2V 105Ah = 5kWh. JK-B1A24S15P - Sevcon Gen4
E-Max 110s von 2010 - Vmax>50km/h - km-Stand >1.800 - 4x Littokala 72V 50Ah = 14,4kWh
E-Max 120s von 2015 - Vmax 80km/h - TÜV 03.2026 - 72V100Ah LFP-Akku - JK-B2A24S15P Balancer BT - MQ Controller BT
E-Max 110s von 2010 - Vmax>50km/h - km-Stand >1.800 - 4x Littokala 72V 50Ah = 14,4kWh
E-Max 120s von 2015 - Vmax 80km/h - TÜV 03.2026 - 72V100Ah LFP-Akku - JK-B2A24S15P Balancer BT - MQ Controller BT
-
- Beiträge: 220
- Registriert: So 30. Aug 2009, 13:51
- Roller: Renault ZOE
- PLZ: 30165
- Kontaktdaten:
Re: controller Kreidler e-Florett 3 - Lithium 45 km/h, 4 kW,
Wie schnell ist der Roller dann bei entdrosseltem Controller und intaktem Akku (=volle Spannung)?
Renault Zoe Intens
Eigenbau Pedelec Lifepo16S
Eigenbau Pedelec Lifepo16S
-
- Beiträge: 6516
- Registriert: Sa 6. Aug 2011, 10:04
- Roller: E-Max 90s, E-Max 110s, E-Max 120s
- PLZ: 2
- Kontaktdaten:
Re: controller Kreidler e-Florett 3 - Lithium 45 km/h, 4 kW,
.......schneller als die Polizei erlaubt.
E-Max 90s von 2012 - Vmax>46km/h - km-Stand >5150 - 16x Littokala 51,2V 105Ah = 5kWh. JK-B1A24S15P - Sevcon Gen4
E-Max 110s von 2010 - Vmax>50km/h - km-Stand >1.800 - 4x Littokala 72V 50Ah = 14,4kWh
E-Max 120s von 2015 - Vmax 80km/h - TÜV 03.2026 - 72V100Ah LFP-Akku - JK-B2A24S15P Balancer BT - MQ Controller BT
E-Max 110s von 2010 - Vmax>50km/h - km-Stand >1.800 - 4x Littokala 72V 50Ah = 14,4kWh
E-Max 120s von 2015 - Vmax 80km/h - TÜV 03.2026 - 72V100Ah LFP-Akku - JK-B2A24S15P Balancer BT - MQ Controller BT
-
- Beiträge: 220
- Registriert: So 30. Aug 2009, 13:51
- Roller: Renault ZOE
- PLZ: 30165
- Kontaktdaten:
Re: controller Kreidler e-Florett 3 - Lithium 45 km/h, 4 kW,
Heißt das 46 oder 86?
Renault Zoe Intens
Eigenbau Pedelec Lifepo16S
Eigenbau Pedelec Lifepo16S
-
- Beiträge: 6516
- Registriert: Sa 6. Aug 2011, 10:04
- Roller: E-Max 90s, E-Max 110s, E-Max 120s
- PLZ: 2
- Kontaktdaten:
Re: controller Kreidler e-Florett 3 - Lithium 45 km/h, 4 kW,
Steckie hat von mir eine Empfehlung bekommen. Im e-Florett ist der gleiche single shaft Radnabenmotor verbaut wie in meinen E-Mäxen, welche ich mit Standard Controller, Sevcon size 4 + 2 sowie Sabvoton SVMC072-150 fahre. Nun zu deiner Frage: 86 geht mit 80V(72V Nominal) Batteriespannung und Sinuscontroller sowie weakening field. 56 sollte mit Nachjustierung möglich sein. Und last but not least, wir sind kein Tuning Forum - 41 sind aber in der Stadt schon nervig.
E-Max 90s von 2012 - Vmax>46km/h - km-Stand >5150 - 16x Littokala 51,2V 105Ah = 5kWh. JK-B1A24S15P - Sevcon Gen4
E-Max 110s von 2010 - Vmax>50km/h - km-Stand >1.800 - 4x Littokala 72V 50Ah = 14,4kWh
E-Max 120s von 2015 - Vmax 80km/h - TÜV 03.2026 - 72V100Ah LFP-Akku - JK-B2A24S15P Balancer BT - MQ Controller BT
E-Max 110s von 2010 - Vmax>50km/h - km-Stand >1.800 - 4x Littokala 72V 50Ah = 14,4kWh
E-Max 120s von 2015 - Vmax 80km/h - TÜV 03.2026 - 72V100Ah LFP-Akku - JK-B2A24S15P Balancer BT - MQ Controller BT
Re: controller Kreidler e-Florett 3 - Lithium 45 km/h, 4 kW,
Vielen Dank für die Nachricht. Eigentlich ist die Frage wie bekomme ich die richtige Software und Datenkabel damit ich die Controller umprogrammieren kann mit einem Rechner. Ich möchte kein Umbau von anderer Controller. Ist auch ziemlich teuer!
-
- Beiträge: 6516
- Registriert: Sa 6. Aug 2011, 10:04
- Roller: E-Max 90s, E-Max 110s, E-Max 120s
- PLZ: 2
- Kontaktdaten:
Re: controller Kreidler e-Florett 3 - Lithium 45 km/h, 4 kW,
Kann die Fa. krain nicht Helfen? Hast eine PN.
E-Max 90s von 2012 - Vmax>46km/h - km-Stand >5150 - 16x Littokala 51,2V 105Ah = 5kWh. JK-B1A24S15P - Sevcon Gen4
E-Max 110s von 2010 - Vmax>50km/h - km-Stand >1.800 - 4x Littokala 72V 50Ah = 14,4kWh
E-Max 120s von 2015 - Vmax 80km/h - TÜV 03.2026 - 72V100Ah LFP-Akku - JK-B2A24S15P Balancer BT - MQ Controller BT
E-Max 110s von 2010 - Vmax>50km/h - km-Stand >1.800 - 4x Littokala 72V 50Ah = 14,4kWh
E-Max 120s von 2015 - Vmax 80km/h - TÜV 03.2026 - 72V100Ah LFP-Akku - JK-B2A24S15P Balancer BT - MQ Controller BT
Re: controller Kreidler e-Florett 3 - Lithium 45 km/h, 4 kW,
Ja die Fa. Krain kann schon helfen, ist nur ein bisschen weit weg. Was bedeutet PN?
Wer ist online?
Mitglieder in diesem Forum: 0 Mitglieder und 25 Gäste