Hallo,
bin gerade dabei einen HAWK 3000 zu reparieren.
Der Roller blieb auf ein mal stehen und bewegt sich nicht mehr!
Display ist an und es funktionieren auch alle Leuchten und Lichter, nur der Motor nicht.
Eine Fachwerksatt kam zu der Erkentniss das das Steuergerät defekt ist, hat aber kein neues besorgen können.
Dann hab ich selber eins bestellt und eingebaut. Aber leider dreht sich der Motor noch immer nicht.
Jetzt bin ich am überlegen ob es vielleicht der Seitenständer sein könnte! Da gehen vom Controller ein Kabel mit drei Adern hin.
Kann man den Seitenständer einfach demontieren und den Stecker brücken?
Ist das ein Hall Sensor? Als Farben hab ich rot / schwarz / gelb zur Auswahl.
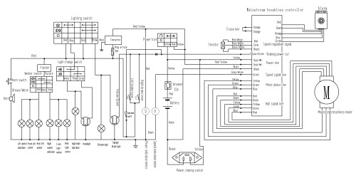
Aus dem Schaltplan werd ich nicht richtig schlau. (Hab ich mal angehängt)
Vielleicht rot und gelb?
Vielen Dank für eure Hilfe
HAWK 3000 Motor dreht sich nicht
-
- Beiträge: 3
- Registriert: Fr 13. Sep 2024, 16:03
- Roller: Hawk 3000
- PLZ: 86807
- Kontaktdaten:
- error
- Beiträge: 2009
- Registriert: Di 20. Dez 2022, 19:37
- PLZ: 2
- Kontaktdaten:
Re: HAWK 3000 Motor dreht sich nicht
Laut Schaltplan ist der "Sidestandswitch" hinter einer Diode mit über das Bremslicht geschaltet. Deshalb kann man leider nicht am Leuchten des Bremslichtes erkennen ob der Schalter funktioniert bzw. on oder off ist.
Es reicht den Schalter abzuziehen. Überbrücken wäre gleich "Schalter aktiv" (on) bzw. Roller tut nix.
Es reicht den Schalter abzuziehen. Überbrücken wäre gleich "Schalter aktiv" (on) bzw. Roller tut nix.
-
- Beiträge: 3
- Registriert: Fr 13. Sep 2024, 16:03
- Roller: Hawk 3000
- PLZ: 86807
- Kontaktdaten:
Re: HAWK 3000 Motor dreht sich nicht
Bist du dir da sicher?
Das würde ja bedeuten bei einem Kabelbruch oder Stecker lose wäre auch keine Sicherheit gegeben.
Das Kabel zum Seitenständer hab ich schon mal nicht angeschlossen. Leider dreht sich das Rad nicht...
Das würde ja bedeuten bei einem Kabelbruch oder Stecker lose wäre auch keine Sicherheit gegeben.
Das Kabel zum Seitenständer hab ich schon mal nicht angeschlossen. Leider dreht sich das Rad nicht...
- error
- Beiträge: 2009
- Registriert: Di 20. Dez 2022, 19:37
- PLZ: 2
- Kontaktdaten:
Re: HAWK 3000 Motor dreht sich nicht
Ist bei vielen Rollern so. Allerdings leuchtet bei den meisten das Bremslicht, wenn der Ständer ausgeklappt wird.zwiebelxxl hat geschrieben: ↑Fr 13. Sep 2024, 21:11Bist du dir da sicher?
Das würde ja bedeuten bei einem Kabelbruch oder Stecker lose wäre auch keine Sicherheit gegeben.
Habe mir den Plan gerade noch mal angesehen: vom DC-DC Converter geht hinter der Sicherung Plus direkt zum Seitenständerschalter (und den beiden Bremslichtschaltern) von da geht das Kabel an den mit yellow/green markierten Anschluss am Controller.
Die beiden Bremslichtschalter gehen einerseits an das Bremslicht und andererseits über eine Diode and den selben yello/green Eingang vom Controller.
Hast du mal nachgesehen ob dein Bremslicht dauerhaft leuchtet? Wenn einer der beiden Bremslichschalter hängt, dürfte der Hawk auch nicht fahren.
Ansonsten liegt der Fehler vielleicht woanders: dreht das Hinterrad ohne Widerstand? Zeigt der Hawk irgendeinen Fehler im Display?
Die nächsten Schritte wären sonst: prüfen ob der Controller 5 Volt liefert (für Throttle, Hallsensoren vom Motor) und danach Throttlesignal und besagte Hallsensoren vom Motor prüfen. Den Controller würde ich (wenn der Motor per Hand ohne Widerstand dreht) erst danach ausbauen und durchmessen. Das kann natürlich auch irgendwo ein Kabelproblem sein.
Was hat die Werkstatt genau gesagt? Was haben die durchgemessen/geprüft?
Edit: hast du mal testweise die Alarmanlage abgezogen? Die könnte natürlich auch Probleme machen.
-
- Beiträge: 3
- Registriert: Fr 13. Sep 2024, 16:03
- Roller: Hawk 3000
- PLZ: 86807
- Kontaktdaten:
Re: HAWK 3000 Motor dreht sich nicht
Vielen dank error für deinen vielen Informationen und Tips.
Die Bremslichter sind soweit ich mich erinnern kann aus gewesen.
Das Hinterrad ließ sich drehen.
Das Display hat keine Fehler angezeigt.
Leider wurde der Roller inzwischen verkauft und ich kann ihn nicht weiter reparieren.
Die Bremslichter sind soweit ich mich erinnern kann aus gewesen.
Das Hinterrad ließ sich drehen.
Das Display hat keine Fehler angezeigt.
Leider wurde der Roller inzwischen verkauft und ich kann ihn nicht weiter reparieren.
- ThunderHans
- Beiträge: 95
- Registriert: Fr 24. Aug 2018, 19:25
- Roller: Sunra Hawk3000
- PLZ: 50859
- Wohnort: Köln
- Kontaktdaten:
Re: HAWK 3000 Motor dreht sich nicht
Hallo
Der Motor dreht auch dann nicht,wenn die Bremsen angezogen sind.
Durfte ich neulich an der Ampel erfahren.Hab dann den Hebel zurück
gedrückt und es ging wieder.
Gruß
Der Motor dreht auch dann nicht,wenn die Bremsen angezogen sind.
Durfte ich neulich an der Ampel erfahren.Hab dann den Hebel zurück
gedrückt und es ging wieder.
Gruß
Wer ist online?
Mitglieder in diesem Forum: 0 Mitglieder und 14 Gäste