Danke, war mir nicht bekannt.Wenn ja, solltest du das dringend ändern. In allen unseren (Elektro-) Fahrzeugen ist das Chassis potenzialfrei ausgeführt.
Shansu CP-6 Kabelbrand Controller Hilfe
- smokewolke
- Beiträge: 38
- Registriert: So 25. Aug 2024, 18:17
- Roller: Shansu CP-6
- PLZ: 45701
- Wohnort: Herten
- Tätigkeit: Rentnerin / Elektronikerin
- Kontaktdaten:
Re: Shansu CP-6 Kabelbrand Controller Hilfe
Bin alt und bezahlt und meine Devise, lebe dein Leben als wenn Morgen der letzte Tag in deinem Leben wäre.
- didithekid
- Beiträge: 6963
- Registriert: So 6. Mai 2018, 06:15
- Roller: div. L3e-Roller (80-97 km/h), ZERO SR/F
- PLZ: 53757
- Wohnort: Sankt Augustin - Menden
- Tätigkeit: Ingenieur im Staatsdienst
- Kontaktdaten:
Re: Shansu CP-6 Kabelbrand Controller Hilfe
Hallo Diane,
von Benzin-Fahrzeugen mit 12 Volt-System her, kennt man es zwar, dass Minus an der Fahrzeug-Masse angeschlossen wird. Auch die Chinesen benutzen weiterhin die Bezeichnung GND für die Minus-Leitung, was Missverständnisse bedingen kann.
ABER: Beim Elektrofahrzeug mit höherer Spannung ist es fatal, wenn der Fahrzeug-Rahmen mit Batterie-Minus verbunden ist. Jedes durchgescheuerte Kabel in dem hier bis zu +70 Volt (gegenüber Masse) anliegen können, wäre da sonst in der Lage ein Feuer auszulösen (bevor die Sicherung im Stromkleis reagieren kann).
Also verlaufen im ganzen Fahrzeug isolierte Leitungen für Minus (sowohl verbunden zu Batterie-Minus, als auch gemeinsames Minus, mit für den 12-Volt-Kreis). Bei mit hat es auch schon mal geknallt und das BMS eliminiert, als unbeabsichtigt der Pol einer Batteriezelle den Rahmen berührte, währed ich an andere Stelle Kabel verschraubt habe und der Schraubendreher dabei ans Metall angestoßen ist.
Auch der vorrangegangene Kabelbrand hier, mag vielleicht von der Ursache her, damit im Zusammenhang stehen, falls das nicht erst jetzt so umgebaut wurde.
Hut ab, vor den Adleraugen von error!
Es geht aber immerhin vorran, auf dem Weg zur Wiederherstellung der Funktion.
Viele Grüße
Didi
von Benzin-Fahrzeugen mit 12 Volt-System her, kennt man es zwar, dass Minus an der Fahrzeug-Masse angeschlossen wird. Auch die Chinesen benutzen weiterhin die Bezeichnung GND für die Minus-Leitung, was Missverständnisse bedingen kann.
ABER: Beim Elektrofahrzeug mit höherer Spannung ist es fatal, wenn der Fahrzeug-Rahmen mit Batterie-Minus verbunden ist. Jedes durchgescheuerte Kabel in dem hier bis zu +70 Volt (gegenüber Masse) anliegen können, wäre da sonst in der Lage ein Feuer auszulösen (bevor die Sicherung im Stromkleis reagieren kann).
Also verlaufen im ganzen Fahrzeug isolierte Leitungen für Minus (sowohl verbunden zu Batterie-Minus, als auch gemeinsames Minus, mit für den 12-Volt-Kreis). Bei mit hat es auch schon mal geknallt und das BMS eliminiert, als unbeabsichtigt der Pol einer Batteriezelle den Rahmen berührte, währed ich an andere Stelle Kabel verschraubt habe und der Schraubendreher dabei ans Metall angestoßen ist.
Auch der vorrangegangene Kabelbrand hier, mag vielleicht von der Ursache her, damit im Zusammenhang stehen, falls das nicht erst jetzt so umgebaut wurde.
Hut ab, vor den Adleraugen von error!
Es geht aber immerhin vorran, auf dem Weg zur Wiederherstellung der Funktion.
Viele Grüße
Didi
__________________________________________________________________________________________________________________________Thunder-Fury100/ MASINI Sportivo S (2010, 2011, 2012) 5kW, Innoscooter EM6000L 5kW (2011), ZERO SR/F 17.3 (2023)
- smokewolke
- Beiträge: 38
- Registriert: So 25. Aug 2024, 18:17
- Roller: Shansu CP-6
- PLZ: 45701
- Wohnort: Herten
- Tätigkeit: Rentnerin / Elektronikerin
- Kontaktdaten:
Re: Shansu CP-6 Kabelbrand Controller Hilfe
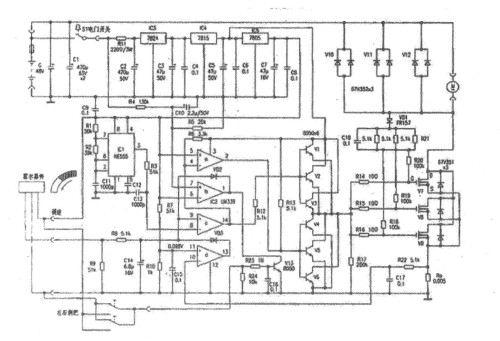
Soll ich die Kiste jetzt verschrotten?Bin am Boden zerstört. China verweist mich auf das Bild im Anhang womit ich nichts anzufangen weiß.
Bin alt und bezahlt und meine Devise, lebe dein Leben als wenn Morgen der letzte Tag in deinem Leben wäre.
- error
- Beiträge: 2023
- Registriert: Di 20. Dez 2022, 19:37
- PLZ: 2
- Kontaktdaten:
Re: Shansu CP-6 Kabelbrand Controller Hilfe
Gegenfrage: ist der Schaltplan deinem Humor entsprungen oder will dich ein Chinese damit veralbern?
- smokewolke
- Beiträge: 38
- Registriert: So 25. Aug 2024, 18:17
- Roller: Shansu CP-6
- PLZ: 45701
- Wohnort: Herten
- Tätigkeit: Rentnerin / Elektronikerin
- Kontaktdaten:
Re: Shansu CP-6 Kabelbrand Controller Hilfe
Kein Scherz:Gegenfrage: ist der Schaltplan deinem Humor entsprungen oder will dich ein Chinese damit veralbern?
Ich habe es unterm Scanner gelegt weil es im Manaul nur Postkartengröße hat und etwas vergrößern musste.Chinese - The diagram you can find from the manual.
Bin alt und bezahlt und meine Devise, lebe dein Leben als wenn Morgen der letzte Tag in deinem Leben wäre.
- error
- Beiträge: 2023
- Registriert: Di 20. Dez 2022, 19:37
- PLZ: 2
- Kontaktdaten:
Re: Shansu CP-6 Kabelbrand Controller Hilfe
LoL, ich müsste mich schon sehr täuschen, aber das "diagram" ist definitiv nix aus deinem Roller.smokewolke hat geschrieben: ↑Fr 30. Aug 2024, 18:17Kein Scherz:
Chinese - The diagram you can find from the manual.
Mein Tip: betrachte den 12V Teil mit DC-Converter, Blinker, Licht etc getrennt von der Verkabelung von Motor und Controller.
Ich würde die beiden Teile getrennt aufbauen. - Fang mit dem 12V Teil an, wenn das alles funktioniert, dann kümmerst du dich um den Controller-Teil.
Dadurch behältst du den Überblick und verzettelst dich nicht. Alternativ kannst du natürlich auch mit dem Controller anfangen. Dann lebt der Roller schon mal und bekommt hinterher Licht, Blinker, Hupe und was sonst noch dran ist.
Wenn du nicht weiter kommst, kannst du hier einfach fragen und so schrittweise alles abhaken und dadurch lernen, wie alles im Roller funktioniert.
Plan B wäre so eine fertige Standardverkabelung zu nehmen (hatte ich dir schon mal verlinkt). Das ist dann nur noch zusammenstecken und ggf. irgendwelche Stecker anpassen.
Verschrotten musst du nichts.
- smokewolke
- Beiträge: 38
- Registriert: So 25. Aug 2024, 18:17
- Roller: Shansu CP-6
- PLZ: 45701
- Wohnort: Herten
- Tätigkeit: Rentnerin / Elektronikerin
- Kontaktdaten:
Re: Shansu CP-6 Kabelbrand Controller Hilfe
So ist es abgebildet im Manual. Denke mir das ist das Innenleben des Controllers.LoL, ich müsste mich schon sehr täuschen, aber das "diagram" ist definitiv nix aus deinem Roller.
Den Aufbau der 12V Geschichte bekomme ich wohl locker hin, wo ich z.B. nicht hintersteige ist der Gasgriff, er hat 3 Kabel, ich kann da, wenn ich den als Poti betrachte keine Reglung im Widerstandwert messen. 1-2-3 der Gänge kann ich auch nichts messen im Widerstand.das Selbe beim Rückwärtsgang. Alles bömische Dörfer für mich!
Bin alt und bezahlt und meine Devise, lebe dein Leben als wenn Morgen der letzte Tag in deinem Leben wäre.
- error
- Beiträge: 2023
- Registriert: Di 20. Dez 2022, 19:37
- PLZ: 2
- Kontaktdaten:
Re: Shansu CP-6 Kabelbrand Controller Hilfe
Im Gasgriff, Bremsgriff, Bremslichtschalter, Seitenständerschalter, Motor sind bei den Rollern Hallsensoren verbaut. Ismokewolke hat geschrieben: ↑Fr 30. Aug 2024, 19:17wo ich z.B. nicht hintersteige ist der Gasgriff, er hat 3 Kabel, ich kann da, wenn ich den als Poti betrachte keine Reglung im Widerstandwert messen.
Hier wird die Funktionsweise ganz gut erklärt: https://ch.rs-online.com/web/generalDis ... -leitfaden
- smokewolke
- Beiträge: 38
- Registriert: So 25. Aug 2024, 18:17
- Roller: Shansu CP-6
- PLZ: 45701
- Wohnort: Herten
- Tätigkeit: Rentnerin / Elektronikerin
- Kontaktdaten:
Re: Shansu CP-6 Kabelbrand Controller Hilfe
...... jetzt wird es ja noch komplizierter. Nix mit 12V Aufbau und normales denken, ich habe kein Bock mehr auf so ein Mist.Dann bleibt das Teil in der Garage bis ich jemand finde der mir das Teil repariert.
Bin alt und bezahlt und meine Devise, lebe dein Leben als wenn Morgen der letzte Tag in deinem Leben wäre.
-
DBuegel
- Beiträge: 564
- Registriert: Sa 8. Apr 2023, 09:21
- Roller: M1P
- PLZ: 04XXX
- Kontaktdaten:
Re: Shansu CP-6 Kabelbrand Controller Hilfe
Lohnt das überhaupt?Dann bleibt das Teil in der Garage bis ich jemand finde der mir das Teil repariert.
Ich glaube, die Reparatur wird teurer, als das Moped wert ist.
Stell es bei Kleinanzeigen rein und kauf Dir was Neues/Besseres.
Wer ist online?
Mitglieder in diesem Forum: 0 Mitglieder und 25 Gäste