Hawk 3000li "Fahrbahnunebenheit"
-
slothorpe
- Beiträge: 566
- Registriert: Do 4. Jul 2019, 14:14
- Roller: Robo-S, Classico LI, selbst gebautes Lasten-Pedelec
- PLZ: 10717
- Wohnort: Berlin
- Kontaktdaten:
Re: Hawk 3000li "Fahrbahnunebenheit"
Ja, Seitenständer-Schalter könnte es sein... da mein Classico (und soweit ich weiß auch die anderen aus 2109 und 2020) keinen hat(te), hab ich daran gar nicht gedacht.
Ich hab ja dann von Futura irgendwann den Schalter nachgeliefert bekommen und eingebaut, der löst aber so leicht nicht aus.
Mag aber anders sein als beim Hawk.
Hängt natürlich davon ab, wie der Seitenständer-Schalter am Controller angeschlossen ist, bei mir zieht er das Gasgriff-Signal auf Masse, es würde sich also so anfühlen, als ob man ganz kurz Gas wegnimmt und das wärs.
Weiss jemand, wie der Schalter am Hawk am Controller angeschlossen ist?
Der Hawk hat Rekuperation und elektrische Bremse über den Motor, richtig ?
Edith sagt:
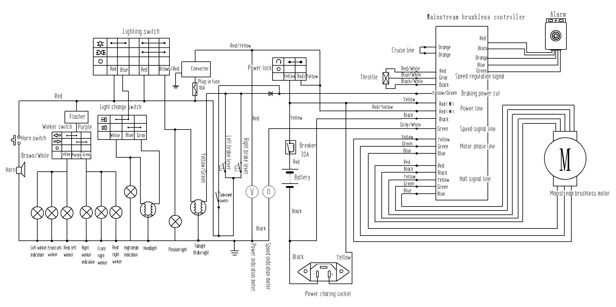
Bei Futura ist ja ein Reparaturhandbuch von Hawk online, da ist gleich ganz vorne der Schaltplan, leider etwas unscharf.
Tatsächlich hängt der Seitenständer-Schalter auch am Brems-Eingang des Controllers (hinter der Diode, damit das Bremslicht nicht leuchtet, wenn der Schalter aktiv ist). Dann haut er wohl die E-Bremse rein, wenn der Schalter sich aktiviert...
Wenn das Euer Problem ist, würde ich das so umbauen, wie bei mir, d.h. Den Seitenständeschalter auf die Signalleitung von Gasgriff umklemmen...
Ich hab ja dann von Futura irgendwann den Schalter nachgeliefert bekommen und eingebaut, der löst aber so leicht nicht aus.
Mag aber anders sein als beim Hawk.
Hängt natürlich davon ab, wie der Seitenständer-Schalter am Controller angeschlossen ist, bei mir zieht er das Gasgriff-Signal auf Masse, es würde sich also so anfühlen, als ob man ganz kurz Gas wegnimmt und das wärs.
Weiss jemand, wie der Schalter am Hawk am Controller angeschlossen ist?
Der Hawk hat Rekuperation und elektrische Bremse über den Motor, richtig ?
Edith sagt:
Bei Futura ist ja ein Reparaturhandbuch von Hawk online, da ist gleich ganz vorne der Schaltplan, leider etwas unscharf.
Tatsächlich hängt der Seitenständer-Schalter auch am Brems-Eingang des Controllers (hinter der Diode, damit das Bremslicht nicht leuchtet, wenn der Schalter aktiv ist). Dann haut er wohl die E-Bremse rein, wenn der Schalter sich aktiviert...
Wenn das Euer Problem ist, würde ich das so umbauen, wie bei mir, d.h. Den Seitenständeschalter auf die Signalleitung von Gasgriff umklemmen...
-
DDORF2
- Beiträge: 67
- Registriert: Do 18. Jul 2019, 09:00
- Roller: Futura HAWK 3000 LI
- PLZ: 40477
- Kontaktdaten:
Re: Hawk 3000li "Fahrbahnunebenheit"
Hier der Plan in etwas lesbarer, falls jemand etwas damit anfangen kann.
Wie sieht es rechtlich aus, muss der Seitenständer den Gashebel unterbrechen, oder ist das nur ein "Feature" von XinRi?
Wie sieht es rechtlich aus, muss der Seitenständer den Gashebel unterbrechen, oder ist das nur ein "Feature" von XinRi?
-
slothorpe
- Beiträge: 566
- Registriert: Do 4. Jul 2019, 14:14
- Roller: Robo-S, Classico LI, selbst gebautes Lasten-Pedelec
- PLZ: 10717
- Wohnort: Berlin
- Kontaktdaten:
Re: Hawk 3000li "Fahrbahnunebenheit"
Wie gesagt, so wie es geschaltet ist, haut es die E-Bremse rein, wenn der Seitenständer-Schalter geschlossen wird.
Ich würde es so umbauen, dass es das Gasgriff-Signal auf Masse zieht, hat im Stand den gleichen Effekt, man kann nicht losfahren, aber während der Fahrt deutlich problemloser, ist dann nur ein kurzer „Aussetzer“ statt eine Bremsung...
Aber macht was Ihr wollt, mehr als Empfehlungen geben kann man nicht
Ich würde es so umbauen, dass es das Gasgriff-Signal auf Masse zieht, hat im Stand den gleichen Effekt, man kann nicht losfahren, aber während der Fahrt deutlich problemloser, ist dann nur ein kurzer „Aussetzer“ statt eine Bremsung...
Aber macht was Ihr wollt, mehr als Empfehlungen geben kann man nicht
-
vacholoco1@gmx.de
- Beiträge: 4
- Registriert: Di 14. Apr 2020, 20:39
- Roller: HAWK 3000LI
- PLZ: 40233
- Kontaktdaten:
Gas hängt
Hallo Leute
Habe eine Hawk 3000 Li mit einen Problem.Wenn ich einige minuten gashebel auf voll Geschwindigkeit halte und dann runter gehe mit dem Gashebel Reagiert der Hawk 3000li nicht und fährt weiter auf volle Geschwindigkeit.
Sogar beim Bremsen will er diese Geschwindigkeit behalten.
Nur wenn ich am Gashevel eine schnelle Bewegung mache,gas...gas runter reagiert wieder die Geschwindigkeit am Gashebel und kann normal bremsen.
Weiss jamand weiter?
Habe eine Hawk 3000 Li mit einen Problem.Wenn ich einige minuten gashebel auf voll Geschwindigkeit halte und dann runter gehe mit dem Gashebel Reagiert der Hawk 3000li nicht und fährt weiter auf volle Geschwindigkeit.
Sogar beim Bremsen will er diese Geschwindigkeit behalten.
Nur wenn ich am Gashevel eine schnelle Bewegung mache,gas...gas runter reagiert wieder die Geschwindigkeit am Gashebel und kann normal bremsen.
Weiss jamand weiter?
Zuletzt geändert von vacholoco1@gmx.de am Mi 22. Apr 2020, 18:12, insgesamt 1-mal geändert.
-
slothorpe
- Beiträge: 566
- Registriert: Do 4. Jul 2019, 14:14
- Roller: Robo-S, Classico LI, selbst gebautes Lasten-Pedelec
- PLZ: 10717
- Wohnort: Berlin
- Kontaktdaten:
Re: Hawk 3000li "Fahrbahnunebenheit"
Mhm, das wären ja gleich zwei Probleme, eigentlich muss der Controller sofort den Motor abschalten, wenn eine Bremse gezogen wird, der Gasgriff auf Null sollte auch den Motor auslaufen lassen...
Bitte mal auf dem Hauptständer probieren... Gas geben und dann Bremse ziehen vorne. Motor muss auslaufen und langsamer werden.
Ich hatte mal so ein ähnliches Problem, als die Masseleitung am Controller aus dem Stecker gerutscht war...
Ferndiagnose sind immer schwierig...
Bitte mal auf dem Hauptständer probieren... Gas geben und dann Bremse ziehen vorne. Motor muss auslaufen und langsamer werden.
Ich hatte mal so ein ähnliches Problem, als die Masseleitung am Controller aus dem Stecker gerutscht war...
Ferndiagnose sind immer schwierig...
- Chatmax
- Beiträge: 63
- Registriert: Mi 26. Dez 2018, 16:25
- Roller: E-Roller "Sunra Hawk 3000 Li" (Elektroroller-Futura)
- PLZ: 60431
- Wohnort: Frankfurt am Main
- Tätigkeit: Fernmeldetechniker im Vorruhestand, Musiker, WebDesign, Bild- und Videobearbeitung, Computertechnik u.a.
- Kontaktdaten:
Re: Hawk 3000li "Fahrbahnunebenheit"
Hallo, Pino0172.
Ich habe meinen "Hawk 3000 Li" im Januar 2019 bekommen.
https://www.reinhardschliewe.de/e-mobilitaet/
Ich kenne Dein Problem mit voll aufgedrehtem Drehgriff.
(Hinterrad mit E-Motor ist bei mir komplett neu eingebaut - Daran liegt es nicht.)
Schlimm ist es bei aktiviertem Tempomat
(Höchstgeschwindigkeit am Drehgriff ca. 3 Sekunden halten)
Da passierte es bei mir bei einer Fahrbahnbrücke mit Dehnungsfuge auch oft,
dass er plötzlich von ca. (Tachoanzeige) 50 Km/h auf 40 Km/h abbremste.
(Tachoanzeige 50 = ca. 48 Km/h GPS)
Das ging immer so plötzlich und ich war bis jetzt froh,
dass kein Auto hinter mir fuhr wegen der plötzlichen Abbremsung um 10 Km/h.
Diese Brücke (über den Fluss "Nidda", Frankfurt am Main) muss ich immer überfahren,
wenn ich nicht in die Innenstadt muss.
Ich muss dann den Drehgriff zurücknehmen und auch wieder
von '0' aufdrehen, damit der Hawk wieder beschleunigt.
Naja, er rollt praktisch stromlos aus, bis er wieder "Saft" bekommt.
Ich habe darüber auch schon mit Futura (Hr.Schnorbach) philosophiert.
Mein TIPP:
Bitte vor dem Überfahren von solchen Unebenheiten, wie Gullideckel u.a.
den Drehgriff in Null-Stellung zurückdrehen (Tempomat schaltet auch ab),
damit der E-Motor kein Signal mehr bekommt, und dann wieder Gas geben.
(Hawk einfach stromlos drüberrollen lassen)
Meine Erkenntnis:
Wenn mein E-Roller (Hawk 3000 Li) über eine Unebenheit fährt,
dann verliert das Hinterrad kurzzeitig den richtigen Bodenkontakt (Bodenhaftung).
Der Controller ist irritiert, da der Drehgriff (oder zugeschalteter Tempomat) auf Volllast steht.
Keine Ahnung warum - E-Motor kann nur max. Tachoanzeige 50 km/h auf Hauptständer.
Vielleicht ist das eine eingebaute Sicherheitsfunktion des Controller's, die hier unangebracht ist ?
Der Controller schaltet, bzw. bremst den E-Motor ab.
Dann muss ich den Roller wieder "Anfahren" lassen.
Also Drehgriff zurücknehmen und wieder Vollgas geben.
Oftmals erreiche ich nach so einem Fauxpas (Fehltritt) von mir,
weil ich vergessen habe den Drehgriff zurückzunehmen,
die ursprüngliche Geschwindigkeit nicht mehr.
Wenn ich also über so eine Unebenheit fahren muss,
dann nehme ich vorher das "Gas" zurück, sodass der Motor ausrollt
und -KEIN- Signal bekommt.
So klappt das dann bei mir.
IST HALT SO - Bei meinem (und Deinem?) Hawk.
Keine Ahnung, wie die Controller der neuen Hawk's (Bj. mit LED's)
programmiert sind.
Bei anderen E-Roller-Marken passiert das wohl nicht.
Also, Pino0172,
nimm' das Signal zum Controller einfach weg (Drehgriff kurz auf '0' drehen),
fahre über die Unebenheit und gebe dann wieder Gas.
Bei Holperstrecken fahre ich KEIN Vollgas.
Dann liegt der Hawk sicher in seinen Federbeinen und das Hinterrad
verliert nicht seine Bodenhaftung.
(Es verliert natürlich NICHT den Bodenkontakt,
aber die Belastung zum Strassenbelag wird registriert.
Controller denkt, er muss den Hawk wieder abbremsen...???)
FRAGE an alle:
Kennt da jemand eine Controller-Lösung, oder so ?
Ich glaube, man muss bei diesem Modell einfach vorausschauend fahren und mitdenken.
-----
NACHTRAG:
Wenn Dein Hawk schon älter ist,
dann schaue Dir einmal das Motorkabel an, ob es kaputtgescheuert ist.
Das passierte leider auch bei unseren Hawk's (meine Frau und ich haben jeweils Einen).
Siehe dazu auf meiner Homepage meinen Bericht mit Testvideo:
https://www.reinhardschliewe.de/e-mobil ... bel_blank/
Notlösung der Motorkabelführung:
https://www.reinhardschliewe.de/e-mobil ... -gefuehrt/
Hier im Forum hat jemand das Problem auch schon geschildert.
Gruss
Reinhard
(Chatmax)
Ich habe meinen "Hawk 3000 Li" im Januar 2019 bekommen.
https://www.reinhardschliewe.de/e-mobilitaet/
Ich kenne Dein Problem mit voll aufgedrehtem Drehgriff.
(Hinterrad mit E-Motor ist bei mir komplett neu eingebaut - Daran liegt es nicht.)
Schlimm ist es bei aktiviertem Tempomat
(Höchstgeschwindigkeit am Drehgriff ca. 3 Sekunden halten)
Da passierte es bei mir bei einer Fahrbahnbrücke mit Dehnungsfuge auch oft,
dass er plötzlich von ca. (Tachoanzeige) 50 Km/h auf 40 Km/h abbremste.
(Tachoanzeige 50 = ca. 48 Km/h GPS)
Das ging immer so plötzlich und ich war bis jetzt froh,
dass kein Auto hinter mir fuhr wegen der plötzlichen Abbremsung um 10 Km/h.
Diese Brücke (über den Fluss "Nidda", Frankfurt am Main) muss ich immer überfahren,
wenn ich nicht in die Innenstadt muss.
Ich muss dann den Drehgriff zurücknehmen und auch wieder
von '0' aufdrehen, damit der Hawk wieder beschleunigt.
Naja, er rollt praktisch stromlos aus, bis er wieder "Saft" bekommt.
Ich habe darüber auch schon mit Futura (Hr.Schnorbach) philosophiert.
Mein TIPP:
Bitte vor dem Überfahren von solchen Unebenheiten, wie Gullideckel u.a.
den Drehgriff in Null-Stellung zurückdrehen (Tempomat schaltet auch ab),
damit der E-Motor kein Signal mehr bekommt, und dann wieder Gas geben.
(Hawk einfach stromlos drüberrollen lassen)
Meine Erkenntnis:
Wenn mein E-Roller (Hawk 3000 Li) über eine Unebenheit fährt,
dann verliert das Hinterrad kurzzeitig den richtigen Bodenkontakt (Bodenhaftung).
Der Controller ist irritiert, da der Drehgriff (oder zugeschalteter Tempomat) auf Volllast steht.
Keine Ahnung warum - E-Motor kann nur max. Tachoanzeige 50 km/h auf Hauptständer.
Vielleicht ist das eine eingebaute Sicherheitsfunktion des Controller's, die hier unangebracht ist ?
Der Controller schaltet, bzw. bremst den E-Motor ab.
Dann muss ich den Roller wieder "Anfahren" lassen.
Also Drehgriff zurücknehmen und wieder Vollgas geben.
Oftmals erreiche ich nach so einem Fauxpas (Fehltritt) von mir,
weil ich vergessen habe den Drehgriff zurückzunehmen,
die ursprüngliche Geschwindigkeit nicht mehr.
Wenn ich also über so eine Unebenheit fahren muss,
dann nehme ich vorher das "Gas" zurück, sodass der Motor ausrollt
und -KEIN- Signal bekommt.
So klappt das dann bei mir.
IST HALT SO - Bei meinem (und Deinem?) Hawk.
Keine Ahnung, wie die Controller der neuen Hawk's (Bj. mit LED's)
programmiert sind.
Bei anderen E-Roller-Marken passiert das wohl nicht.
Also, Pino0172,
nimm' das Signal zum Controller einfach weg (Drehgriff kurz auf '0' drehen),
fahre über die Unebenheit und gebe dann wieder Gas.
Bei Holperstrecken fahre ich KEIN Vollgas.
Dann liegt der Hawk sicher in seinen Federbeinen und das Hinterrad
verliert nicht seine Bodenhaftung.
(Es verliert natürlich NICHT den Bodenkontakt,
aber die Belastung zum Strassenbelag wird registriert.
Controller denkt, er muss den Hawk wieder abbremsen...???)
FRAGE an alle:
Kennt da jemand eine Controller-Lösung, oder so ?
Ich glaube, man muss bei diesem Modell einfach vorausschauend fahren und mitdenken.
-----
NACHTRAG:
Wenn Dein Hawk schon älter ist,
dann schaue Dir einmal das Motorkabel an, ob es kaputtgescheuert ist.
Das passierte leider auch bei unseren Hawk's (meine Frau und ich haben jeweils Einen).
Siehe dazu auf meiner Homepage meinen Bericht mit Testvideo:
https://www.reinhardschliewe.de/e-mobil ... bel_blank/
Notlösung der Motorkabelführung:
https://www.reinhardschliewe.de/e-mobil ... -gefuehrt/
Hier im Forum hat jemand das Problem auch schon geschildert.
Gruss
Reinhard
(Chatmax)
-
slothorpe
- Beiträge: 566
- Registriert: Do 4. Jul 2019, 14:14
- Roller: Robo-S, Classico LI, selbst gebautes Lasten-Pedelec
- PLZ: 10717
- Wohnort: Berlin
- Kontaktdaten:
Re: Hawk 3000li "Fahrbahnunebenheit"
Spannend, das klingt ja nun tatsächlich so, als sei das eine bewusst im Controller implementierte Funktion, die leider Seiteneffekte hat. Man kann natürlich nur spekulieren, was sich der Entwickler der Firmware dabei gedacht hat, aber ich vermute, dass es eine „Sturzerkennung“ ist, die dafür sorgen soll, dass der Motor im Falle eines Sturzes mit „Tempomat“ nicht frei weiterdreht.
Wie erkenne ich einen Sturz, wenn ich keine Lagesensor/Gyro verbauen will aus Kostengründen? Indem ich ein Rad erkenne was urplötzlich während der Fahrt ohne Last frei dreht... ist diese Erkennung zu „empfindlich“ reicht evtl. auch ne Bodenwelle mit kurzzeitig abhebendem Rad um das auszulösen.
Kann man vermutlich nichts einfach gegen machen, an die Firmware der Controller kommt man (mit wenigen Ausnahmen, siehe Open-Source Firmware für KT und Lishui Controller) nicht ran, ich kann mir auch kaum vorstellen, dass das von außen einstellbar ist. Das einzige wäre den Controller komplett gegen einen der universellen (Kelly, Sabvoton, Lingbo usw.) zu tauschen, aber das ist schon ein erheblicher Aufwand....
Wie erkenne ich einen Sturz, wenn ich keine Lagesensor/Gyro verbauen will aus Kostengründen? Indem ich ein Rad erkenne was urplötzlich während der Fahrt ohne Last frei dreht... ist diese Erkennung zu „empfindlich“ reicht evtl. auch ne Bodenwelle mit kurzzeitig abhebendem Rad um das auszulösen.
Kann man vermutlich nichts einfach gegen machen, an die Firmware der Controller kommt man (mit wenigen Ausnahmen, siehe Open-Source Firmware für KT und Lishui Controller) nicht ran, ich kann mir auch kaum vorstellen, dass das von außen einstellbar ist. Das einzige wäre den Controller komplett gegen einen der universellen (Kelly, Sabvoton, Lingbo usw.) zu tauschen, aber das ist schon ein erheblicher Aufwand....
- Chatmax
- Beiträge: 63
- Registriert: Mi 26. Dez 2018, 16:25
- Roller: E-Roller "Sunra Hawk 3000 Li" (Elektroroller-Futura)
- PLZ: 60431
- Wohnort: Frankfurt am Main
- Tätigkeit: Fernmeldetechniker im Vorruhestand, Musiker, WebDesign, Bild- und Videobearbeitung, Computertechnik u.a.
- Kontaktdaten:
Re: Hawk 3000li "Fahrbahnunebenheit"
Hallo, slothorpe.
"Sturzerkennung"...
Ich glaube, das ist eine tolle Antwort und auch logisch.
Ja, es stimmt.
Sobald das Hinterrad etwas Haftung verliert gibt es eigentlich "Gas".
Dann muss es abgeschaltet (runtergeschaltet) werden,
um einer Gefahr zu begegnen.
GUT erklärt.
Dann sind die Controller zu empfindlich programmiert.
Das heisst:
Die Controller sollten in so einem Fall ("HolperstellenFall") einige Millisekunden
verzögert reagieren und nicht sofort eingreifen.
Hallo, FUTURA-Team.
- Habt Ihr da irgendwelche Erkenntnisse aus China (von XinRi) - Controller-Programmierung?
- Was haltet Ihr von dieser logischen Idee ?
Der E-Motor muss im Falle eines Sturzes ( " Tempomat " ist eingeschaltet) abschalten.
Danke, slothorpe für die Info.
Gruss
Reinhard
(Chatmax)
"Sturzerkennung"...
Ich glaube, das ist eine tolle Antwort und auch logisch.
Ja, es stimmt.
Sobald das Hinterrad etwas Haftung verliert gibt es eigentlich "Gas".
Dann muss es abgeschaltet (runtergeschaltet) werden,
um einer Gefahr zu begegnen.
GUT erklärt.
Dann sind die Controller zu empfindlich programmiert.
Das heisst:
Die Controller sollten in so einem Fall ("HolperstellenFall") einige Millisekunden
verzögert reagieren und nicht sofort eingreifen.
Hallo, FUTURA-Team.
- Habt Ihr da irgendwelche Erkenntnisse aus China (von XinRi) - Controller-Programmierung?
- Was haltet Ihr von dieser logischen Idee ?
Der E-Motor muss im Falle eines Sturzes ( " Tempomat " ist eingeschaltet) abschalten.
Danke, slothorpe für die Info.
Gruss
Reinhard
(Chatmax)
-
Futura Support
- Beiträge: 214
- Registriert: Do 19. Dez 2019, 09:02
- Roller: Futura Customer Support
- PLZ: 5
- Kontaktdaten:
Re: Hawk 3000li "Fahrbahnunebenheit"
Hallo,
der Hersteller hat mir mitgeteilt das sich um eine Schutzschaltung handelt.
der Hersteller hat mir mitgeteilt das sich um eine Schutzschaltung handelt.
- Chatmax
- Beiträge: 63
- Registriert: Mi 26. Dez 2018, 16:25
- Roller: E-Roller "Sunra Hawk 3000 Li" (Elektroroller-Futura)
- PLZ: 60431
- Wohnort: Frankfurt am Main
- Tätigkeit: Fernmeldetechniker im Vorruhestand, Musiker, WebDesign, Bild- und Videobearbeitung, Computertechnik u.a.
- Kontaktdaten:
Re: Hawk 3000li "Fahrbahnunebenheit"
Danke FUTURA 
Wer ist online?
Mitglieder in diesem Forum: 0 Mitglieder und 9 Gäste