Kabel unter dem Fahrersitz

Geschlossene Trikes und Quads
Benutzeravatar
Wokie
Beiträge: 17
Registriert: Do 1. Jan 2026, 21:07
Roller: Husqvarna Skutta / Furura Flow Li
PLZ: 66787
Kontaktdaten:

Re: Kabel unter dem Fahrersitz

Beitrag von Wokie »

Fasemann hat geschrieben: Fr 30. Jan 2026, 11:06 Für Sitzerkennung hat es einen stattlichen Querschnitt.
Ich habe mir das Teil hier nicht genau angeschaut. Bei Dir könnte es vielleicht für eine optionale Sitzheizung sein.
Benutzeravatar
AndyAndy
Beiträge: 443
Registriert: Fr 4. Jun 2021, 21:27
Roller: UMI = eLizzy Premium = Trixi 3.3 = Stornborn Y8 = Bleile W3
PLZ: 5
Kontaktdaten:

Re: Kabel unter dem Fahrersitz

Beitrag von AndyAndy »

Wokie hat geschrieben: Do 29. Jan 2026, 20:27 Das wird der Anschluss für die Fahrererkennung sein.
Bei mir ist da unter dem Fahrersitz ein Kästchen montiert. Meiner (Futura Flow) erkennt, ob jemand im Auto sitzt und gibt dann Alarm, wenn die Steuerung eingeschaltet ist.
Eine interessante Theorie. Bei mir gibt es keine Fahrererkennung. Aber abgesehen davon, funktioniert denn sowas mit einem Minus-Kabel? Wohl nicht.
Benutzeravatar
AndyAndy
Beiträge: 443
Registriert: Fr 4. Jun 2021, 21:27
Roller: UMI = eLizzy Premium = Trixi 3.3 = Stornborn Y8 = Bleile W3
PLZ: 5
Kontaktdaten:

Re: Kabel unter dem Fahrersitz

Beitrag von AndyAndy »

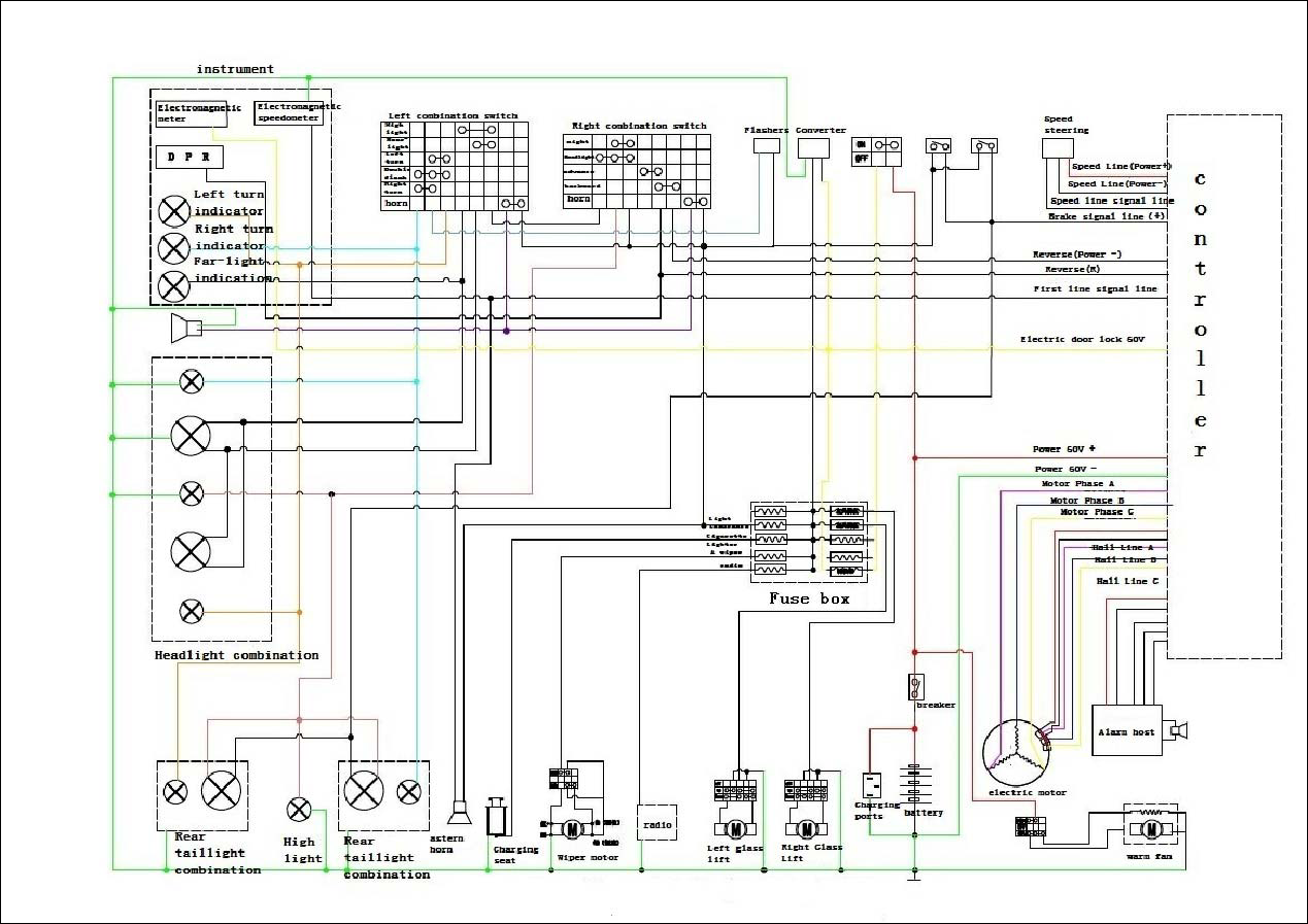
Apecamper hat geschrieben: Fr 30. Jan 2026, 09:38 Ist das Kabel nicht im Schaltplan eingezeichnet?
Da muss man es doch verfolgen können und die Herkunft herausfinden
Kann ich nicht erkennen. Außer der Schaltplan ist nicht von meinem Modell. Das weiß man ja bei China-Fahrzeugen nie.
Schaltplan.png
Antworten

Zurück zu „Kabinenroller / Microcars“

Wer ist online?

Mitglieder in diesem Forum: 0 Mitglieder und 3 Gäste