LED Frontscheinwerfer
-
Adrian02_de
- Beiträge: 103
- Registriert: Mi 5. Jul 2017, 22:22
- Roller: Unu 1.1 3KW
- PLZ: 67122
- Kontaktdaten:
Re: LED Frontscheinwerfer
Preis ist super! Ich fürchte aber auch, dass die Leuchte stark nach unten gerichtet sein könnte. Der NIU ist da sehr "schräg". Haben wir hier auch nen netten NIU Fahrer, der sein Gefährt mal lupfen könnte? 
-
Adrian02_de
- Beiträge: 103
- Registriert: Mi 5. Jul 2017, 22:22
- Roller: Unu 1.1 3KW
- PLZ: 67122
- Kontaktdaten:
Re: LED Frontscheinwerfer
So, Test beendet, laut meiner Frau blendet da nix
und ich lebe noch! Top 
- fiedje
- Beiträge: 217
- Registriert: Di 5. Jun 2018, 12:19
- Roller: UNU Rebell 3kw
- PLZ: 424
- Wohnort: Oberbergisches Land
- Kontaktdaten:
Re: LED Frontscheinwerfer
Hallo,
nachdem ich eine Schlaglochfahrt im Dunkeln hatte, überleg ich aktiv, den Scheinwerfer auf LED umzurüsten.
Mir ist der ins Auge gefallen: https://www.scooter-center.com/de/schei ... _1_48_48__.
Ist zwar immer noch sehr teuer, aber hat nach Verkäuferangaben die E9-Kennzeichnung.
Kann dann wenigstens keinen Stress wg. Erlöschen der Zulassung usw. ergeben.
Die Wattzahl ist mir auch sympathischer als die meisten Scheinwerfer, die für die Harley angeboten werden.
nachdem ich eine Schlaglochfahrt im Dunkeln hatte, überleg ich aktiv, den Scheinwerfer auf LED umzurüsten.
Mir ist der ins Auge gefallen: https://www.scooter-center.com/de/schei ... _1_48_48__.
Ist zwar immer noch sehr teuer, aber hat nach Verkäuferangaben die E9-Kennzeichnung.
Kann dann wenigstens keinen Stress wg. Erlöschen der Zulassung usw. ergeben.
Die Wattzahl ist mir auch sympathischer als die meisten Scheinwerfer, die für die Harley angeboten werden.
Freundliche Grüße von Fiedje
-
unubacknang
- Beiträge: 42
- Registriert: So 13. Mai 2018, 23:03
- Roller: Unu Premium, Schwarz matt
- PLZ: 71573
- Wohnort: Backnang
- Kontaktdaten:
Re: LED Frontscheinwerfer
Hey Fiedje,
bin gespannt was Du über die passgenauigkeit des Scheinwerfers berichtest...
bin gespannt was Du über die passgenauigkeit des Scheinwerfers berichtest...
Hier gibts den Gutscheincode A5Y19REF für den Gratishelm bei Bestellung eines Unu einfach eingeben.

- vsm
- Administrator
- Beiträge: 3087
- Registriert: Mo 15. Mai 2017, 12:18
- PLZ: 12
- Kontaktdaten:
Re: LED Frontscheinwerfer
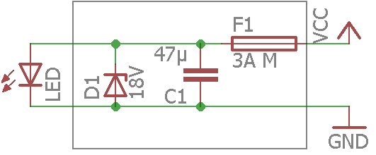
Ich bin auch sehr gespannt! Da LED-Scheinwerfer relativ teuer sind und der DC/DC-Wandler im unu relativ billig zu sein scheint, würde ich zumindest noch eine kleine Absicherung dazwischen setzen.
Vorschlag:
Vorschlag:
- fiedje
- Beiträge: 217
- Registriert: Di 5. Jun 2018, 12:19
- Roller: UNU Rebell 3kw
- PLZ: 424
- Wohnort: Oberbergisches Land
- Kontaktdaten:
Re: LED Frontscheinwerfer
Danke erst mal dafür,vsm hat geschrieben: Mi 8. Aug 2018, 11:15 Ich bin auch sehr gespannt! Da LED-Scheinwerfer relativ teuer sind und der DC/DC-Wandler im unu relativ billig zu sein scheint, würde ich zumindest noch eine kleine Absicherung dazwischen setzen.
Vorschlag:
led-scheinwerfer-shutz.png
hast Du die Ausgangs-Spannung von dem Wandler mal gemessen? 18 V Spannungsbegrenzung scheint mir recht hoch zu sein.
Freundliche Grüße von Fiedje
- vsm
- Administrator
- Beiträge: 3087
- Registriert: Mo 15. Mai 2017, 12:18
- PLZ: 12
- Kontaktdaten:
Re: LED Frontscheinwerfer
Die sollten im Normalbetrieb ja auch nicht erreicht werden. Wenn der FET im Wandler kaputtgeht, sind Drain und Source entweder permanent offen (der häufigste Fall und problemlos für den Scheinwerfer) oder permanent geschlossen (wesentlich seltener der Fall, aber gefährlich für den Scheinwerfer). Im zweiten, unwahrscheinlicheren Fall liegt dann aber die volle Spannung des Inputs (also die Akku-Spannung) am Ausgang an. Hier springt dann die Z-Diode ein und löst die Sicherung aus. Eine 15-V-Zener wäre mir etwas zu knapp bemessen, da die Dinger gewöhnlicherweise 5% Toleranz aufweisen und 14,25 V ein Spannungswert ist, der bei einem 12-V-Wandler gerade noch im Normalbetrieb auftreten darf.fiedje hat geschrieben: Do 9. Aug 2018, 05:28 [...]18 V Spannungsbegrenzung scheint mir recht hoch zu sein.
- fiedje
- Beiträge: 217
- Registriert: Di 5. Jun 2018, 12:19
- Roller: UNU Rebell 3kw
- PLZ: 424
- Wohnort: Oberbergisches Land
- Kontaktdaten:
Re: LED Frontscheinwerfer
Danke, so weit hatte ich nicht gedacht, mein Hauptaugenmerk war, dass er von den Werten her passen sollte, damit nichts mit dem Wandler passiert. Diese erscheinen mir passend (21,5W/15W/1,9W).vsm hat geschrieben: Do 9. Aug 2018, 10:37Die sollten im Normalbetrieb ja auch nicht erreicht werden. Wenn der FET im Wandler kaputtgeht, sind Drain und Source entweder permanent offen (der häufigste Fall und problemlos für den Scheinwerfer) oder permanent geschlossen (wesentlich seltener der Fall, aber gefährlich für den Scheinwerfer). Im zweiten, unwahrscheinlicheren Fall liegt dann aber die volle Spannung des Inputs (also die Akku-Spannung) am Ausgang an. Hier springt dann die Z-Diode ein und löst die Sicherung aus. Eine 15-V-Zener wäre mir etwas zu knapp bemessen, da die Dinger gewöhnlicherweise 5% Toleranz aufweisen und 14,25 V ein Spannungswert ist, der bei einem 12-V-Wandler gerade noch im Normalbetrieb auftreten darf.fiedje hat geschrieben: Do 9. Aug 2018, 05:28 [...]18 V Spannungsbegrenzung scheint mir recht hoch zu sein.
Bei dem hier schon zitierten: https://www.polo-motorrad.de/de/led-sch ... chrom.html kommen mir die Werte unlogisch vor: 20/32/16 Watt (Abblendlicht/Fernlicht/Positionsleuchte). Wenn die Positionsleuchte wirklich 16W hat, ist die heller als die meisten Tagfahrlichter.
Alternativ denke ich noch darüber nach, den Scheinwerfereinsatz gegen einen mit Klarglas auszutauschen, und dann ein dazu passendes HS1-Halogen Leuchtmittel einzusetzen. Das wär dann auch wesentlich günstiger im Austausch.
Freundliche Grüße von Fiedje
-
werner.r.
- Beiträge: 1
- Registriert: Sa 7. Jul 2018, 15:51
- Roller: Unu
- PLZ: 55629
- Kontaktdaten:
Re: LED Frontscheinwerfer
Kannst du eine Bezugsquelle und Bezeichnung des Scheinwerfers nennen.
Gruß Werner
Gruß Werner
- fiedje
- Beiträge: 217
- Registriert: Di 5. Jun 2018, 12:19
- Roller: UNU Rebell 3kw
- PLZ: 424
- Wohnort: Oberbergisches Land
- Kontaktdaten:
Re: LED Frontscheinwerfer
Bezugsquelle für welchen von den dreien?
Ergänzung: Hab noch mal nachgesehen.
Die Links für die beiden LED sind im Thread schon genannt.
Daher nun für den Klarglaseinsatz (Rechtsverkehr) https://www.scooter-center.com/de/schei ... _1_48_48__
Ergänzung: Hab noch mal nachgesehen.
Die Links für die beiden LED sind im Thread schon genannt.
Daher nun für den Klarglaseinsatz (Rechtsverkehr) https://www.scooter-center.com/de/schei ... _1_48_48__
Freundliche Grüße von Fiedje
Wer ist online?
Mitglieder in diesem Forum: Trendiction [Bot] und 1 Gast