Licht flackert am UNU 2.0 3kw
-
emortzii
- Beiträge: 6
- Registriert: Mi 13. Okt 2021, 11:43
- Roller: unu Scooter 4 kw
- PLZ: 50
- Kontaktdaten:
Re: Licht flackert am UNU 2.0 3kw
Das Problem kommt mir sehr bekannt vor.
Mein Roller steht genau aus dem gleichen Grund seit zwei Monaten in der Werkstatt. Die Aux-Batterie lässt sich nicht mehr laden.
Die Werkstatt wartet jetzt schon länger auf die Unterstützung von unu und vor allem auf die Lieferung der Ersatzteile.
Der Service von unu, gerade bei so einem Garantiefall, ist echt mangelhaft, man wird komplett allein gelassen und der Roller verkommt in der Werkstatt. Es ist sehr frustrierend.
Mein Roller steht genau aus dem gleichen Grund seit zwei Monaten in der Werkstatt. Die Aux-Batterie lässt sich nicht mehr laden.
Die Werkstatt wartet jetzt schon länger auf die Unterstützung von unu und vor allem auf die Lieferung der Ersatzteile.
Der Service von unu, gerade bei so einem Garantiefall, ist echt mangelhaft, man wird komplett allein gelassen und der Roller verkommt in der Werkstatt. Es ist sehr frustrierend.
-
Dino UNU
- Beiträge: 7
- Registriert: Sa 25. Mär 2023, 17:35
- Roller: Unu Scooter 3kw
- PLZ: 25361
- Kontaktdaten:
Re: Licht flackert am UNU 2.0 3kw
Ich habe dort mehrmals täglich angerufen und mit rechtlicher Hilfe gedroht. Darauf hin wurde Unu sehr aktiv und die Ersatzteile waren unter 24 Stunden bei der Werkstatt zugeschickt worden. Heute darf ich ihn abholen ich bin gespannt ob er in 2 Wochen noch fährt...
Gruß
Gruß
-
Thunder115
- Beiträge: 1068
- Registriert: So 26. Aug 2018, 16:18
- Roller: UNU 3 kW Mod.2018
- PLZ: 01067
- Kontaktdaten:
Re: Licht flackert am UNU 2.0 3kw
Welche Ersatzeile?
Wäre ja sehr interessant für die anderen User mit dem Problem.
Wenn die eine defekte Batterie ersetzen, dann gibts die in jedem Motorradladen oder gar Baumarkt. Beim DC-DC-Wandler müßte man schauen.
Warum Unu so zögerlich ist kann 2 Ursachen haben. Ersatzteile sind in der Menge nicht in Deutschland und müssen "teuer" gekauft werden oder man versucht mal wieder das Problem per Software zu lösen (Das Allheilmittel der modernen Welt - man biegt Schrott so lange bis es halbwegs gerade aussieht). Eine technische Fehlkonstruktion bekommt man damit aber nicht hin.
20.05.19 1000,0km - 7,65€; 24.10.19 2000,0km -15,93€ 10.08.20 3000,0km - 24,40€; 17.06.21 4000,0 km 32,36€;
08.11.21 5000 km, 15.08.22 6000km huch da fehlt was, aber 16.08.25 9000km

08.11.21 5000 km, 15.08.22 6000km huch da fehlt was, aber 16.08.25 9000km
-
Dino UNU
- Beiträge: 7
- Registriert: Sa 25. Mär 2023, 17:35
- Roller: Unu Scooter 3kw
- PLZ: 25361
- Kontaktdaten:
Re: Licht flackert am UNU 2.0 3kw
Bei mir war es der Wandler der kaputt gegangen ist...
- conny-r
- Beiträge: 2651
- Registriert: Mo 29. Aug 2022, 09:21
- Roller: E-ECONELO DTR 35Ah/50 kmh
- PLZ: 3616.
- Kontaktdaten:
Re: Licht flackert am UNU 2.0 3kw
.
Für mich ist es Murks das die Stützbatterie nur gepuffert wird und somit noch nicht mal 50 % Kapazität hat.
Gruß Conny
- callmeuhu
- Beiträge: 1785
- Registriert: So 14. Apr 2019, 19:16
- Roller: Brammo Enertia
- PLZ: 4
- Wohnort: Dreiländereck DE-NL-BE
- Tätigkeit: Gefahrgutbeauftragter ADR/RID/IMDG
- Kontaktdaten:
Re: Licht flackert am UNU 2.0 3kw
was auch sonstDino UNU hat geschrieben: Do 30. Mär 2023, 14:36 Bei mir war es der Wandler der kaputt gegangen ist...
Wenn man die Daten hätte (des Wandlers), gibt es vllt. Alternativen
meine Rasselbande
unu Vorserie Nr.26/50
unu Serie 1.1
unu Serie 1.2
Emax 90S
Emax 110 S
Emax 120D
Brammo Enertia
unu Vorserie Nr.26/50
unu Serie 1.1
unu Serie 1.2
Emax 90S
Emax 110 S
Emax 120D
Brammo Enertia
- callmeuhu
- Beiträge: 1785
- Registriert: So 14. Apr 2019, 19:16
- Roller: Brammo Enertia
- PLZ: 4
- Wohnort: Dreiländereck DE-NL-BE
- Tätigkeit: Gefahrgutbeauftragter ADR/RID/IMDG
- Kontaktdaten:
Re: Licht flackert am UNU 2.0 3kw
Die Frage ist: Würde das Problem auch bei Sharing- bzw. Leasingbetrieb entstehen, für den die Fahrzeuge konzipiert wurdenconny-r hat geschrieben: Do 30. Mär 2023, 17:07.
Für mich ist es Murks das die Stützbatterie nur gepuffert wird und somit noch nicht mal 50 % Kapazität hat.
Anzunehmen ist wohl, dass es weniger Stillstand geben würde und entsprechend wurde der Akku ausgewählt
meine Rasselbande
unu Vorserie Nr.26/50
unu Serie 1.1
unu Serie 1.2
Emax 90S
Emax 110 S
Emax 120D
Brammo Enertia
unu Vorserie Nr.26/50
unu Serie 1.1
unu Serie 1.2
Emax 90S
Emax 110 S
Emax 120D
Brammo Enertia
- conny-r
- Beiträge: 2651
- Registriert: Mo 29. Aug 2022, 09:21
- Roller: E-ECONELO DTR 35Ah/50 kmh
- PLZ: 3616.
- Kontaktdaten:
Re: Licht flackert am UNU 2.0 3kw
Klar wenn er täglich bewegt wird dann wird es kein Problem geben
Gruß Conny
-
marcus.allstedt
- Beiträge: 24
- Registriert: Di 24. Mai 2022, 14:52
- Roller: Unu Scooter 3KW
- PLZ: 06526
- Kontaktdaten:
Re: Licht flackert am UNU 2.0 3kw
Grüße!
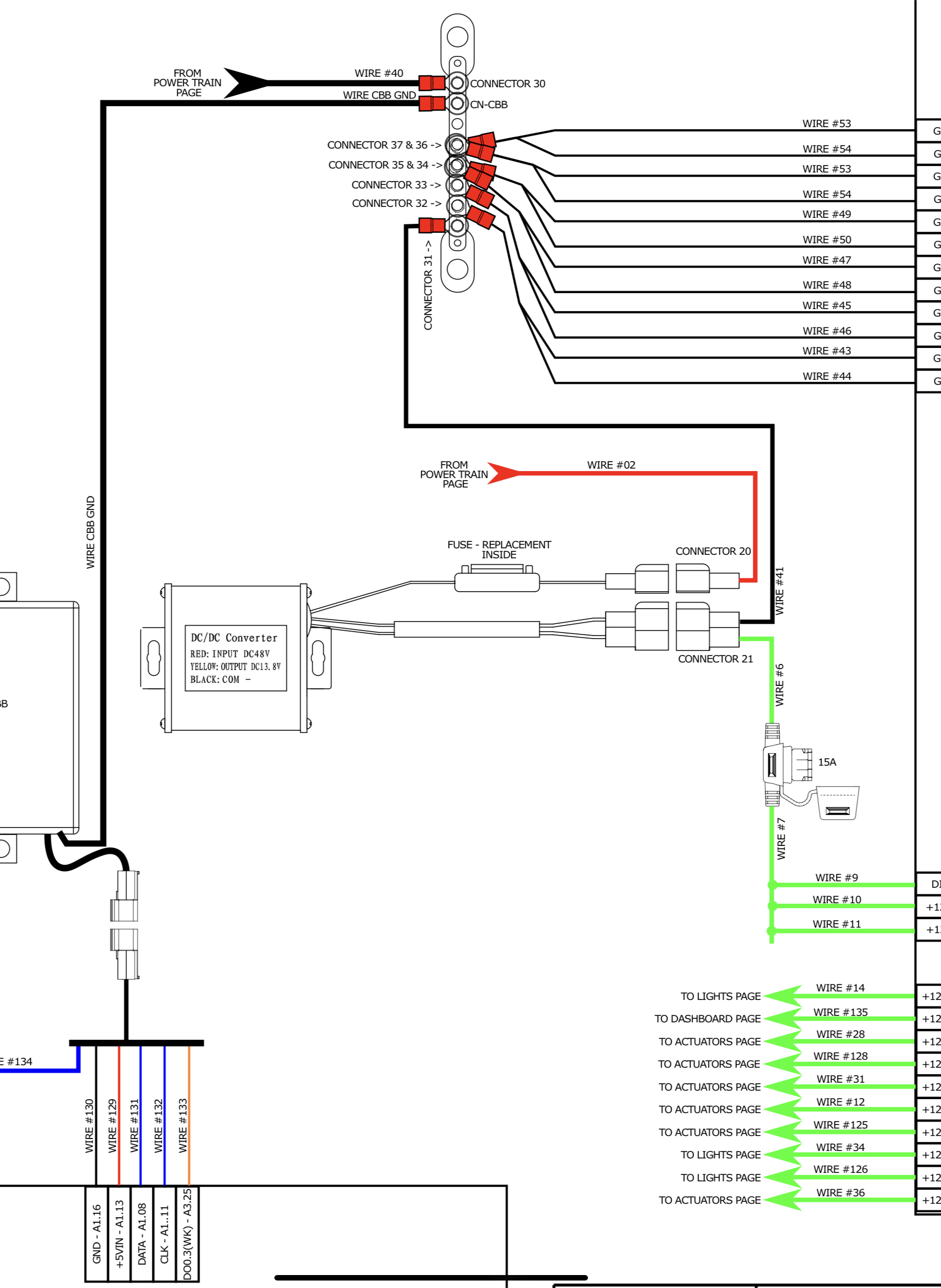
Hier sind die Leistungswerte des DC/DC Wandlers
Hier sind die Leistungswerte des DC/DC Wandlers
- callmeuhu
- Beiträge: 1785
- Registriert: So 14. Apr 2019, 19:16
- Roller: Brammo Enertia
- PLZ: 4
- Wohnort: Dreiländereck DE-NL-BE
- Tätigkeit: Gefahrgutbeauftragter ADR/RID/IMDG
- Kontaktdaten:
Re: Licht flackert am UNU 2.0 3kw
kennedy
Der sieht dem Classic sehr ähnlich, ich muss mal schauen................
habe noch Wandler vom Classic
Nachtrag: wegen "Guck- und Horch" hat der Wandler 13,8V, der Classic 12V, passt nicht. Gehäuse passt und Kabelfarben auch...........
Nachtrag 2: ich denke sowas:
https://oonooo.com/products/dc-dc-spann ... -13-8v-20a
Der sieht dem Classic sehr ähnlich, ich muss mal schauen................
habe noch Wandler vom Classic
Nachtrag: wegen "Guck- und Horch" hat der Wandler 13,8V, der Classic 12V, passt nicht. Gehäuse passt und Kabelfarben auch...........
Nachtrag 2: ich denke sowas:
https://oonooo.com/products/dc-dc-spann ... -13-8v-20a
meine Rasselbande
unu Vorserie Nr.26/50
unu Serie 1.1
unu Serie 1.2
Emax 90S
Emax 110 S
Emax 120D
Brammo Enertia
unu Vorserie Nr.26/50
unu Serie 1.1
unu Serie 1.2
Emax 90S
Emax 110 S
Emax 120D
Brammo Enertia
Wer ist online?
Mitglieder in diesem Forum: 0 Mitglieder und 31 Gäste