E-Retro Blei Umbau auf LFP
- Fasemann
- Beiträge: 3774
- Registriert: Sa 14. Okt 2017, 22:05
- Roller: Nova eretro, Tisto Luna, Unu Rebell
- PLZ: 21614
- Wohnort: Buxtehude
- Tätigkeit: Kann so ziemlich vieles
- Kontaktdaten:
Re: E-Retro Blei Umbau auf LFP
@Dieter, man kann dir keine PN schreiben, du hast ja schöne Runde LFP verbaut, gibt es bei deiner Quelle auch eckige?
Von 2017 an 2x GoE zusammen mit 25 Tkm verkauft 4/24.
Nova E-Retro Star exBlei aus 2020, ab 02/24 und ab1000 km mit Lithium, hat 10 000km weg.
4/24 Tisto Luna mit 700 km eingezogen, neue Akkus 9/25 und los gehts.
3/25 UNU aus 2016 mit 1960 km und kleinem Diebstahlschaden, komplett überholt.
Nova E-Retro Star exBlei aus 2020, ab 02/24 und ab1000 km mit Lithium, hat 10 000km weg.
4/24 Tisto Luna mit 700 km eingezogen, neue Akkus 9/25 und los gehts.
3/25 UNU aus 2016 mit 1960 km und kleinem Diebstahlschaden, komplett überholt.
-
Dieter F.
- Beiträge: 27
- Registriert: Mi 28. Jan 2026, 14:45
- Roller: Nova Motors E-Retro 45er
- PLZ: 48
- Kontaktdaten:
Re: E-Retro Blei Umbau auf LFP
Ein kurzes technisches Update. Der Ladevorgang mit ca. 1,3kw/h und die Abschaltung der beiden BMS nach erreichen der Sättigungsspannung. Beide Ladegeräte sind von Typ QDD 73V 10A (73Volt Ladeschlussspannung). Beide „Charger“ arbeiten nicht synchronisiert unter Last einwandfrei. Auch nach der Abschaltung nur eines BMS für den Ladevorgang, arbeiten beide Ladegeräte zunächst ohne eine Auffälligkeit. Wenn die Ladevorgänge beendet sind, schaltet das BMS „Charge off“ unabhängig. Logischerweise können beide Blöcke nicht zwingend ihr Lade Ziel synchron immer erreichen. Wenn beide BMS „Batterie voll“ anzeigen, vergeht eine gewisse Ruhezeit (120min) und eines der Ladegeräte fängt an zu pumpen in der Helligkeit der Status LED (grün). Ein leichtes auf und ab in der Ladestatusanzeige ohne eine Auswirkung auf die Ruhespannung!
Das Setup der Schaltung ist so ausgelegt, dass sich beide Ladegeräte auch im Ruhezustand „sehen“. Ein Doppelbatterie-Entladungskonverter wie dieser hier schon erwähnt wurde löst die Ungereimtheit nicht. Dieses Phänomen zeigt sich nur im Ruhezustand bei vollen Modulen. Meine Idee wäre der Einsatz von zwei fetten Schottky Dioden direkt an den Lade Ports unterzubringen. (20SQ100) Allerdings gibt es hier dann das Problem, dass durch die Verlustspannung von ca. 0,5Volt die Ladeschlussspannung von 73 Volt nicht mehr erreicht werden. Gemessen habe ich eine Ruhespannung von 73,3Volt. Hat jemand von euch derartiges schon mal ausprobiert?
Ein weiteres kleines Update war die Abdeckung der Balancekabel am BMS. Sieht doch schön aus..oder???
Ein weiteres kleines Update war die Abdeckung der Balancekabel am BMS. Sieht doch schön aus..oder???
Gruss Dieter F.
E-Retro Bauj.2021 Blei, 2025 für ne Kiste Bier bekommen, umgebaut auf zwei je. 20S/20Ah LFP Rundzellen, Redundant ~2,6kW Leistung. Ladeleistung >1,3kw/h oder halbe Leistung. 64V Nennspannung
E-Retro Bauj.2021 Blei, 2025 für ne Kiste Bier bekommen, umgebaut auf zwei je. 20S/20Ah LFP Rundzellen, Redundant ~2,6kW Leistung. Ladeleistung >1,3kw/h oder halbe Leistung. 64V Nennspannung
-
Dieter F.
- Beiträge: 27
- Registriert: Mi 28. Jan 2026, 14:45
- Roller: Nova Motors E-Retro 45er
- PLZ: 48
- Kontaktdaten:
Re: E-Retro Blei Umbau auf LFP
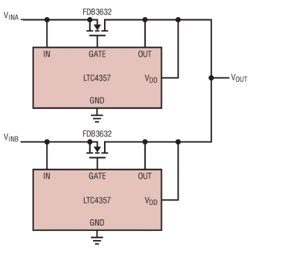
Die Lösung in der Selbstantwort = zwei LTC4357 und zusätzlich je zwei FDB3632. Damit wird es entkoppelt!
-
Peter51
- Beiträge: 6534
- Registriert: Sa 6. Aug 2011, 10:04
- Roller: E-Max 90s, E-Max 110s, E-Max 120s
- PLZ: 2
- Kontaktdaten:
Re: E-Retro Blei Umbau auf LFP
Das kannst du dir sparen. Auch bei getrenntem Reports werden diese im Akku mit dem Hauptstrom zusammen geführt.
Beide Akkus haben ein bidirektonales BMS. Selbst wenn du nur mit einem LG lädts sind nach Ladeende beide Akkus voll...
Beide Akkus haben ein bidirektonales BMS. Selbst wenn du nur mit einem LG lädts sind nach Ladeende beide Akkus voll...
E-Max 90s von 2012 - Vmax>46km/h - km-Stand >5150 - 16x Littokala 51,2V 105Ah = 5kWh. JK-B1A24S15P - Sevcon Gen4
E-Max 110s von 2010 - Vmax>50km/h - km-Stand >1.800 - 4x Littokala 72V 50Ah = 14,4kWh
E-Max 120s von 2015 - Vmax 80km/h - TÜV 03.2026 - 72V100Ah LFP-Akku - JK-B2A24S15P Balancer BT - MQ Controller BT
E-Max 110s von 2010 - Vmax>50km/h - km-Stand >1.800 - 4x Littokala 72V 50Ah = 14,4kWh
E-Max 120s von 2015 - Vmax 80km/h - TÜV 03.2026 - 72V100Ah LFP-Akku - JK-B2A24S15P Balancer BT - MQ Controller BT
-
Dieter F.
- Beiträge: 27
- Registriert: Mi 28. Jan 2026, 14:45
- Roller: Nova Motors E-Retro 45er
- PLZ: 48
- Kontaktdaten:
Re: E-Retro Blei Umbau auf LFP
Vielleicht habe ich mich unverständlich ausgedrückt. Der Ladevorgang mit einem Ladegerät zeigt dieses Phänomen nicht. Es geschieht im Ruhezustand wenn beide Batterien voll sind und „charge off“ beider BMS umgeschaltet haben mit zwei Ladegeräten! Dass beide Batterien gleich versorgt werden mit nur einem oder zwei Ladegeräte ist eine technische Vorgabe und diese liegen parallel auf. Vor den BMS liegen die Ladeports und beide Ladegeräte sehen sich egal welchen Status diese gerade haben. Mit der idealen Diode ohne einen Spannungsverlust sehen sich beide Ladegeräte nicht und können sich auch nicht gegenseitig beeinflussen.Peter51 hat geschrieben: Do 26. Mär 2026, 17:45 Das kannst du dir sparen. Auch bei getrenntem Reports werden diese im Akku mit dem Hauptstrom zusammen geführt.
Beide Akkus haben ein bidirektonales BMS. Selbst wenn du nur mit einem LG lädts sind nach Ladeende beide Akkus voll...
Die Batterien liegen dabei auf dem Massepotential der BMS Masse! Die Ladeports dürfen niemals mit dem Massepotential dahinter liegen, also Batterie-Masse. Um alles zu umgehen kann man auch den Versorgungsstecker der zweiten Batterie ziehen und generell einzeln laden. Aber das ist nicht gewollt, da beide Batterien den selbigen Ladungsstatus haben sollen.
Gruss Dieter F.
E-Retro Bauj.2021 Blei, 2025 für ne Kiste Bier bekommen, umgebaut auf zwei je. 20S/20Ah LFP Rundzellen, Redundant ~2,6kW Leistung. Ladeleistung >1,3kw/h oder halbe Leistung. 64V Nennspannung
E-Retro Bauj.2021 Blei, 2025 für ne Kiste Bier bekommen, umgebaut auf zwei je. 20S/20Ah LFP Rundzellen, Redundant ~2,6kW Leistung. Ladeleistung >1,3kw/h oder halbe Leistung. 64V Nennspannung
- error
- Beiträge: 2443
- Registriert: Di 20. Dez 2022, 19:37
- PLZ: #
- Kontaktdaten:
Re: E-Retro Blei Umbau auf LFP
ich hätte da ein paar Anmerkungen:
Die BMS schalten GND, dein "Diodenersatz" schaltet Plus. Das kann schon mal unerwünschte Nebenwirkungen geben, die schwer vorhersehbar sind.
Die LEDs der Lader sagen im allgemeinen nichts aus. Strom "fließt" aufgrund von Potenzialunterschieden. Deshalb passiert da nichts mehr, wenn der Akku die Ladeendspanunng des Laders erreicht. Somit musss da auch nichts abgeschaltet werden, wenn man das nicht gerade aus Sicherheitsgründen machen will. Aber das ist ein anderes Thema.
Das unterschiedliche Verhalten der parallelen Lader ist leicht erklärbar: die meisten Lader haben innen 2-3 Potentiometer mit denen die Feineinstellung vorgenommen wird. Es wäre Zufall, wenn die beiden Lader 100%ig gleich und punktgenau eingestellt sind.
In den Tiefen des Forums ist auch irgendwo die Funktion der Potis erklärt, zumindest für die Lader mit einer LED.
Ist nur meine Meinung/Interpretation. Ich möchte keinen Shitstorm lostreten, aber dieses Märchen mit den "Idealen Dioden" (die absolut keine Dioden sind) taucht immer wieder im Forum auf.
Das ist eine FET Ersatzschaltung, die mittels eines durchgeschalteten FETs den prinzipbedingten Spannungsabfall über eine "normale Diode" vermeiden soll. Je nach Typ erzeugt dieser Spannungsabfall (Widerstand) bei einer "normalen Diode" eine teilweise beträchtliche Verlustleistung. Das lässt sich einfach ausrechnen. Diese Idealen Dioden sind jedenfalls ursprünglich für einen komplett anderen Einsatzzweck "entwickelt" worden.
Wie gesagt nur meine Meinung.
Die BMS schalten GND, dein "Diodenersatz" schaltet Plus. Das kann schon mal unerwünschte Nebenwirkungen geben, die schwer vorhersehbar sind.
Die LEDs der Lader sagen im allgemeinen nichts aus. Strom "fließt" aufgrund von Potenzialunterschieden. Deshalb passiert da nichts mehr, wenn der Akku die Ladeendspanunng des Laders erreicht. Somit musss da auch nichts abgeschaltet werden, wenn man das nicht gerade aus Sicherheitsgründen machen will. Aber das ist ein anderes Thema.
Das unterschiedliche Verhalten der parallelen Lader ist leicht erklärbar: die meisten Lader haben innen 2-3 Potentiometer mit denen die Feineinstellung vorgenommen wird. Es wäre Zufall, wenn die beiden Lader 100%ig gleich und punktgenau eingestellt sind.
In den Tiefen des Forums ist auch irgendwo die Funktion der Potis erklärt, zumindest für die Lader mit einer LED.
Ist nur meine Meinung/Interpretation. Ich möchte keinen Shitstorm lostreten, aber dieses Märchen mit den "Idealen Dioden" (die absolut keine Dioden sind) taucht immer wieder im Forum auf.
Das ist eine FET Ersatzschaltung, die mittels eines durchgeschalteten FETs den prinzipbedingten Spannungsabfall über eine "normale Diode" vermeiden soll. Je nach Typ erzeugt dieser Spannungsabfall (Widerstand) bei einer "normalen Diode" eine teilweise beträchtliche Verlustleistung. Das lässt sich einfach ausrechnen. Diese Idealen Dioden sind jedenfalls ursprünglich für einen komplett anderen Einsatzzweck "entwickelt" worden.
Wie gesagt nur meine Meinung.
-
Peter51
- Beiträge: 6534
- Registriert: Sa 6. Aug 2011, 10:04
- Roller: E-Max 90s, E-Max 110s, E-Max 120s
- PLZ: 2
- Kontaktdaten:
Re: E-Retro Blei Umbau auf LFP
In der Tat sind die 0V Dioden nur für den Solarbereich geeignet. Als Entkopplungsdioden für 2 Akkus sind sie nicht geeignet.
Die grüne LED zeigt Power on bzw. Ladeende an..Die rote Led. zeigt an das ein Ladestrom fließt. Hat ein Zellstrang über 3,6V sperrt das Jikong Bms den Ladeport und es brennt nur noch die grüne LED.
Die grüne LED zeigt Power on bzw. Ladeende an..Die rote Led. zeigt an das ein Ladestrom fließt. Hat ein Zellstrang über 3,6V sperrt das Jikong Bms den Ladeport und es brennt nur noch die grüne LED.
E-Max 90s von 2012 - Vmax>46km/h - km-Stand >5150 - 16x Littokala 51,2V 105Ah = 5kWh. JK-B1A24S15P - Sevcon Gen4
E-Max 110s von 2010 - Vmax>50km/h - km-Stand >1.800 - 4x Littokala 72V 50Ah = 14,4kWh
E-Max 120s von 2015 - Vmax 80km/h - TÜV 03.2026 - 72V100Ah LFP-Akku - JK-B2A24S15P Balancer BT - MQ Controller BT
E-Max 110s von 2010 - Vmax>50km/h - km-Stand >1.800 - 4x Littokala 72V 50Ah = 14,4kWh
E-Max 120s von 2015 - Vmax 80km/h - TÜV 03.2026 - 72V100Ah LFP-Akku - JK-B2A24S15P Balancer BT - MQ Controller BT
-
Dieter F.
- Beiträge: 27
- Registriert: Mi 28. Jan 2026, 14:45
- Roller: Nova Motors E-Retro 45er
- PLZ: 48
- Kontaktdaten:
Re: E-Retro Blei Umbau auf LFP
Das ist mir schon klar, dass es sich um eine FET Ersatzschaltung handelt und auch deren Funktion. Ich habe heute mal in meiner Elektronikerkiste gewühlt und tatsächlich eine Schottky in dieser Größenordnung gefunden. Die Messung ergab fast einen Volt Verlustspannung. Die Diode wurde gut Handwarm aber das ist nicht zielführend, alsdann müsste ich die LG Schlussspannung korrigieren. Der Blick in den LG zeigt verbaute Festwerte!
Ich schließe so mein Projekt ab und belasse es so wie es ist. Nichts ist perfekt!
Ich schließe so mein Projekt ab und belasse es so wie es ist. Nichts ist perfekt!
Gruss Dieter F.
E-Retro Bauj.2021 Blei, 2025 für ne Kiste Bier bekommen, umgebaut auf zwei je. 20S/20Ah LFP Rundzellen, Redundant ~2,6kW Leistung. Ladeleistung >1,3kw/h oder halbe Leistung. 64V Nennspannung
E-Retro Bauj.2021 Blei, 2025 für ne Kiste Bier bekommen, umgebaut auf zwei je. 20S/20Ah LFP Rundzellen, Redundant ~2,6kW Leistung. Ladeleistung >1,3kw/h oder halbe Leistung. 64V Nennspannung
- E-Bik Andi
- Beiträge: 2073
- Registriert: Mo 3. Jul 2023, 13:32
- Roller: EH Line Umbau, Econelo DTR
- PLZ: 72
- Kontaktdaten:
Re: E-Retro Blei Umbau auf LFP
Hi Peter,Peter51 hat geschrieben: Do 26. Mär 2026, 17:45 Das kannst du dir sparen. Auch bei getrenntem Reports werden diese im Akku mit dem Hauptstrom zusammen geführt.
Beide Akkus haben ein bidirektonales BMS. Selbst wenn du nur mit einem LG lädts sind nach Ladeende beide Akkus voll...
so ganz kann ich es nicht unterschreiben, da ich gerade jetzt nach dem Winter mit nur einem Ladegerät anscheinend zum erst mal das Phänomen hatte, dass einer der drei Akkus auf ca. 20% Kapazität war, und die anderen beiden voll geladen.Das wäre mir gar nicht aufgefallen, da ich 67V auf dem Display meines Frankenstein Scooters hatte. Alles drei Akkus sind paralell verschalten. Meine Theorie ist jetzt, dass das Ladegerät abschaltet, sobald die Ladeendspannung eines Akkus erreicht ist. Manche Lader springen ohne Netztrennung nicht neu an, wenn nicht auch das BMS des vollsten Akkus in die Abschaltung geht. Im Grunde müsste man bei einem programmierbaren BMS die Ladeendspannung leicht unter der des Ladegerätes einstellen. Sonst ist die Disbalance anscheinend nicht zu vermeiden. Festgestellt habe ich es nur, weil der Roller unter Vollast abschaltete, aber 67V auf dem Display standen. In meinen Augen wäre es besser, nicht jeden Akku mit einem BMS zu steuern, sondern alle Akkus über ein großes, zentrales BMS.
Bei dieter mit zwei ladern wäre es sinnvoll, vor dem Laden die Verbindung des Outputs der zwei Akkus zu trennen.
Liebe Grüße
Andi
Andi
-
Peter51
- Beiträge: 6534
- Registriert: Sa 6. Aug 2011, 10:04
- Roller: E-Max 90s, E-Max 110s, E-Max 120s
- PLZ: 2
- Kontaktdaten:
Re: E-Retro Blei Umbau auf LFP
Das Parallelschalten von Akkus wird seit 10 Jahren im Forum heftig diskutiert. Ist ein BMS deiner 3 Akkus gesperrt, wird dieser nicht geladen. Derzeit fahre ich nur mit zwei 72V 50Ah NCM Akkus. Damit ein Akku den anderen laden kann müssen die Charge bzw. discharge Ports offen sein. Beim Beschleunigen laufen mehr als 150A über die beiden 32A Leitungsschutzschalter....
Derzeit blinkt mein SVMC72150 26-mal. Die Fehlertabelle sagt Brake. Die Bremshebelschalter schalten einwandfrei. Der Seitenständerschalter geht bei mir auf Brake L....
Darum muss ich mich erst einmal kümmern.
.
Derzeit blinkt mein SVMC72150 26-mal. Die Fehlertabelle sagt Brake. Die Bremshebelschalter schalten einwandfrei. Der Seitenständerschalter geht bei mir auf Brake L....
Darum muss ich mich erst einmal kümmern.
.
E-Max 90s von 2012 - Vmax>46km/h - km-Stand >5150 - 16x Littokala 51,2V 105Ah = 5kWh. JK-B1A24S15P - Sevcon Gen4
E-Max 110s von 2010 - Vmax>50km/h - km-Stand >1.800 - 4x Littokala 72V 50Ah = 14,4kWh
E-Max 120s von 2015 - Vmax 80km/h - TÜV 03.2026 - 72V100Ah LFP-Akku - JK-B2A24S15P Balancer BT - MQ Controller BT
E-Max 110s von 2010 - Vmax>50km/h - km-Stand >1.800 - 4x Littokala 72V 50Ah = 14,4kWh
E-Max 120s von 2015 - Vmax 80km/h - TÜV 03.2026 - 72V100Ah LFP-Akku - JK-B2A24S15P Balancer BT - MQ Controller BT
Wer ist online?
Mitglieder in diesem Forum: 0 Mitglieder und 3 Gäste