GSX-R e899 K2
-
Rov
- Beiträge: 733
- Registriert: Mo 13. Feb 2017, 08:48
- Roller: GSX-R e899 K2
- PLZ: 96114
- Kontaktdaten:
Re: GSX-R e899 K2
Habe ja noch ein Ersatzspielzeug und irgendwie hatte ich einfach Bock drauf
Immerhin 43,45km/h Topspeed
https://youtu.be/7rStMTrmRJM
Immerhin 43,45km/h Topspeed
https://youtu.be/7rStMTrmRJM
- MEroller
- Moderator
- Beiträge: 20136
- Registriert: Mo 1. Nov 2010, 22:37
- Roller: Zero S 11kW ZF10.5/erider Thunder (R.I.P)
- PLZ: 7
- Tätigkeit: Entwickler (Traktionsbatterie)
- Kontaktdaten:
Re: GSX-R e899 K2
Zum Schießen
Und das war ja mit reiner Muskelkraft?
Zero S 11kWZF10.5
e-rider Thunder 5000: Ruht in Frieden
e-rider Thunder 5000: Ruht in Frieden
-
Rov
- Beiträge: 733
- Registriert: Mo 13. Feb 2017, 08:48
- Roller: GSX-R e899 K2
- PLZ: 96114
- Kontaktdaten:
Re: GSX-R e899 K2
Jupp, mit reiner Muskelkraft.
Habe auch immer noch Muskelkater in den Oberschenkeln
.
Die Fahrt mit dem Rad heute Morgen zur Arbeit war auch nicht ganz so flott (1:20 für 33km).
Ist aber auch ein extremer Unterschied, ob man nach unten Tritt, oder nach vorne!
Habe auch immer noch Muskelkater in den Oberschenkeln
Die Fahrt mit dem Rad heute Morgen zur Arbeit war auch nicht ganz so flott (1:20 für 33km).
Ist aber auch ein extremer Unterschied, ob man nach unten Tritt, oder nach vorne!
-
Rov
- Beiträge: 733
- Registriert: Mo 13. Feb 2017, 08:48
- Roller: GSX-R e899 K2
- PLZ: 96114
- Kontaktdaten:
Re: GSX-R e899 K2
Die Entscheidung für den neuen Regler ist getroffen aber ich muss noch etwa 2 Monate mit der Bestellung warten,
da der geplante Motor erst damit getestet werden muss.
Dann bekomme ich auch gleich die richtigen Parameter für die SW.
Es wird der SD300 von Scott Drive werden.
Preis/Leistungsmässig absolut unschlagbar!
Ist zwar nicht gerade ein Leichtgewicht mit 16,5kg und auch nicht gerade klein aber eine passende Stelle habe ich bereits gefunden.
da der geplante Motor erst damit getestet werden muss.
Dann bekomme ich auch gleich die richtigen Parameter für die SW.
Es wird der SD300 von Scott Drive werden.
Preis/Leistungsmässig absolut unschlagbar!
Ist zwar nicht gerade ein Leichtgewicht mit 16,5kg und auch nicht gerade klein aber eine passende Stelle habe ich bereits gefunden.
-
dominik
- Beiträge: 3141
- Registriert: Di 11. Dez 2012, 09:12
- Roller: E-Rider Thunder/Masini Extremo / RIP Huari HRTK122
- PLZ: 79
- Tätigkeit: Elektromeister
- Kontaktdaten:
Re: GSX-R e899 K2
Wassergekühlt 800V Nominalspannung und damit dann bis 300kWpeak
bei den 16kg fehlen noch Kühlwasser und die dicken Leitungen, aber wenn juckt das bei Leistugen weit jenseits der 100kW.
Wo soll es den spannungstechnisch hin gehen?
bei den 16kg fehlen noch Kühlwasser und die dicken Leitungen, aber wenn juckt das bei Leistugen weit jenseits der 100kW.
Wo soll es den spannungstechnisch hin gehen?
Masini Extremo Neuaufbau 2021 7,7kwh Li-NMC Fardriver ND721800 400bA 1400pA >30kW
41-72V CC/CV Lader mit 1-4,3kW zu verkaufen 0,6-2,2kg klein, leicht, langlebig, auch im Duo mit 82-144V nutzbar
41-72V CC/CV Lader mit 1-4,3kW zu verkaufen 0,6-2,2kg klein, leicht, langlebig, auch im Duo mit 82-144V nutzbar
-
Rov
- Beiträge: 733
- Registriert: Mo 13. Feb 2017, 08:48
- Roller: GSX-R e899 K2
- PLZ: 96114
- Kontaktdaten:
Re: GSX-R e899 K2
Es sollen nicht mehr wie 750V werden.
Muss jetzt erst einmal wieder auf Federung hinten umbauen und habe mir nun einen speziellen Dämpfer aus den Staaten bestellt: M2.S2
Muss jetzt erst einmal wieder auf Federung hinten umbauen und habe mir nun einen speziellen Dämpfer aus den Staaten bestellt: M2.S2
-
Rov
- Beiträge: 733
- Registriert: Mo 13. Feb 2017, 08:48
- Roller: GSX-R e899 K2
- PLZ: 96114
- Kontaktdaten:
Re: GSX-R e899 K2
Da ich mit der Schwinge nicht wirklich zufrieden bin werde ich sie mir selber bauen (lassen).
Mit dem Design habe ich schon mal angefangen.
Mit dem Design habe ich schon mal angefangen.
-
Rov
- Beiträge: 733
- Registriert: Mo 13. Feb 2017, 08:48
- Roller: GSX-R e899 K2
- PLZ: 96114
- Kontaktdaten:
- MEroller
- Moderator
- Beiträge: 20136
- Registriert: Mo 1. Nov 2010, 22:37
- Roller: Zero S 11kW ZF10.5/erider Thunder (R.I.P)
- PLZ: 7
- Tätigkeit: Entwickler (Traktionsbatterie)
- Kontaktdaten:
Re: GSX-R e899 K2
Das war der einfache Bearbeitungsschritt - die neuen Bürzel da ranmachen wird das kritischere: Schweißen oder Schrauben?
Zero S 11kWZF10.5
e-rider Thunder 5000: Ruht in Frieden
e-rider Thunder 5000: Ruht in Frieden
-
Rov
- Beiträge: 733
- Registriert: Mo 13. Feb 2017, 08:48
- Roller: GSX-R e899 K2
- PLZ: 96114
- Kontaktdaten:
Re: GSX-R e899 K2
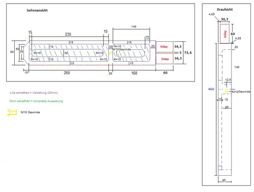
Die Inlays von den Verlängerungen ragen genau 5cm da rein und es wird verschweißt.
Das lasse ich aber machen, da ich selber kein Aluschweißen beherrsche!
Die Schwinge wird in 2 Schritten gebaut.
Erst einmal nur die Extensions rein und verschweßen, dann die Schwinge einbauen und auf den Motolug-Anhänger verfrachten, um zu schauen, wie tief man den Unterzug setzten kann.
Möchte ihn so tief wie möglich setzten, damit es ein besserer Übergang von der VVK wird.
Das lasse ich aber machen, da ich selber kein Aluschweißen beherrsche!
Die Schwinge wird in 2 Schritten gebaut.
Erst einmal nur die Extensions rein und verschweßen, dann die Schwinge einbauen und auf den Motolug-Anhänger verfrachten, um zu schauen, wie tief man den Unterzug setzten kann.
Möchte ihn so tief wie möglich setzten, damit es ein besserer Übergang von der VVK wird.
Wer ist online?
Mitglieder in diesem Forum: 0 Mitglieder und 3 Gäste