Hallo zusammen,
ich plane einen kleinen Umbau meines Scooters als Powerscooter oder so, wobei ich einiges am Rahmen ändern und den tollen Ultra Motor wohl aussondern und auf Nabenmotor wechseln möchte. Forca bietet mittlerweile zwar Umrüstsets mit 2KW(?!) an und auch fertige Fahrzeuge mit demselben Motor, ist mir aber zu schlapp und auch etwas teuer gemessen an der Leistungsfähigkeit. Herr Moser hat mir auch einen 4KW 10" Motor angeboten - vermutlich Golden Motors, obwohl es wohl eher ein 3KW-Motor sein wird mit 4KW-Peak-Power. Ich denk, wenn man die Schwinge verändert, mglw. etwas verlängert hinten, kann man eine 10" Felge mit dickem Reifen drantun.
Leider kenn ich mich mit der ganzen Elektroperiferie nicht so aus, und kenn nur die üblichen Angebote von QuanShan, GM, Zev...Aber einen starken 10" Motor kann ich iwie nicht finden. Er sollte halt möglichst viel Power für starke Beschleunigung haben und mit 48V laufen. Für Topspeed sind 5KW sicher genug, sonst wirds zu Kamikaze-mäßig.
Kennt ihr gute 10" Motoren?
Hub-Motor 10" >3KW
- el bosso
- Beiträge: 1320
- Registriert: Sa 8. Okt 2016, 22:40
- Roller: FORÇA BMS niu N1S Mercane widewheel Segway GT2
- PLZ: 11-95
- Tätigkeit: Boss von Berlin
Big-Booty-Contest-Gewinner-1995 Klein Käckersdorf - Kontaktdaten:
Hub-Motor 10" >3KW
Ben
Sie nannten ihn Mücke
Sie nannten ihn Mücke
- MEroller
- Moderator
- Beiträge: 19889
- Registriert: Mo 1. Nov 2010, 22:37
- Roller: Zero S 11kW ZF10.5/erider Thunder (R.I.P)
- PLZ: 7
- Tätigkeit: Entwickler (Traktionsbatterie)
- Kontaktdaten:
Re: Hub-Motor 10" >3KW
Wenn, dann nur von den genannten Verdächtigen, wobei die Marktführer eher Quan Shun als QuanShan heißen. Kelly hatte auch schon Radnabenmotoren im teuren Angebot...
Zero S 11kWZF10.5
e-rider Thunder 5000: Ruht in Frieden
e-rider Thunder 5000: Ruht in Frieden
- el bosso
- Beiträge: 1320
- Registriert: Sa 8. Okt 2016, 22:40
- Roller: FORÇA BMS niu N1S Mercane widewheel Segway GT2
- PLZ: 11-95
- Tätigkeit: Boss von Berlin
Big-Booty-Contest-Gewinner-1995 Klein Käckersdorf - Kontaktdaten:
Re: Hub-Motor 10" >3KW
Äh blöde Frage: krieg ich da theoretisch die volle Peak-Power raus, wenn ich bei 48V bleibe? QS hat nen Motoli mit bis zu 4/8KW der geht aber bis 96V hoch.
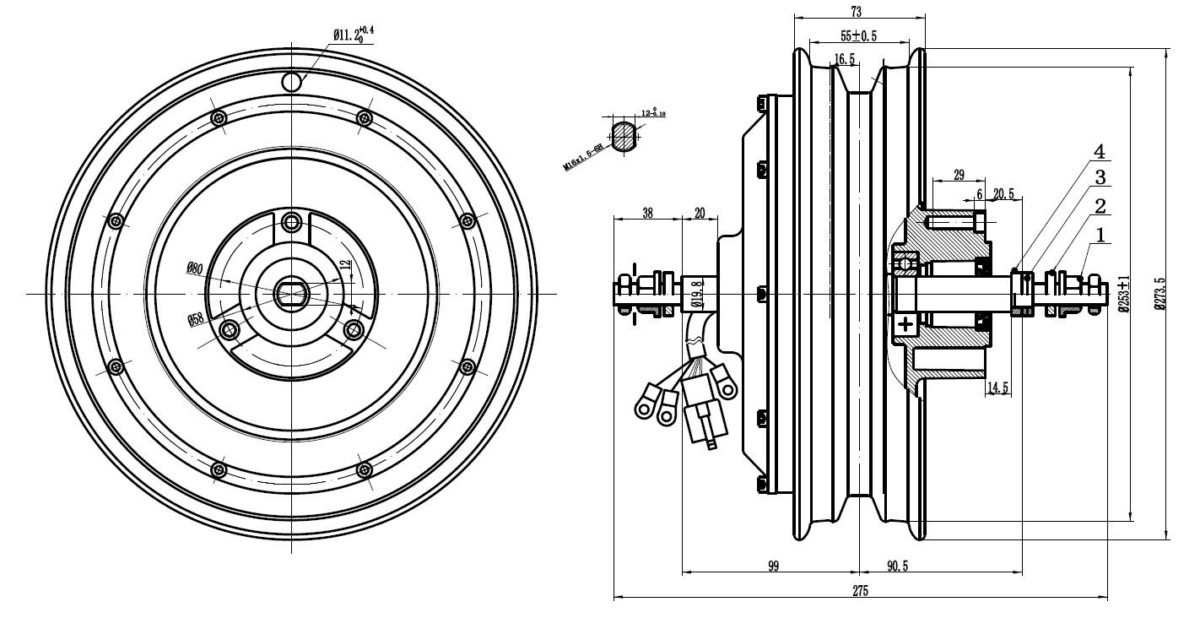
Und ich sehe grad, die Einbaubreite sieht voll breit aus, die Bremsscheibe steht auch viel weiter seitlich ab. Ist das Standardisiert? Hmm.
189,5mm könnte etwa hin kommen.
Aber bei 8KW scheint wohl die Grenze zu sein, mehr Power gibts wohl nicht bei der Größe. Da wär dann wohl ein 12" Motor mit flachen Querschnitt die bessere Wahl.
Hätte ich gar nicht gedacht, dass es so schwierig ist, einen Motor mit etwas Leistung zu finden. Soll ja kein R1 Tretroller sein, aber die Beschleunigung sollte schon spürbar sein und nicht hunderte Meter dauern.
Und ich sehe grad, die Einbaubreite sieht voll breit aus, die Bremsscheibe steht auch viel weiter seitlich ab. Ist das Standardisiert? Hmm.
189,5mm könnte etwa hin kommen.
Aber bei 8KW scheint wohl die Grenze zu sein, mehr Power gibts wohl nicht bei der Größe. Da wär dann wohl ein 12" Motor mit flachen Querschnitt die bessere Wahl.
Hätte ich gar nicht gedacht, dass es so schwierig ist, einen Motor mit etwas Leistung zu finden. Soll ja kein R1 Tretroller sein, aber die Beschleunigung sollte schon spürbar sein und nicht hunderte Meter dauern.
Ben
Sie nannten ihn Mücke
Sie nannten ihn Mücke
-
dreamer291
- Beiträge: 102
- Registriert: Mi 1. Okt 2014, 06:32
- Roller: E-Max 90S Bj. 2010 / E-Max 110S Bj. 2009
- PLZ: 687
- Kontaktdaten:
Re: Hub-Motor 10" >3KW
QS Motor scheint bei 8 KW die Grenze zu ziehen irgendwie, aber das täuscht auch...
wenn der Motor Temperaturüberwacht ist, kann man da Durchaus das 3-fache als Spitzenwert nehmen.
Das sind schon 24KW und reicht für gute Beschleunigung.
Mit ein paar Tricks kann man dem Motor noch mehr abverlangen ohne zu überhitzen also max. 120° wie es QS-Motor z.B. vorgibt.
wenn der Motor Temperaturüberwacht ist, kann man da Durchaus das 3-fache als Spitzenwert nehmen.
Das sind schon 24KW und reicht für gute Beschleunigung.
Mit ein paar Tricks kann man dem Motor noch mehr abverlangen ohne zu überhitzen also max. 120° wie es QS-Motor z.B. vorgibt.
E-Max 90s von 2010 - Vmax = 52km/h - km-Stand = 38.300 - bei 13.156 km auf LiFePo4 umgebaut
E-Max 110s von 2009 - Vmax = 52km/h - km-Stand = 11.780 - nicht angemeldet.
https://www.spritmonitor.de/de/detailan ... 89465.html
https://letyshops.com/de/winwin?ww=9846295
E-Max 110s von 2009 - Vmax = 52km/h - km-Stand = 11.780 - nicht angemeldet.
https://www.spritmonitor.de/de/detailan ... 89465.html
https://letyshops.com/de/winwin?ww=9846295
Wer ist online?
Mitglieder in diesem Forum: 0 Mitglieder und 10 Gäste