E-max 140l

Für alles was mit Akkumulatoren und der Stromspeicherung zu tun hat (Akku Technik Forum)
Antworten
Gluehbert
Beiträge: 695
Registriert: Do 19. Mai 2011, 21:09
Roller: E-max 140L, Vectrix VX-2
PLZ: 26
Kontaktdaten:

E-max 140l

Beitrag von Gluehbert »

Hallo,

der Umbau meines emaxes auf Lithium steht an... Die 90 Ah Akkus sind dank Loloverde und dem ELWEB gut und günstig bei mir angekommen, eigentlich kann es jetzt losgehen, besonders, da sich der zweite Bleiersatz gerade zu verabschieden scheint.

Jetzt habe ich mir natürlich auch reichlich Gedanken gemacht, wie ich die Akkus selbst und natürlich auch den Roller schützen kann, so dass mir nicht am Ende alles in Flammen aufgeht. Das BMS vom City-EL scheint zwar ziemlich gut zu sein, kostet aber leider auch so viel, wie die ganzen Akkus.

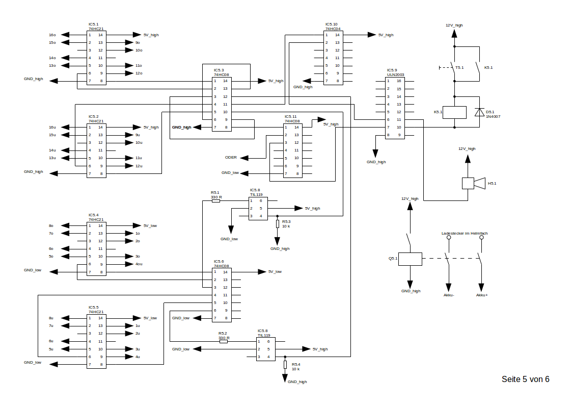
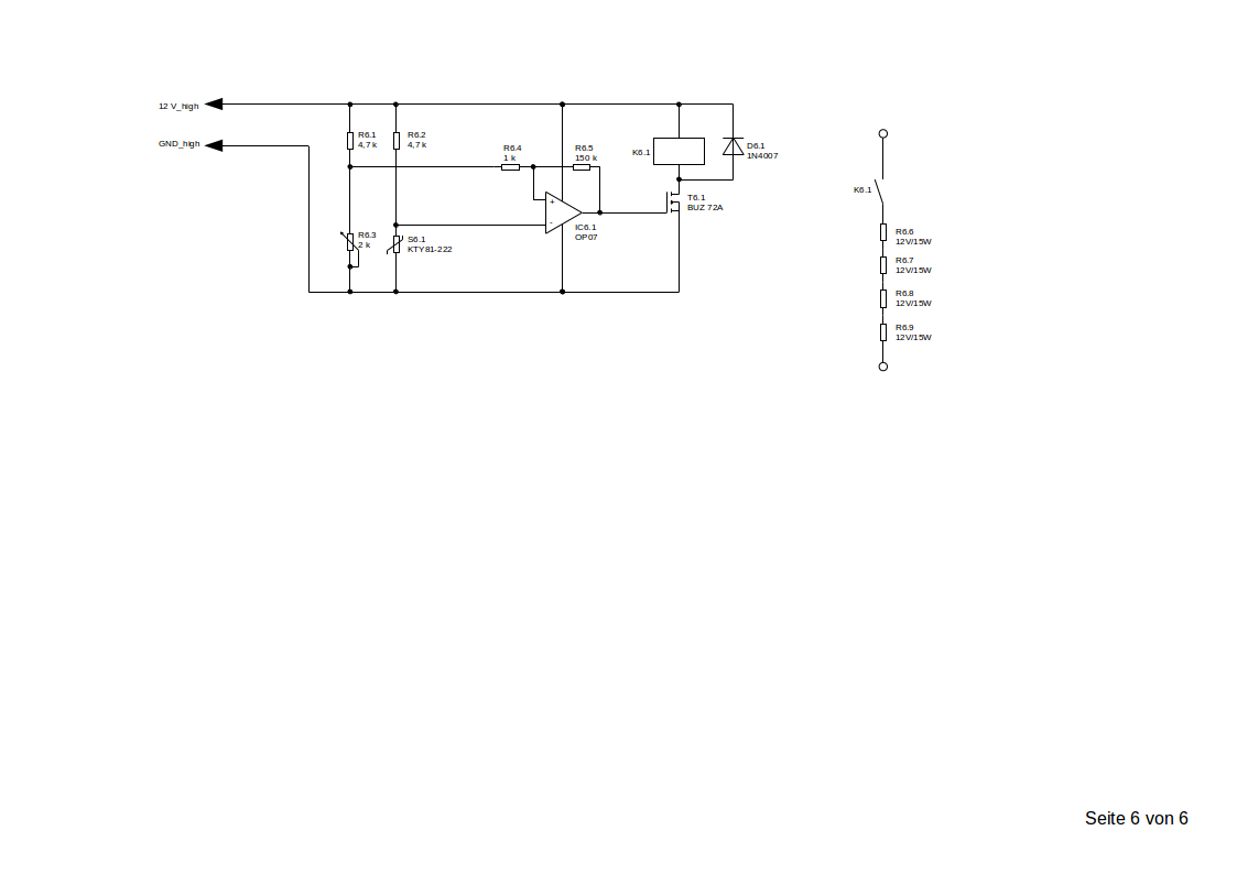
Daher gibts nun eine Sparlösung von mir ohne Mikrocontroller und son Gedöns, dafür mit viel guter Analogtechnik. Teilekosten bei Reichelt liegen um 100 €.
Wenn ihr interesse habt, könnt ihr euch die Pläne ja mal ansehen.

Ziel ist: Abschaltung des Ladens, wenn eine Zelle über 3,8 V - 4 V geht, Abschaltung des Ladens, sobald alle Zellen 3,6 V erreicht haben und Alarm beim Fahren, falls eine Zelle unter 2,5 V zusammenklappt (alle Spannungen über Potis einstellbar).

Achja: Jede Zelle bekommt noch nen Balancer von ev-power mit 1,7 A Last ab 3,6 V bis 3,5 V. Und natürlich kriegt jedes IC in meiner Schaltung nen eigenen
100 uF Kerko, die hab ich nur nicht reingezeichnet zwecks Übersichtlichkeit.
Gluehbert
Beiträge: 695
Registriert: Do 19. Mai 2011, 21:09
Roller: E-max 140L, Vectrix VX-2
PLZ: 26
Kontaktdaten:

Re: E-max 140l

Beitrag von Gluehbert »

Hier die Pläne
Dateianhänge
Akkus 1.1.png
Auswertung.png
Fenster1.png
Heizung.png
Komparator.png
referenz1.png
boris_pch

Re: E-max 140l

Beitrag von boris_pch »

gibt es auch schon bilder vom fertigen bms? mich würde mal die größe interessieren.
Gluehbert
Beiträge: 695
Registriert: Do 19. Mai 2011, 21:09
Roller: E-max 140L, Vectrix VX-2
PLZ: 26
Kontaktdaten:

Re: E-max 140l

Beitrag von Gluehbert »

Nein, das ist noch nicht fertig. Ich mach im Augenblick da auch nur nebenbei dran weiter, die Uni geht vor...
In den Plänen habe ich zwischenzeitlich auch noch Fehler gefunden.
Klein wirds nicht, ich schätze, dass ich 5 Europlatinen 160 mal 100 brauchen werde.
Antworten

Zurück zu „Akkutechnik / Ladetechnik“

Wer ist online?

Mitglieder in diesem Forum: Bing [Bot], Semrush [Bot] und 4 Gäste