eEve / Explorer mit Lithium Akku
-
marc71xxx
- Beiträge: 26
- Registriert: So 27. Mai 2018, 12:36
- Roller: Nova Motors E-F10/eEVE Peugeot Scoot'elec
- PLZ: 71686
- Kontaktdaten:
Re: eEve / Explorer mit Lithium Akku
Hallo Rollergirl,
am Controller sind bei mir die Pinnummern im Stecker eingeprägt. Ich hab mir dann an der weissen Buchse den Pin1 einfach mit einem schwarzen Edding markiert; hilft ungemein beim Zählen.
Zur Referenz kannst Du gerne auch mit meiner Liste viewtopic.php?f=84&t=6482&start=30#p97903 abgleichen. (18,19,20,28 müssten es sein)
Falls die Pins wirklich nicht belegt sind ...
gehen die 4 nötigen Kabel vielleicht auf der Seite bei den dicken leitungen mit raus, oder sind das die Leitungen für die Hall Sensoren (bei der Bleivariante ist das der andere Stecker neben dem 30 poligen.
Hast Du überhaupt schon einen Programmierstecker gesucht?
Komisch finde ich auch den Aufdruck auf dem Controller, bei den Bleiern steht da ZNEN (E-F10) oder UGBEST (eGrace), bei Dir ZHEN.
Ein Clone?
Hast Du eine separate Ladebuchse, oder ein Ladegerät mit dem passenden Spezialstecker für Deinen Akku?
am Controller sind bei mir die Pinnummern im Stecker eingeprägt. Ich hab mir dann an der weissen Buchse den Pin1 einfach mit einem schwarzen Edding markiert; hilft ungemein beim Zählen.
Zur Referenz kannst Du gerne auch mit meiner Liste viewtopic.php?f=84&t=6482&start=30#p97903 abgleichen. (18,19,20,28 müssten es sein)
Falls die Pins wirklich nicht belegt sind ...
gehen die 4 nötigen Kabel vielleicht auf der Seite bei den dicken leitungen mit raus, oder sind das die Leitungen für die Hall Sensoren (bei der Bleivariante ist das der andere Stecker neben dem 30 poligen.
Hast Du überhaupt schon einen Programmierstecker gesucht?
Komisch finde ich auch den Aufdruck auf dem Controller, bei den Bleiern steht da ZNEN (E-F10) oder UGBEST (eGrace), bei Dir ZHEN.
Ein Clone?
Hast Du eine separate Ladebuchse, oder ein Ladegerät mit dem passenden Spezialstecker für Deinen Akku?
- rollergirl
- Beiträge: 45
- Registriert: Do 2. Aug 2018, 11:54
- Roller: Explorer E-Cruzer
- PLZ: 5
- Kontaktdaten:
Re: eEve / Explorer mit Lithium Akku
Supi, den Tipp werd ich morgen im hellen mal ausprobieren.
Danke!!!
Ja, Stecker gesucht aber da scheint nix zu sein.
Und vom Controller geht auch kein 2ter Stecker weg.
Checke das morgen auch nochma auf der Seite mit den Hall Sensoren.
Hab grad im dunklen (hoffe man kann's erkennen) die Fotos der von Dir angefragten Ladebuchsen gemacht.
Eine ist Außen im Fussraum (3adrig):
Und eine (auch 3 adrig) innen fürs Laden bei rausgeholtem AkKu. Oben rechts dann Anschluss in Richtung Controller:
Danke!!!
Ja, Stecker gesucht aber da scheint nix zu sein.
Und vom Controller geht auch kein 2ter Stecker weg.
Checke das morgen auch nochma auf der Seite mit den Hall Sensoren.
Hab grad im dunklen (hoffe man kann's erkennen) die Fotos der von Dir angefragten Ladebuchsen gemacht.
Eine ist Außen im Fussraum (3adrig):
Und eine (auch 3 adrig) innen fürs Laden bei rausgeholtem AkKu. Oben rechts dann Anschluss in Richtung Controller:
-
marc71xxx
- Beiträge: 26
- Registriert: So 27. Mai 2018, 12:36
- Roller: Nova Motors E-F10/eEVE Peugeot Scoot'elec
- PLZ: 71686
- Kontaktdaten:
Re: eEve / Explorer mit Lithium Akku
Alter Falter...
Ladestecker am Akku und Sicherung gleich eingebaut...
Der runde Stecker zum Fzg ist wohl ein Chogori, könnte theoretisch über die dünnen Pins mit dem Fzg kommunizieren...
Aber ich vermute eher nicht.
Ladestecker am Akku und Sicherung gleich eingebaut...
Der runde Stecker zum Fzg ist wohl ein Chogori, könnte theoretisch über die dünnen Pins mit dem Fzg kommunizieren...
Aber ich vermute eher nicht.
-
Dbstromie
- Beiträge: 23
- Registriert: Mo 20. Aug 2018, 18:18
- Roller: Peugeot Jetforce 125
- PLZ: 25557
- Kontaktdaten:
Re: eEve / Explorer mit Lithium Akku
Moin.
Ich bin neu hier im forum.
Mein Name ist Henning und komme aus Schleswig holstein.
Seit einiger Zeit verfolge ich viele Beiträge da ich mir auch einen eroller anschaffen möchte und als Favorit ist es der eve lithium von Nova motors.
Ich würde mich freuen wenn Besitzer dieses rollers mal ihre Erfahrungen posten.das bei dem Preis keine premium Qualität zu erwarten ist ist klar.
Komisch das beim hersteller nur die Blei Variante zu haben ist.
Lg
Ich bin neu hier im forum.
Mein Name ist Henning und komme aus Schleswig holstein.
Seit einiger Zeit verfolge ich viele Beiträge da ich mir auch einen eroller anschaffen möchte und als Favorit ist es der eve lithium von Nova motors.
Ich würde mich freuen wenn Besitzer dieses rollers mal ihre Erfahrungen posten.das bei dem Preis keine premium Qualität zu erwarten ist ist klar.
Komisch das beim hersteller nur die Blei Variante zu haben ist.
Lg
- rollergirl
- Beiträge: 45
- Registriert: Do 2. Aug 2018, 11:54
- Roller: Explorer E-Cruzer
- PLZ: 5
- Kontaktdaten:
Re: eEve / Explorer mit Lithium Akku
Hihi Henning,
hier mal ein unstrukurierter Bericht:
Kann ihn nur mit der kurzen Probefahrt + Inspektion mir n1s vergleichen.
Quali ist okay.
Plastik schleift etwas an den hinteren Stoßdämpfer, kann man aber selbst wegschneiden.
Federung naja ist halt ein Roller mit 12": Feldwege/Schotterpisten/Schlaglöcher mag der nicht.
Lampe vorne wird recht heiss und ruft nach LED Birne.
Alles andere ist LED und Blinker schön hell und auffällig.
Beschleunigung gleich oder vielleicht besser als n1s?
Bremsen sind auch okay aber etwas schlechter.
Handling in Kurven etc trotz des nicht ganz unten liegenden Akkus akteztabel.
Es ist noch massig Platz zum versetzen des Akkus nach unten oder für extra Akku.
Display ist nett, könnte aber noch mehr Anzeigen ( sieht man kurz beim Einschalten).
Rekuperation setzt gut ein, schaltet aber nach circa 5 sekunden ruckartig wieder ab wahrscheinlich beschwert sich das BMS? Bis dahin hat man aber eingentlich auch genug entschleunigt.
Akku wird nicht warm weder beim Laden (ist ja auch nur 250Watt Charger) noch beim Fahren.
Controller wird warm, weil der nicht optimal platziert ist. (Kein/wenig Durchströmem von Luft an den Kühlrippen)
Motor wurde auch mal warm allerdings glaub ich eher von der Sonne (Schwarz) sonst eher lauwarm.
Doku über Controller eher dürftig.
Da ist grad aber ein eigener Thread aufgesetz: viewtopic.php?f=9&t=6675
Reichweite hab ich vor lauter Fahrspaß bisher nicht testen können, weil ich immer vergesse mir den KM Stand nach Vollaufladung zu merken bzw. ihn gleich wieder volllade ohne Akku komplett leer zu saugen um wieder schneller weiterfahren zu können
Soweit, ich bin zufrieden
hier mal ein unstrukurierter Bericht:
Kann ihn nur mit der kurzen Probefahrt + Inspektion mir n1s vergleichen.
Quali ist okay.
Plastik schleift etwas an den hinteren Stoßdämpfer, kann man aber selbst wegschneiden.
Federung naja ist halt ein Roller mit 12": Feldwege/Schotterpisten/Schlaglöcher mag der nicht.
Lampe vorne wird recht heiss und ruft nach LED Birne.
Alles andere ist LED und Blinker schön hell und auffällig.
Beschleunigung gleich oder vielleicht besser als n1s?
Bremsen sind auch okay aber etwas schlechter.
Handling in Kurven etc trotz des nicht ganz unten liegenden Akkus akteztabel.
Es ist noch massig Platz zum versetzen des Akkus nach unten oder für extra Akku.
Display ist nett, könnte aber noch mehr Anzeigen ( sieht man kurz beim Einschalten).
Rekuperation setzt gut ein, schaltet aber nach circa 5 sekunden ruckartig wieder ab wahrscheinlich beschwert sich das BMS? Bis dahin hat man aber eingentlich auch genug entschleunigt.
Akku wird nicht warm weder beim Laden (ist ja auch nur 250Watt Charger) noch beim Fahren.
Controller wird warm, weil der nicht optimal platziert ist. (Kein/wenig Durchströmem von Luft an den Kühlrippen)
Motor wurde auch mal warm allerdings glaub ich eher von der Sonne (Schwarz) sonst eher lauwarm.
Doku über Controller eher dürftig.
Da ist grad aber ein eigener Thread aufgesetz: viewtopic.php?f=9&t=6675
Reichweite hab ich vor lauter Fahrspaß bisher nicht testen können, weil ich immer vergesse mir den KM Stand nach Vollaufladung zu merken bzw. ihn gleich wieder volllade ohne Akku komplett leer zu saugen um wieder schneller weiterfahren zu können
Soweit, ich bin zufrieden
-
Dbstromie
- Beiträge: 23
- Registriert: Mo 20. Aug 2018, 18:18
- Roller: Peugeot Jetforce 125
- PLZ: 25557
- Kontaktdaten:
Re: eEve / Explorer mit Lithium Akku
Vielen dank für deinen Bericht.
Die Daten sind bei atu ja sehr dürftig was das Innenleben angeht.
Bei jedem anbieter scheint ja andere Technik drinnen zu sein.
Mit der Qualität kann ich leben bei dem preis.
Was wiegt denn der akku?
Wäre auch interessant wieviel Kapazität man dem Akku entlocken kann bevor da etwas abriegelt.
Der atu ist es denn auf jeden fall für mich.
Muss nur noch meinen 125 er stinki loswerden.
Ich werde deinen controller fred noch weiter verfolgen.
Ist wirklich sehr interessant.
Die Daten sind bei atu ja sehr dürftig was das Innenleben angeht.
Bei jedem anbieter scheint ja andere Technik drinnen zu sein.
Mit der Qualität kann ich leben bei dem preis.
Was wiegt denn der akku?
Wäre auch interessant wieviel Kapazität man dem Akku entlocken kann bevor da etwas abriegelt.
Der atu ist es denn auf jeden fall für mich.
Muss nur noch meinen 125 er stinki loswerden.
Ich werde deinen controller fred noch weiter verfolgen.
Ist wirklich sehr interessant.
- rollergirl
- Beiträge: 45
- Registriert: Do 2. Aug 2018, 11:54
- Roller: Explorer E-Cruzer
- PLZ: 5
- Kontaktdaten:
Re: eEve / Explorer mit Lithium Akku
Aha, hab den DC DC Wandler entdeckt.
Ist der gleiche wie bei der Bleivariante.
Komischerweise 72V obwohl da nur 60V anliegen können...
Er steckt vorne neben dem Zünschloß.
Ist der gleiche wie bei der Bleivariante.
Komischerweise 72V obwohl da nur 60V anliegen können...
Er steckt vorne neben dem Zünschloß.
- Dirk
- Beiträge: 882
- Registriert: Di 20. Mär 2018, 23:50
- Roller: eRetroStar
- PLZ: 58135
- Wohnort: Hagen
- Kontaktdaten:
Re: eEve / Explorer mit Lithium Akku
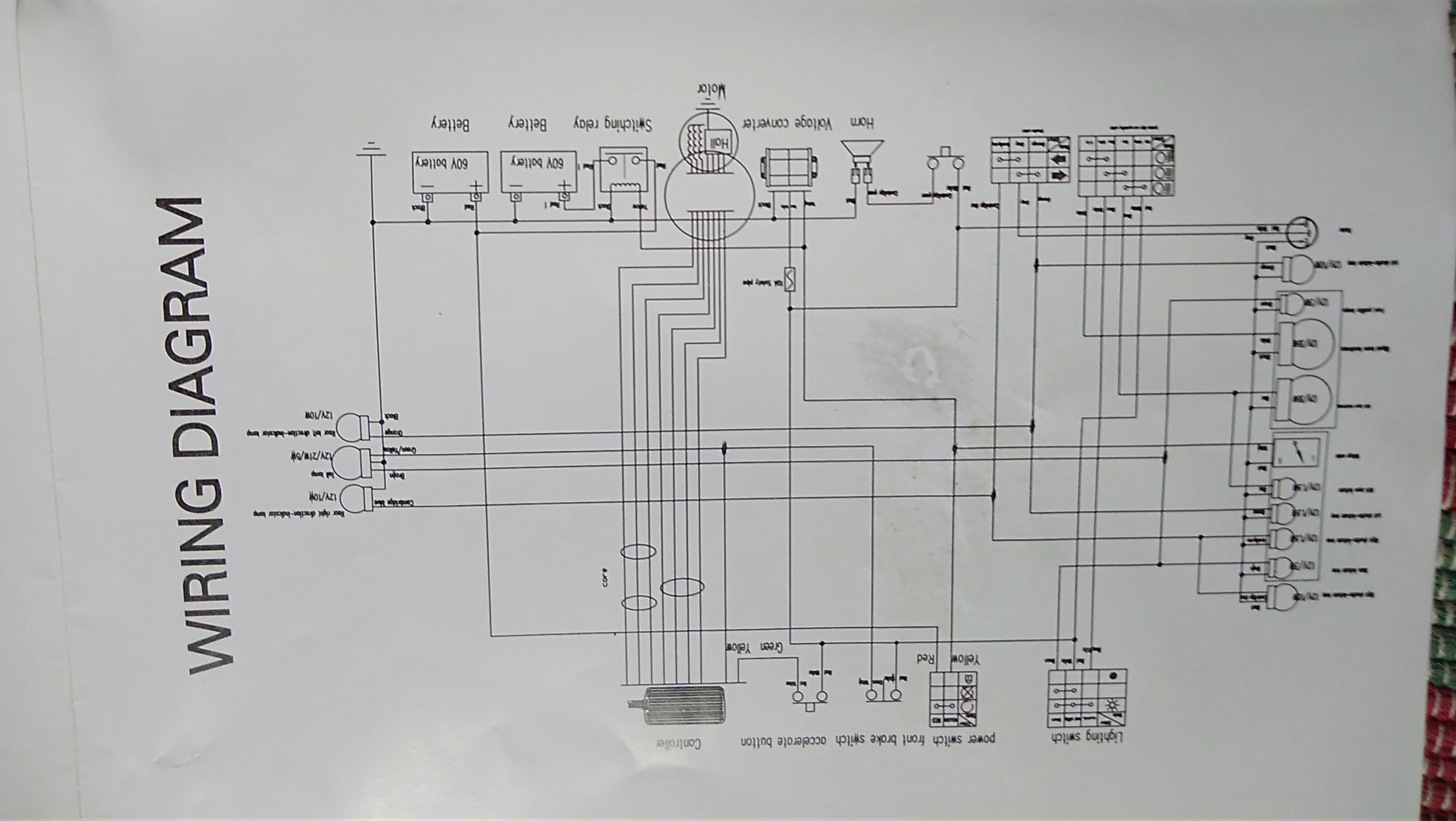
@ Rollergörl
Neuer Versuch, vielleicht geht hier mehr
Neuer Versuch, vielleicht geht hier mehr
- Dirk
- Beiträge: 882
- Registriert: Di 20. Mär 2018, 23:50
- Roller: eRetroStar
- PLZ: 58135
- Wohnort: Hagen
- Kontaktdaten:
Re: eEve / Explorer mit Lithium Akku
Besser wird der Plan leider auch mit einer höheren Auflösung, nicht. Das Original ist teilweise sehr schlecht gedruckt.
Ich hoffe, ich konnte Dir trotzdem weiter helfen.
LG, Dirk
Ich hoffe, ich konnte Dir trotzdem weiter helfen.
LG, Dirk
- rollergirl
- Beiträge: 45
- Registriert: Do 2. Aug 2018, 11:54
- Roller: Explorer E-Cruzer
- PLZ: 5
- Kontaktdaten:
Re: eEve / Explorer mit Lithium Akku
Perfekt! Danke Dirk!
Heute bei Sonne 21°C hab ich mal den Akku auf einer Rundtour von ca.95% (Hab aufgehört zu laden als das 275W Netzteil nur noch 100Watt geladen hat.) bis 1% leergesaugt.
Hier das Ergebnis:
So in etwas hatte ich das auch erwartet.
Entspricht:
1.08kWh/41km = ca 26Wh/km.
Effizienz ist also ziemlich gut wenn's denn stimmt...
Dabei gibt der Roller bis zum Schluß alles und regelt nicht ab.
Negativ ist aber das er die 45km/h auch eigentlich meist nicht erreicht sondern bei 40km/h rumdümpelt.
Heute bei Sonne 21°C hab ich mal den Akku auf einer Rundtour von ca.95% (Hab aufgehört zu laden als das 275W Netzteil nur noch 100Watt geladen hat.) bis 1% leergesaugt.
Hier das Ergebnis:
So in etwas hatte ich das auch erwartet.
Entspricht:
1.08kWh/41km = ca 26Wh/km.
Effizienz ist also ziemlich gut wenn's denn stimmt...
Dabei gibt der Roller bis zum Schluß alles und regelt nicht ab.
Negativ ist aber das er die 45km/h auch eigentlich meist nicht erreicht sondern bei 40km/h rumdümpelt.
Wer ist online?
Mitglieder in diesem Forum: Dot [Bot], Majestic-12 [Bot] und 7 Gäste