e-vivacity - Licht geht nicht mehr aus - Schaltplan ?
- MEroller
- Moderator
- Beiträge: 19338
- Registriert: Mo 1. Nov 2010, 22:37
- Roller: Zero S 11kW ZF10.5/erider Thunder (R.I.P)
- PLZ: 7
- Tätigkeit: Entwickler (Traktionsbatterie)
- Kontaktdaten:
Re: e-vivacity - Licht geht nicht mehr aus - Schaltplan ?
Zero S 11kWZF10.5
e-rider Thunder 5000: Ruht in Frieden
e-rider Thunder 5000: Ruht in Frieden
-
Peter51
- Beiträge: 6501
- Registriert: Sa 6. Aug 2011, 10:04
- Roller: E-Max 90s, E-Max 110s, E-Max 120s
- PLZ: 2
- Kontaktdaten:
Re: e-vivacity - Licht geht nicht mehr aus - Schaltplan ?
Vom Gesetzgeber ist es ja vorgegeben, dass man mit Abblendlicht fahren muß. Bei meinen Rollern habe ich links einen Umschalter Abblendlicht/Fernlicht und rechts einen Lichtschalter Standlicht, Abblendlicht, Fernlicht oder so ähnlich.
E-Max 90s von 2012 - Vmax>46km/h - km-Stand >5150 - 16x Littokala 51,2V 105Ah = 5kWh. JK-B1A24S15P - Sevcon Gen4
E-Max 110s von 2010 - Vmax>50km/h - km-Stand >1.800 - 4x Littokala 72V 50Ah = 14,4kWh
E-Max 120s von 2015 - Vmax 80km/h - TÜV 03.2026 - 72V100Ah LFP-Akku - JK-B2A24S15P Balancer BT - MQ Controller BT
E-Max 110s von 2010 - Vmax>50km/h - km-Stand >1.800 - 4x Littokala 72V 50Ah = 14,4kWh
E-Max 120s von 2015 - Vmax 80km/h - TÜV 03.2026 - 72V100Ah LFP-Akku - JK-B2A24S15P Balancer BT - MQ Controller BT
-
Hubert08
- Beiträge: 3
- Registriert: Mi 27. Mär 2019, 18:48
- Roller: Peugeot e-vivacity
- PLZ: 6
- Kontaktdaten:
habs vermutlich gefunden
Hallo nochmal,
so wie es aussieht habe ich den Fehler gefunden ... und zwar die Kontakte im Zündschloss, eine Reparatur / Tausch steht noch aus. Die Zündung hat ein Kontaktpaar für "ein" und ein weiteres Kontaktpaar für "aus" und bei diesem ist wohl eine Kontaktschwäche gegeben. Es gibt also ein aktives "aus"
! Wenn der Schalter korrekt gebrückt ist schaltet das Licht auch korrekt ab !
Die Suchfunktion bzgl. des Schaltplans habe ich selbstverständlich als allererstes verwendet, als Ergebnis gab es aber nur andere Leute, die auch einen Plan suchen oder Hinweise auf jemanden, der wohl einen Plan hat, den man aber mangels PN nicht anmailen kann ...
Für mich hat es sich im Moment mal erledigt (hoffe ich jedenfalls).
Ich habe tatsächlich nur einen Umschalter für Fernlicht / Abblendlicht, das Fahrlicht mit Rücklicht geht immer beim Einschalten der Zündung an.
Grüsse
so wie es aussieht habe ich den Fehler gefunden ... und zwar die Kontakte im Zündschloss, eine Reparatur / Tausch steht noch aus. Die Zündung hat ein Kontaktpaar für "ein" und ein weiteres Kontaktpaar für "aus" und bei diesem ist wohl eine Kontaktschwäche gegeben. Es gibt also ein aktives "aus"
Die Suchfunktion bzgl. des Schaltplans habe ich selbstverständlich als allererstes verwendet, als Ergebnis gab es aber nur andere Leute, die auch einen Plan suchen oder Hinweise auf jemanden, der wohl einen Plan hat, den man aber mangels PN nicht anmailen kann ...
Für mich hat es sich im Moment mal erledigt (hoffe ich jedenfalls).
Ich habe tatsächlich nur einen Umschalter für Fernlicht / Abblendlicht, das Fahrlicht mit Rücklicht geht immer beim Einschalten der Zündung an.
Grüsse
-
Evolution
- Moderator
- Beiträge: 7253
- Registriert: So 7. Feb 2016, 15:04
- Roller: Vormals Vectrix VX-2 und E-Max 80L
- PLZ: 41564
- Kontaktdaten:
Re: e-vivacity - Licht geht nicht mehr aus - Schaltplan ?
Bei dem Vectrix VX-2 ist es nichts anders. Auch hier gibt es links einen Schalter zwischen Fern-und Abblendlicht, einen Ausschalter aber nicht. Man muss also schon ins Eingemachte gehen, dh. das Handbuch studieren, um die Lösung zu finden.
Im Handbuch steht auf Englisch auf Seite 3.11:
Turn Lights Off in Daytime Running Light
• Power ON/OFF switch in the OFF position.
• Press and release the flash-to-pass switch three
(3) times.
• Three (3) horn chirps will be heard. Both headlight
beams will be turned OFF.
• Any change in switch position will re-enable both
beams.
Blinklicht im Tagfahrlicht ausschalten
- Ein-/Ausschalter in der Position OFF.
- Drücken und lassen Sie den Flash-to-Pass-Schalter drei los.
(3) mal.
- Es ertönen drei (3) Hornzirpse. Beide Scheinwerfer
werden ausgeschaltet.
- Jede Änderung der Schalterstellung führt zur erneuten Aktivierung beider Funktionen.
Balken.
Im Handbuch steht auf Englisch auf Seite 3.11:
Turn Lights Off in Daytime Running Light
• Power ON/OFF switch in the OFF position.
• Press and release the flash-to-pass switch three
(3) times.
• Three (3) horn chirps will be heard. Both headlight
beams will be turned OFF.
• Any change in switch position will re-enable both
beams.
Blinklicht im Tagfahrlicht ausschalten
- Ein-/Ausschalter in der Position OFF.
- Drücken und lassen Sie den Flash-to-Pass-Schalter drei los.
(3) mal.
- Es ertönen drei (3) Hornzirpse. Beide Scheinwerfer
werden ausgeschaltet.
- Jede Änderung der Schalterstellung führt zur erneuten Aktivierung beider Funktionen.
Balken.
- MEroller
- Moderator
- Beiträge: 19338
- Registriert: Mo 1. Nov 2010, 22:37
- Roller: Zero S 11kW ZF10.5/erider Thunder (R.I.P)
- PLZ: 7
- Tätigkeit: Entwickler (Traktionsbatterie)
- Kontaktdaten:
Re: habs vermutlich gefunden
Noch zwei Nachrichten hier schreiben, dann kannst Du PN's schreibenHubert08 hat geschrieben: ↑Do 28. Mär 2019, 16:46Die Suchfunktion bzgl. des Schaltplans habe ich selbstverständlich als allererstes verwendet, als Ergebnis gab es aber nur andere Leute, die auch einen Plan suchen oder Hinweise auf jemanden, der wohl einen Plan hat, den man aber mangels PN nicht anmailen kann ...
Zero S 11kWZF10.5
e-rider Thunder 5000: Ruht in Frieden
e-rider Thunder 5000: Ruht in Frieden
-
thokal
- Beiträge: 3
- Registriert: Mo 8. Okt 2018, 22:35
- Roller: e-vivacity
- PLZ: 86368
- Kontaktdaten:
Re: e-vivacity - Licht geht nicht mehr aus - Schaltplan ?
-----------------------------------------------------------------------------------------------------------------------------------------------------------------------------
SCHALTPLAN bitte bitte SCHALTPLAN bitte bitte SCHALTPLAN bitte bitte SCHALTPLAN bitte bitte SCHALTPLAN bitte bitte SCHALTPLAN bitte bitte
-----------------------------------------------------------------------------------------------------------------------------------------------------------------------------
Wäre jemand hier bitte so lieb und sendet mir den Schaltplan vom e-Vivacity per PN zu. Ich hab hier 2 e-vivacity rumstehen und möchte wenigstens einen wieder zum Laufen bringen. Die beiden sevcons hatten einen leichten wasserschaden, welchen ich hoffentlich behoben habe.
Akku ist geladen die Sicherungen sind alle drin, nur wird mir nix auf dem Display angezeigt nach Zündung und Startknopf.
Vor der sevcon reparatur ging das mal alles aber das ist auch schon 2 Jahre her. Die Akkus sind vollgeladen.
Vielleicht habe ich etwas vergessen anzuschließen, aber ohne Schaltplan machts keinen Spaß.
Bitte Bitte
Danke .-)
SCHALTPLAN bitte bitte SCHALTPLAN bitte bitte SCHALTPLAN bitte bitte SCHALTPLAN bitte bitte SCHALTPLAN bitte bitte SCHALTPLAN bitte bitte
-----------------------------------------------------------------------------------------------------------------------------------------------------------------------------
Wäre jemand hier bitte so lieb und sendet mir den Schaltplan vom e-Vivacity per PN zu. Ich hab hier 2 e-vivacity rumstehen und möchte wenigstens einen wieder zum Laufen bringen. Die beiden sevcons hatten einen leichten wasserschaden, welchen ich hoffentlich behoben habe.
Akku ist geladen die Sicherungen sind alle drin, nur wird mir nix auf dem Display angezeigt nach Zündung und Startknopf.
Vor der sevcon reparatur ging das mal alles aber das ist auch schon 2 Jahre her. Die Akkus sind vollgeladen.
Vielleicht habe ich etwas vergessen anzuschließen, aber ohne Schaltplan machts keinen Spaß.
Bitte Bitte
Danke .-)
-
Evolution
- Moderator
- Beiträge: 7253
- Registriert: So 7. Feb 2016, 15:04
- Roller: Vormals Vectrix VX-2 und E-Max 80L
- PLZ: 41564
- Kontaktdaten:
Re: e-vivacity - Licht geht nicht mehr aus - Schaltplan ?
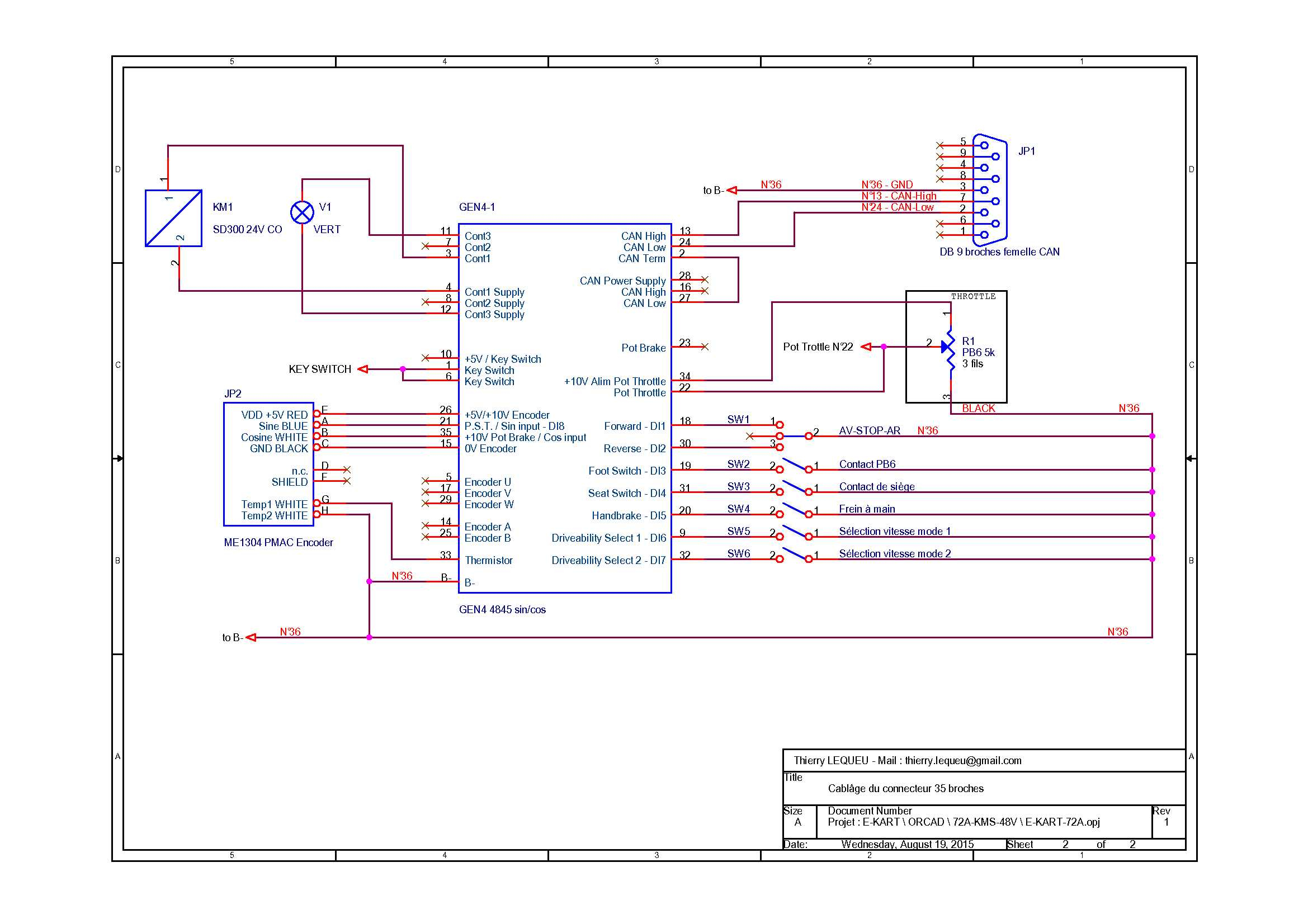
Ich habe mal im Französischen Forum rumgeschnüffelt. Und hier ist der Schaltplan:
-
Peter51
- Beiträge: 6501
- Registriert: Sa 6. Aug 2011, 10:04
- Roller: E-Max 90s, E-Max 110s, E-Max 120s
- PLZ: 2
- Kontaktdaten:
Re: e-vivacity - Licht geht nicht mehr aus - Schaltplan ?
https://drive.google.com/drive/folders/ ... EmnbF4nhXP Ich habe da ein Verdacht: Lichtschalter.
E-Max 90s von 2012 - Vmax>46km/h - km-Stand >5150 - 16x Littokala 51,2V 105Ah = 5kWh. JK-B1A24S15P - Sevcon Gen4
E-Max 110s von 2010 - Vmax>50km/h - km-Stand >1.800 - 4x Littokala 72V 50Ah = 14,4kWh
E-Max 120s von 2015 - Vmax 80km/h - TÜV 03.2026 - 72V100Ah LFP-Akku - JK-B2A24S15P Balancer BT - MQ Controller BT
E-Max 110s von 2010 - Vmax>50km/h - km-Stand >1.800 - 4x Littokala 72V 50Ah = 14,4kWh
E-Max 120s von 2015 - Vmax 80km/h - TÜV 03.2026 - 72V100Ah LFP-Akku - JK-B2A24S15P Balancer BT - MQ Controller BT
-
Evolution
- Moderator
- Beiträge: 7253
- Registriert: So 7. Feb 2016, 15:04
- Roller: Vormals Vectrix VX-2 und E-Max 80L
- PLZ: 41564
- Kontaktdaten:
Re: e-vivacity - Licht geht nicht mehr aus - Schaltplan ?
Controller:
A few quick remarks on the SEVCON GEN4 number 91 side:
- green wire on the -BAT: common GND ground.
- pin 1: 48V supply from GEN4
- pin 16: CAN High - RS Rose
- pin 27: CAN Low - RS-BA Pink White
- pin 33: motor temperature sensor
- pin 15: OV of the motor encoder
- pin 35: cos motor encoder input
- pin 21: sin motor encoder input
- pin 26: + 5V / + 10V motor encoder power supply
and that's it! The drive is controlled via the CAN bus. ROSE and ROSE-WHITE must be twisted (with the -BAT GND?).
The 45-2 socket provides access to the CAN bus of the SEVCON GEN4 (for programming via a PC + USB-to-CAN + software DVTC).
A few quick remarks on the SEVCON GEN4 number 91 side:
- green wire on the -BAT: common GND ground.
- pin 1: 48V supply from GEN4
- pin 16: CAN High - RS Rose
- pin 27: CAN Low - RS-BA Pink White
- pin 33: motor temperature sensor
- pin 15: OV of the motor encoder
- pin 35: cos motor encoder input
- pin 21: sin motor encoder input
- pin 26: + 5V / + 10V motor encoder power supply
and that's it! The drive is controlled via the CAN bus. ROSE and ROSE-WHITE must be twisted (with the -BAT GND?).
The 45-2 socket provides access to the CAN bus of the SEVCON GEN4 (for programming via a PC + USB-to-CAN + software DVTC).
-
Evolution
- Moderator
- Beiträge: 7253
- Registriert: So 7. Feb 2016, 15:04
- Roller: Vormals Vectrix VX-2 und E-Max 80L
- PLZ: 41564
- Kontaktdaten:
Re: e-vivacity - Licht geht nicht mehr aus - Schaltplan ?
und damit du den Schaltplan auch verstehst, hier noch die Legende dazu:
Wer ist online?
Mitglieder in diesem Forum: 0 Mitglieder und 11 Gäste