Und noch´n Kabelsalat

Motorroller mit E-Antrieb
Antworten
Zimbow

Und noch´n Kabelsalat

Beitrag von Zimbow »

Moin Leute.
Auch ich habe es endlich geschafft und einen Schlachtroller ergattert (für mein Messerschmitt-Projekt, ihr erinnert Euch). :D
Aber bevor ich als Greenhorn dann mal die Trennscheibe ansetze, werde ich (mit Eurer Hilfe) erst mal meine Erfahrungen mit dem Roller sammeln.
Es handelt sich um einen Solar-Scooter Sport von der Solar Mobil GmbH. Ohne Akkus, ohne BMS und ohne 12V Wandler.

Ich habe erst mal die Hardware etwas instand gesetzt (abgebrochener Bremshebel, Federbeine ausgetauscht etc.). Als nächstes würde ich ihn gerne mal mit einem Satz Bleiakkus (aus Notstormgeräten) zum Leben erwecken (weis das ich damit nicht weit komme, muss aber für die LiFePo´s noch sparen).
Doch mit Strom hab ichs irgendwie nicht so :( , Dinge die ich nicht sehe, fallen mir schwer zubegreifen ...
Der Vorbesitzer ist zwar sehr hilfreich und versorgt mich auch recht gut mit Info´s. Aber er hat ja auch Stress im Beruf und Familie, sodas ich Ihn nicht dauernd mit meinen Problemen löchern möchte (das mach ich doch lieber mit Euch :roll: ).

Ich müsste wissen welche Kabel für was zuständig sind? Zu diesem Zweck habe ich mal 2 Bildchen eingestellt und die Kabel nummeriert. So das eine oder andere kann ich mir schon vorstellen, aber es bleiben doch viele Fragen offen:
Wo kommt der 12V Wandler dran, wo das Ladegerät (und was ist am Ladegerät plus und minus, blau/braun)?
Kabelsalat
Kabelsalat
Also:
Nr.1 könnte Batterie Pus sein.
Nr.2 könnte Batterie Minus sein?
Nr.3 dünneres rotes Kabel?
Nr. 4/5 dünne schwarze Kabel?
Nr. 6/7 schwarzer Stecker mit Kabel rot/grün?
Ladegerät
Ladegerät
Ich würde gerne diese grauen Stecker von den Batterien weiter nutzen - ist das OK?

Ich denke mit Eurer Hilfe bekomme ich das Ding sicher wieder zum laufen :P also schon mal Danke das es dieses Forum gibt ....

Gruß
Zimbow aus Groß Zimmern
Benutzeravatar
Joehannes
Beiträge: 3419
Registriert: So 22. Feb 2009, 12:32
PLZ: 9645
Wohnort: Oberfranken
Kontaktdaten:

Re: Und noch´n Kabelsalat

Beitrag von Joehannes »

Hallo erst mal.
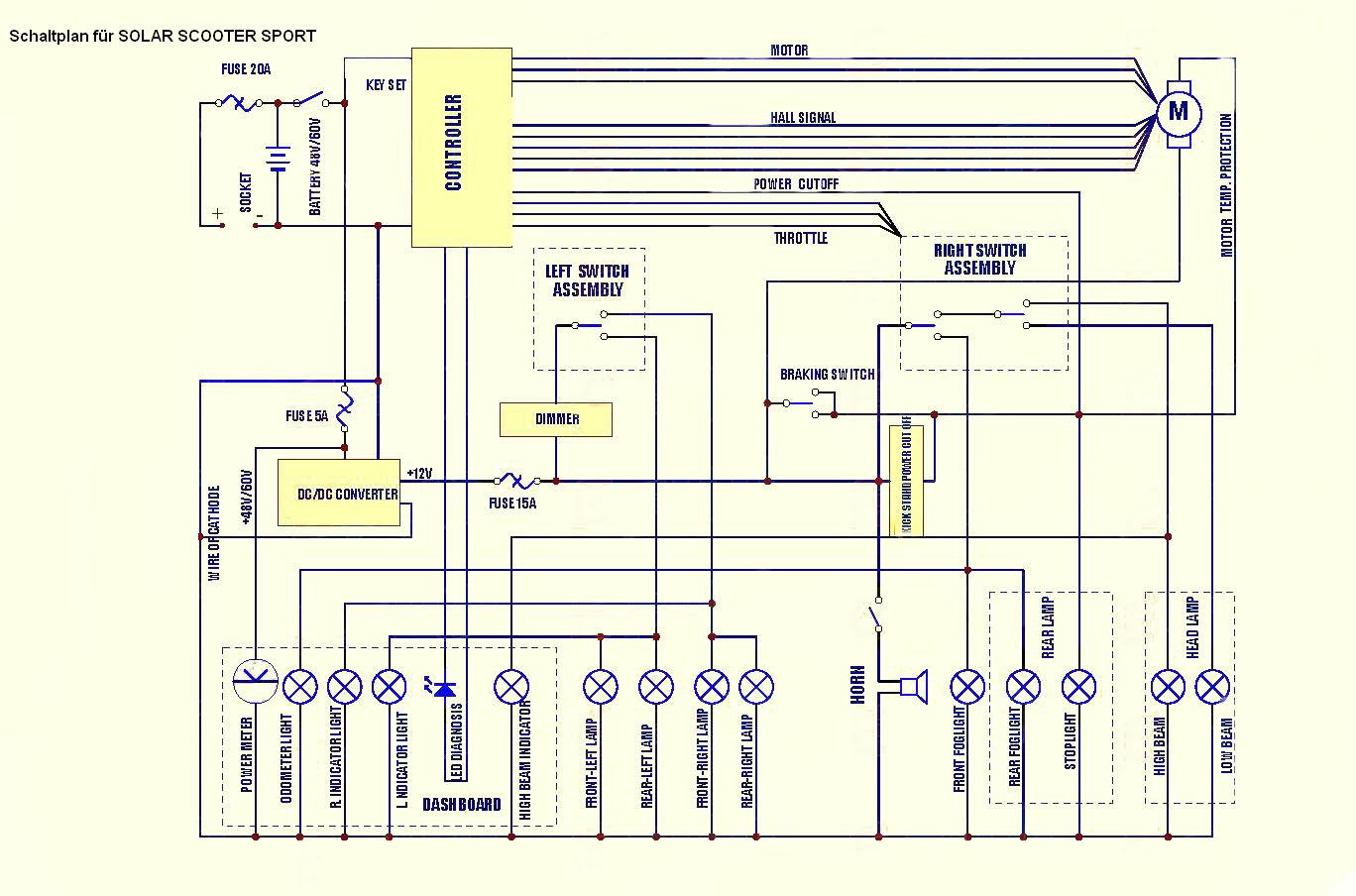
Das wir so schlecht was werden. Die Bilder sind recht klein. Ohne Schaltplan wird das wohl nix.
Einen Schaltplan findest Du, ich glaube bei faktor.de. Ob es der gleiche Roller war bin ich mir
jetzt nicht sicher. Ansonsten googeln.

Das Ladegerät mal messen. Da kann man sich auf die Farben nicht verlassen. Farben sind relativ.
Kabel von wo und wohin ist hier die Frage. Das wird schon.
Zimbow

Re: Und noch´n Kabelsalat

Beitrag von Zimbow »

Ahh, Du meist so was
Ansschlussplan
Ansschlussplan
... hilft mir aber auch nicht weiter. Also Kabel verfolgen wo die hin gehen .... :(

Gruß
Zimbow
Benutzeravatar
MEroller
Moderator
Beiträge: 20131
Registriert: Mo 1. Nov 2010, 22:37
Roller: Zero S 11kW ZF10.5/erider Thunder (R.I.P)
PLZ: 7
Tätigkeit: Entwickler (Traktionsbatterie)
Kontaktdaten:

Re: Und noch´n Kabelsalat

Beitrag von MEroller »

Ich kann zumindest zu 8/9 vom Ladegerät was sagen: das ist eindeutig die Netzseite, sprich was von der Steckdose kommt, und da ist sowieso Wechselstrom angesagt und die Polung somit wurscht. Diese Ladegeräte haben keinen Schutzleiter...
Und der dicke Sicherungsautomat sitzt direkt zwischen Batterie Pluspol (wahrscheinlich 1) und Pluspol für den Controller, wo ich aber das zuständige Kabel nicht entdecken kann.
Der DC/DC-Wandler sollte vom Zündschloss kommend mit Batteriespannung versorgt werden, und ab geht es zweipolig in den 12V Stromkreis. Bei diesen Rollern wird die Batterie- und 12V Masse beim DC/DC-Wandler zusammengeschlossen sein, vielleicht hilft das bei der Kabelzuordnung. Und außerdem dürfte in beiden Kabeln jeweils ein Kästchen mit Schmelzsicherung drin verbaut sein.
Und ja, größere Bilder aus verschiednenen Blickwinkeln würden sicher helfen bei der Zuordnungsfindung.
Zero S 11kWZF10.5
e-rider Thunder 5000: Ruht in Frieden
Zimbow

Re: Und noch´n Kabelsalat

Beitrag von Zimbow »

Danke schon mal, gemeinsam schafen wir das ...

Die Kabel vom Netzteil sind NICHT! die Netzseite. Denn der Netzstecker befindet sich ja noch am anderen Ende des Ladegerätes - sonst hätte ich diese beiden (blau/braun) nicht als Foto dargestellt.

Aber Ihr habt recht, werde morgen bessere Bilder machen und noch mehr Verkeidungsteile entfernen um zu sehen wo die Kabel hin gehen.

Gruß Zimbow
Benutzeravatar
MEroller
Moderator
Beiträge: 20131
Registriert: Mo 1. Nov 2010, 22:37
Roller: Zero S 11kW ZF10.5/erider Thunder (R.I.P)
PLZ: 7
Tätigkeit: Entwickler (Traktionsbatterie)
Kontaktdaten:

Re: Und noch´n Kabelsalat

Beitrag von MEroller »

Zimbow hat geschrieben:Die Kabel vom Netzteil sind NICHT! die Netzseite. Denn der Netzstecker befindet sich ja noch am anderen Ende des Ladegerätes - sonst hätte ich diese beiden (blau/braun) nicht als Foto dargestellt.
Jetzt bin ich aber etwas geschockt :shock: Ich habe ZWEI von diesen Ladegeräten, und bei beiden ist links die Netzseite (mit Sicherungshalter) und rechts die Batterieseite mit dem aufgeschraubten Lüftergitter.
Entweder ist Dein Ladegerät falsch rum zusammengebaut (das sollte tatsächlich möglich sein, denn es gibt am Gehäuse nichts, was das verhindern würde), oder der Kabelverlauf in Deinem Bild ist anders, als es den Anschein hat:
Bild
Aus meiner Sicht kommt das Kabel links raus und verläuft in einem 270°-Bogen im Gegenuhrzeigersinn um das Gehäuse, verschwindet kurz unter einem anderen Kabel und macht dann über dem Gehäuse die 360° voll.
Den Farben nach ist das tatsächlich das Batteriekabel, aber bezüglich der Polung ist es vielleicht sichererer, die Austrittsseite des Kabels mal abzuschrauben und auf der Platine zu schauen, was da daraufsteht.
Bei meiner von unten fotografierten Platine ist das braune Kabel rechts unten +, und das blaue, das darüber abgeht ist - , also so, wie es Alfred geschrieben hat:
Bild
Zero S 11kWZF10.5
e-rider Thunder 5000: Ruht in Frieden
Benutzeravatar
Alfons Heck
Beiträge: 1904
Registriert: Sa 28. Jan 2012, 21:24
Roller: Naxeon I AM pro + Elmoto Loop + My Esel E-Tour Komfort
PLZ: 60385
Wohnort: Frankfurt am Main - OT Bornheim
Kontaktdaten:

Re: Und noch´n Kabelsalat

Beitrag von Alfons Heck »

MEroller hat geschrieben:Und der dicke Sicherungsautomat sitzt direkt zwischen Batterie Pluspol (wahrscheinlich 1)
da fehlt uns noch das Gegenstück. Ein dickes Kabel für den -Pol der Batterie. Such mal weiter und mach Photos mit höherer Auflösung oder kleineren Ausschnitten. So kann man nichts erkennen.


Gruß
Alfons.
Naxeon I AM pro --- Elmoto Loop --- My Esel E-Tour Komfort --- seit 2015: Zoe + Kangoo HECKelektro-Shop.de

...Dosenbier und Kaviar...
Zimbow

Re: Und noch´n Kabelsalat

Beitrag von Zimbow »

Man man man, ist das mit dem Strom kompliziert.

Gebt mir mal noch das Wochenende, da demontier ich das Teil und mache genauere Fotos - auch vom Ladegerät.

Gruß Zimbow
titanusmann

Re: Und noch´n Kabelsalat

Beitrag von titanusmann »

Kabel 1 Rot gehört an Batterie plus!
Kabel 2 Schwarz ist Batterie minus!
Dünn Rot gehört auch an Batterie plus
Dünn Schwarz gehört an Batterie minus.
Der schwarze Stecker gehört zur Ladebuchse ( Steckdose) fürs Ladegerät! Kann man zur not auch eine Kaltgeräte-Steckerkombination nehmen.
Die 2 Dünnen Kabel Rot Schwarz sind die Ladekabel für den Akku!

Alles ganz einfach! Der DC /DC Wandler sitzt bei Deinem Roller neben der Lenksäule unter dem Tacho! ;)
titanusmann

Re: Und noch´n Kabelsalat

Beitrag von titanusmann »

8 und 9 ist nicht die Netzseite sonder +/- 60 Volt ! Der Netzstecker ist ja am anderen Kabel ! Ich habe hier einen Kaltgeräte-Stecker verbaut! Am besten das Gehäuse des
Ladegerätes einseitig aufschrauben Auf der Platine ist + und - gekennzeichnet! ;)
Antworten

Zurück zu „Elektroroller“

Wer ist online?

Mitglieder in diesem Forum: Majestic-12 [Bot], Trendiction [Bot] und 9 Gäste