Hawk 3000 Li startet nicht mehr nach Umfall

Für Roller von Futura, zb Hawk, Classico, Elettrico und Roller der Marke Sunra
dsiroma40547
Beiträge: 2
Registriert: Mi 24. Mär 2021, 18:42
Roller: Hawk 3000 Li
PLZ: 40547
Kontaktdaten:

Hawk 3000 Li startet nicht mehr nach Umfall

Beitrag von dsiroma40547 »

Hallo an Alle. Ich bin neue auf dem Forum :) Ich habe gerade ein Problem mit mein Hawk 3000Li von 2018:
Ein Tag ist mir aufgefahlen dass den Tempomat sich mit Bremsen nicht desaktivieren könnte. So bald dass ich die Bremse weg lasste, ist den Roller voll gas alleine gefahren. Ich bin trotzdem mit gefahren und 5 mininuten später am Rote Ampel, als ich gestoppt war, habe ich mein hand von die Bremse weg genohmen.

Ich bin sofort in der Stossfänger einem Auto gelandet. Ca 2m un 10kmh.

Seit dem, startet den Eroller nicht mehr. Display klapt aber er fährt nicht mehr.

Frage: gibt es irgendwelche sicherungen die mit Umfall oder blockiedte räder sich aktivieren ? Haben Sie ähnliche Probleme gehabt oder eine Ahnung woher dieses Probleme kommen könnte?
Benutzeravatar
didithekid
Beiträge: 7189
Registriert: So 6. Mai 2018, 06:15
Roller: div. L3e-Roller (80-97 km/h), ZERO SR/F
PLZ: 53757
Wohnort: Sankt Augustin - Menden
Tätigkeit: Ingenieur im Staatsdienst
Kontaktdaten:

Re: Hawk 3000 Li startet nicht mehr nach Umfall

Beitrag von didithekid »

Hallo,
die einfachste Erklärung, die mir da (außer der Fahrstrom-Sicherung) einfallen würde, ist dass der Schalter am Seitenständer (der bei ausgeklapptem Ständer den Motor unterbricht) bei dem Umfaller beschädigt/verdreht wurde und "Seitenständer hoch" jetzt nicht mehr in den Fahrmodus zurückschaltet.
Könnte natürlich auch mit beschädigten Bremsschaltern (an den Bremshebeln) zu tun haben, die genauso (mit Motor aus) auslösen, wenn die Bremse gezogen wird.
Vor dem Umfaller wurde (weil immer auf Vollgas) der Motor ja offenbar auch mit den Bremshebel-Schaltern an/aus geschaltet. Auch da könnte nach dem Umfaller ein Schalter so stehen, das der losgelassene Bremshebel nicht mehr auf "Motor An" schaltet.
Warum der Tempomat geklemmt hat, ist dann das nächste Problem.
Viele Grüße
Didi
Zuletzt geändert von didithekid am Do 25. Mär 2021, 23:57, insgesamt 1-mal geändert.
__________________________________________________________________________________________________________________________Thunder-Fury100/ MASINI Sportivo S (2010, 2011, 2012) 5kW, Innoscooter EM6000L 5kW (2011), ZERO SR/F 17.3 (2023)
dsiroma40547
Beiträge: 2
Registriert: Mi 24. Mär 2021, 18:42
Roller: Hawk 3000 Li
PLZ: 40547
Kontaktdaten:

Re: Hawk 3000 Li startet nicht mehr nach Umfall

Beitrag von dsiroma40547 »

Danke Didi für ihre Antwort. Ich habe Heute Nachmittag die Seitenständer unmonitored und manuell gedreht, ohne Erflog: der Roller fährt nicht. Die Bremshebeln sehen auch in Ordnung aus. Unter den Scooter ist nichs beschädickt. Nur die Verkleidung vorne.

Fahrstrom-Sicherung: Ich gehe davon aus, dass wenn dass Display etwas Zeigt, alles von dieser Seite in Ordnung ist ?
Gibt es auch andere Sicherungen / Schmelzdraht für den Motor, controller, usw. ?

Ich vermutte dass, als ich das Auto "vollgas" getroffen habe, dass den Rad hintern - eine kurtze Zeit blockiert war. Ich kann mich gut vorstellen dass eine Höhe Strom in der elektrische Schaltung geflossen ist. Vielleicht ist da ein andere elektrische Komponent / Sicherung beschädigt ?
Benutzeravatar
mombi
Beiträge: 255
Registriert: Mi 16. Okt 2019, 21:30
Roller: Nova Motors Eretro Star; Trinity Uranus R 2020 Performance
PLZ: 97
Kontaktdaten:

Re: Hawk 3000 Li startet nicht mehr nach Umfall

Beitrag von mombi »

dsiroma40547 hat geschrieben: Do 25. Mär 2021, 18:31 .... dass den Rad hintern - eine kurtze Zeit blockiert war. Ich kann mich gut vorstellen dass eine Höhe Strom in der elektrische Schaltung geflossen ist. Vielleicht ist da ein andere elektrische Komponent / Sicherung beschädigt ?

Wenn der Controller elektronisch abgeschalten hat könnte es auch helfen den Roller vom Strom zu nehmen (Akku abstöpseln oder Hauptschalter aus) etwas warten und dann wieder bestromen. Das wirkt wie ein Reset.
Ein Versuch ist es wert.
Wieso laufen? Habe doch zwei gesunde Reifen!
Benutzeravatar
Fasemann
Beiträge: 3793
Registriert: Sa 14. Okt 2017, 22:05
Roller: Nova eretro, Tisto Luna, Unu Rebell
PLZ: 21614
Wohnort: Buxtehude
Tätigkeit: Kann so ziemlich vieles
Kontaktdaten:

Re: Hawk 3000 Li startet nicht mehr nach Umfall

Beitrag von Fasemann »

Bremslichtkontakte und Seitenständer sollten normal das Bremslicht schalten, wenn da was nicht stimmt. Alles Mal stromlos machen und das Hinterrad auf eine andere Position stellen kann auch schon helfen.
Von 2017 an 2x GoE zusammen mit 25 Tkm verkauft 4/24.
Nova E-Retro Star exBlei aus 2020, ab 02/24 und ab1000 km mit Lithium, hat 10 000km weg.
4/24 Tisto Luna mit 700 km eingezogen, neue Akkus 9/25 und los gehts.
3/25 UNU aus 2016 mit 1960 km und kleinem Diebstahlschaden, komplett überholt.
Benutzeravatar
didithekid
Beiträge: 7189
Registriert: So 6. Mai 2018, 06:15
Roller: div. L3e-Roller (80-97 km/h), ZERO SR/F
PLZ: 53757
Wohnort: Sankt Augustin - Menden
Tätigkeit: Ingenieur im Staatsdienst
Kontaktdaten:

Re: Hawk 3000 Li startet nicht mehr nach Umfall

Beitrag von didithekid »

Hallo,

wenn ich richtig verstanden habe, hat die Schutzschalter-Sicherung nicht ausgelöst (und offenbar hängt beim HAWK das Display da mit dran).
Das Bremslich ist offenbar auch nicht ständig an, oder?
Die Überstrom-Abschaltung des Controllers sollte (z. B. auch an einem hohen Bordstein) eigentlich nicht gleich zu einem bleibenden Schaden führen.
Um auszuschließen, dass der Akku durch den Stoß oder Stromstoß gelitten hat, könnte die Messung der Ladespannung helfen. Unter 63 Volt könnte der Controller abgeschaltet haben, das Display aber damit noch gehen. Vermutlich sind aber noch 70-80 Volt messbar. Dann läge es daran schon mal nicht.
Ein abgerissenes Kabel z. B. Einschalt-Spannung des Controllers könnte natürlich auch verantwortlich sein.

Viele Grüße
Didi
__________________________________________________________________________________________________________________________Thunder-Fury100/ MASINI Sportivo S (2010, 2011, 2012) 5kW, Innoscooter EM6000L 5kW (2011), ZERO SR/F 17.3 (2023)
Benutzeravatar
Prinz_von_Sinnen
Beiträge: 1406
Registriert: So 21. Feb 2021, 11:45
Roller: Futura Hawk 2.0
PLZ: 32312
Kontaktdaten:

Re: Hawk 3000 Li startet nicht mehr nach Umfall

Beitrag von Prinz_von_Sinnen »

Ich denke da sollte Grundsätzlich jemand mit einem Multimeter auf die Suche gehen, der weis was er da macht.
Suup wat kloar is,
segg wat woar is,
frie wat dor is
sklathome
Beiträge: 3
Registriert: Do 10. Jun 2021, 15:40
Roller: Hawk 3000 Blei/Gel >= Li
PLZ: 63165
Kontaktdaten:

Re: Hawk 3000 Li startet nicht mehr nach Umfall

Beitrag von sklathome »

Hallo,
Ich weiß, das Thema ist schon sehr lange her, aber gab es hierzu eine Lösung?

Ich habe ähnliches Problem, allerdings nicht nach einem Unfall.
Bei mir fuhr der Roller plötzlich ohne Gas zu geben mit ca. 20 km/h und hielt auch nur mit bremsen an. Nachdem ich stehen geblieben bin, ging nichts mehr.
Anzeige, Licht, Bremslicht alles normal, also kein blockierter Bremsschalter oder so.
Beim Gasgeben reagiert der Motor nicht mehr.
Erster Verdacht der Controller, diesen ausgetauscht brachte keine Änderung,
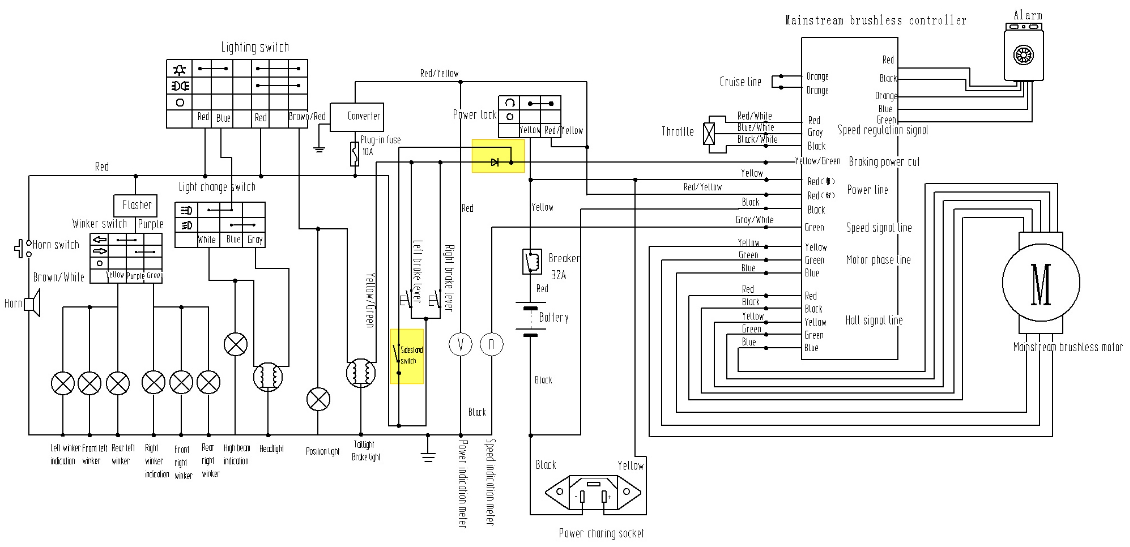
Seitenständer scheint auch ok zu sein. Wenn ich dem Schaltbild trauen kann, ist der Ständer nach einer Diode vom Bremsschalter direkt am Controller, habe dementsprechend alles durchgemessen. Allerdings zeigt die Änderung der Position des Seitenständers keine Änderung am Eingang des Controllers.
Der Motor, die Wicklungen scheinen auch okay, habe da so meine prüfmetode. Kann es sein dass die Rückmeldung der Motorsensorik ein Problem hat?

Hat irgend jemand noch eine Idee, Gasgriff oder so, wie kann ich den zuverlässig prüfen oder hatte schon mal jemand ähnliche Probleme?

Hier noch mal mein Schaltplan:

Hawk3000_shematic_side_stand.jpg

Gruß Stefan sklatnome
Benutzeravatar
conny-r
Beiträge: 2651
Registriert: Mo 29. Aug 2022, 09:21
Roller: E-ECONELO DTR 35Ah/50 kmh
PLZ: 3616.
Kontaktdaten:

Re: Hawk 3000 Li startet nicht mehr nach Umfall

Beitrag von conny-r »

Hallo Stefan,

Danke für das gute Schaltbild, ich kann Dir aber leider nicht helfen.
Gruß Conny
Benutzeravatar
berni51
Beiträge: 78
Registriert: Fr 4. Jun 2021, 18:11
Roller: Nova-Motors eRetro Star, Falter E-Bike
PLZ: 35305
Kontaktdaten:

Re: Hawk 3000 Li startet nicht mehr nach Umfall

Beitrag von berni51 »

Also ich hatte schon einen defekten Gasdrehgriff (an einem anderen e-Roller). Weil ich den mit meinen Messmöglichkeiten nicht prüfen kann, hab ich mir schnell so ein Universalteil von Amazon schicken lassen, und so empirisch ermittelt, dass der Griff die Ursache war.

Der Amazon-Griff ist immer noch in Betrieb. Es ist dieser hier: https://www.amazon.de/dp/B08ZDNBBQJ/ref ... F9kZXRhaWw

LG
Berni
The good old days may not return, and the rocks might smelt and the sea may burn.
(Tom Petty in "Learning to fly")
Antworten

Zurück zu „Futura / Sunra“

Wer ist online?

Mitglieder in diesem Forum: 0 Mitglieder und 45 Gäste