Rolektro BT 250

Antworten
rainer

Rolektro BT 250

Beitrag von rainer »

Hallo zusammen, bin neu hier und möchte mich hiermit :D vorstellen
Habe seid längerer Zeit einen Rolektro BT 250. Durch Zufall kam jetzt ein zweiter gebrauchter BT 250 hinzu :lol:
Leider läuft er nicht :cry: Batterie ist geladen,wenn Zündung an ist leuchten alle 4 Lampen im Display, Licht und Hupe funktionieren, nur wenn ich Gas gebe keine Reaktion auf dem Motor! Motor ist heil!
Kann mir einer sagen wodran es liegt?
Mit freundlichen Grüßen Rainer
gervais
Beiträge: 1362
Registriert: Di 30. Mär 2010, 09:26
PLZ: 3
Kontaktdaten:

Re: Rolektro BT 250

Beitrag von gervais »

Wenn Deine LED beim Gasgeben verlöschen, ist Deine Batterie platt, bzw. deren Verbindung zum Controller schlecht. Schliesse ein Voltmeter an die Batterien an und schaue ob die Spannung fällt. Ist das so, entsorge sie. Weitere Möglichkeit: Gasgriff defekt, Controller defekt, Motor defekt...oder die Verkabelung, Hauptsicherung unterbrochen, korrodiert...Mehr gibt meine Glaskugel nicht her.
Nenjo

Re: Rolektro BT 250

Beitrag von Nenjo »

Hallo Leute, Ich bin auch neu und wollte mich mal direkt in's Thema einhaken.

Ich habe nähmlich exakt das selbe Problem wie der Kollege hier. Alles läuft, leuchtet und hupt - nur der Motor möchte sich nicht drehen.
Habe ihn schon mal direkt angeschlossen und er funktioniert. Irgendwie fehlt da eine Art Freigabe (oder der Gashebel bzw. Hallschalter ist/war defekt - hab ihn ein mal zuviel angefasst und ist mir dann abgebrochen... )

Die Stütze ist eingeklappt und der Kontakt schaltet durch. Am Stecker vom Motot kommt keine Spannung an. Akku ist voll.
Den Stecker für das Rücklicht hab ich mal abgestöpselt, weil ich da was gelesen hatte, aber auch nix. Hab dann die Steuereinheit aufgeschraubt, aber da hab ich absolut keinen Überblick was ich da jetzt so messen könnte. Hatte allerdings die 12V an der Ecke da gemessen, weil einige oft noch geschrieben haben das der Spannungswandler defekt wäre. Schwarzen Brandstellen konnte ich keine endecken.

Kann da eventuell jemand recht spontan helfen?

Und ich hätte zu dem Hallschalter noch eine Frage, da ich ihn jetzt neu kaufen muss da alle Kontakte abgebrochen sind. Welcher Typ und Spannung wären das bei diesem, und auf welche Kontakte hat man die 3 Adern aufgelegt (Rot,Schwarz,Weiß) ?

Ich wäre euch unendlich dankbar,

mfg. Nenjo
Benutzeravatar
Harry
Beiträge: 2140
Registriert: Di 21. Jun 2011, 21:08
Roller: Citycoco LM-SC14 / Shansu e-Trike CP-7
PLZ: 49479
Wohnort: Ibbenbüren
Kontaktdaten:

Re: Rolektro BT 250

Beitrag von Harry »

Hallo Nenjo,

Die Wahrscheinlichkeit ist sehr groß, dass Dein Controller defekt ist.

Gasgebeeinheit
Vielleicht hilft Dir das Foto vom Hallgeber weiter.
IMG_2088a.jpg
Gruß Harry
Nenjo

Re: Rolektro BT 250

Beitrag von Nenjo »

Danke dir für die Antwort,

Ich würde jetzt einfach das Steuergerät und die komplette Gasgebeeinheit von dem Ersatzteil-Shop von Rolektro bestellen wollen. Nur gibt's da ja wieder verschiedene Versionen von beidem.

Habe den Roller gebrauch gekauft und nicht wirklich irgendwelche Aufzeichnungen um welchen Jahrgang es sich jetzt bei dem Roller genau handelt.
Bei dem Steuergerät gibts es ja zb. BT250 - Steuergerät ALT ; Modell 09/2011 ; Ches-A, 09/12 usw. - auf dem verbautem stand jetzt nur folgendes drauf - LN:100528-0500 und SN:0454 . Habe dazu aber bisher keine Übereinstimmungen im Internet gefunden.
Welches sollte man da jetzt nehmen?

Und bei der Gasgebeeinheit gibt es auch nochmal eine Version die die Bezeichnung "Ches-A" beinhaltet. Was genau bedeuetet das?

Ich bedanke mich schonmal,
Nenjo

___________

Steuergerät - http://www.rolektro.com/webshop/scripts ... 50&page=13
Gasgeber - http://www.rolektro.com/webshop/scripts ... 250&page=5

___________

Ok, Anrufen bei der Service-Hotline ging dann doch schneller. :)

Modell 09/2011 Steuergerät; wegen des 6-poligen Tachosteckers sowie durch das nicht vorhanden sein von Steckverbindungen zur Hupe/Licht.

Und den Gasgeber gibts nur noch mit der Bezeichnung Ches-A - Hier ist dann selber löten angesagt.
Skysurfy
Beiträge: 14
Registriert: Do 9. Jun 2016, 17:42
Roller: Rolektro 500w 20kmh
PLZ: 44867
Wohnort: Bochum
Kontaktdaten:

Re: Rolektro BT 200

Beitrag von Skysurfy »

Hallo das gleiche habe ich auch batterie ist voll. Lich vorne geht . Blinker nicht rücklicht nicht. Und motor dreht nicht. Problem das der roller mal geklaut wurde und ich den dann wieder bekommen habe und alles ankabel abgezogen wurde. Klar passen die stecker am steuergerät nur einmal aber da sind noch 3 stecker 3 polig die naja passen aber die farbe von den kabeln zu dem anderen stecker kabelfarbe nicht. Und egal wie ich was zusammen stecke passiert nichts vom motor. Dann ist da noch eine etwas kleinerw box dort passt der stecker mit der sicherung rein. Weil sonst habe ich da keine andere erklärung. Hat jemand nen schaltplan oder eventuell bilder welche stecker wo draufkommen.
Benutzeravatar
MEroller
Moderator
Beiträge: 20121
Registriert: Mo 1. Nov 2010, 22:37
Roller: Zero S 11kW ZF10.5/erider Thunder (R.I.P)
PLZ: 7
Tätigkeit: Entwickler (Traktionsbatterie)
Kontaktdaten:

Re: Rolektro BT 250

Beitrag von MEroller »

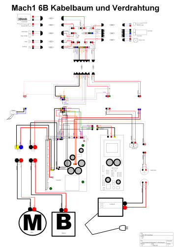
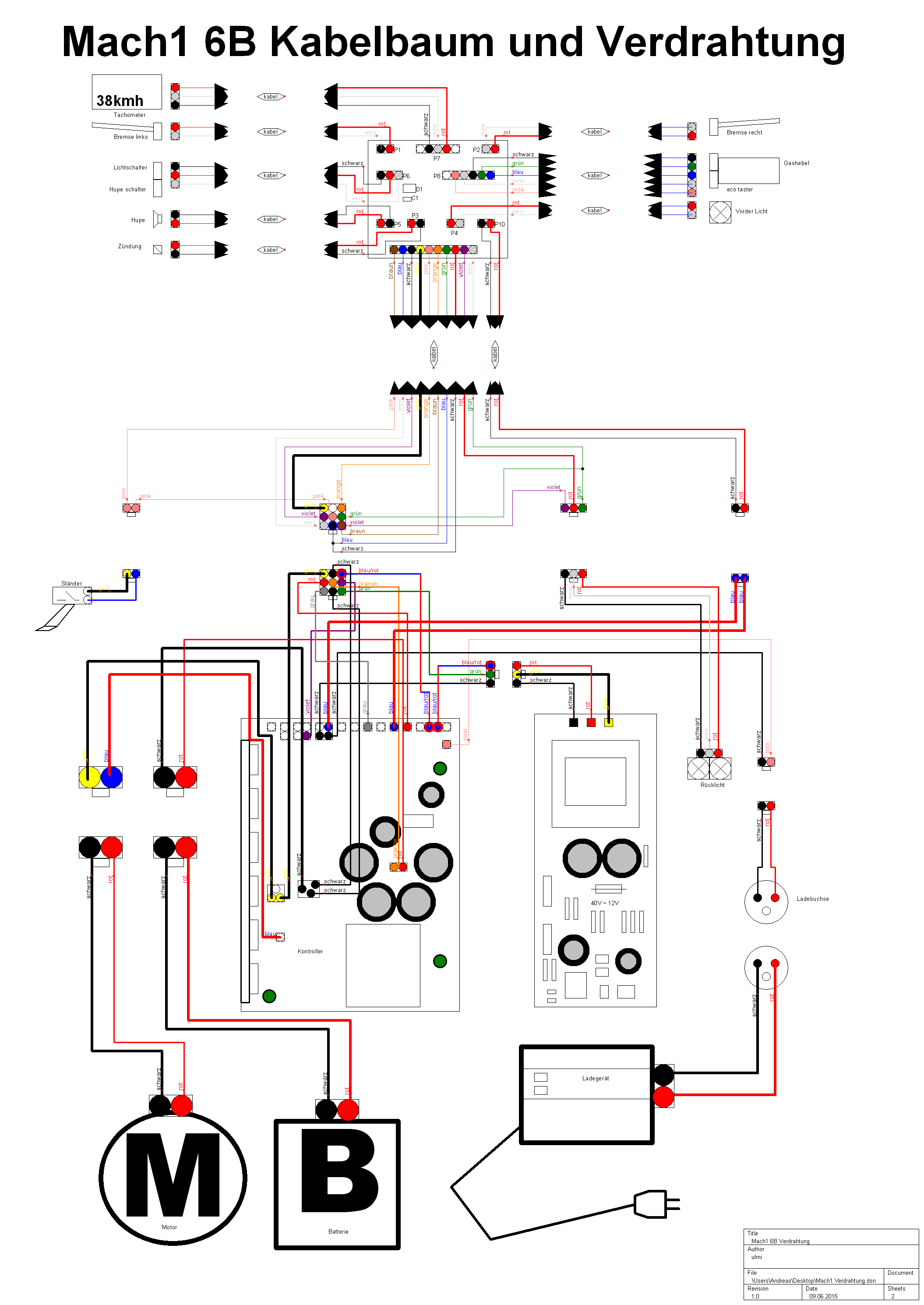
Vielleicht hilft dieser Mach 1 Verdrahtungsplan (keine Ahnung, von wem diese Graphik ist - meine ist es auf jeden Fall nicht), das ist ein enger Verwandter vom Rolektro BT250...
Mach1 Verdrahtung.png
Zero S 11kWZF10.5
e-rider Thunder 5000: Ruht in Frieden
Skysurfy
Beiträge: 14
Registriert: Do 9. Jun 2016, 17:42
Roller: Rolektro 500w 20kmh
PLZ: 44867
Wohnort: Bochum
Kontaktdaten:

Re: Rolektro BT 250

Beitrag von Skysurfy »

Hat etwas geholfen. Aber der motor dreht immernoch nicht. Alles geht. Aber kein drehgas. Habe noch mal den gleichen roller und die steuergeräte getausche dann funktioniert das. Habe dann beide auseinander geschraubt und soweit alles gemessen und verglichen alle werte von dem funktionierenden sind beim anderen gleich. Gibts da evt wirklich im defekten steuergerät erwas was ich messen muss oder defekt ist was ich übersehe.
Autospeed
Beiträge: 3
Registriert: Mo 15. Okt 2018, 17:28
Roller: Rolektro BT 250
PLZ: 34346
Kontaktdaten:

Re: Rolektro BT 250

Beitrag von Autospeed »

Guten Tag
Darf ich mal eine Zwischenfrage stellen , wie verhält sich das grundsätzlich mit dem Kabelbaum bzw den einzelnen Farben der Kabel?
Zb kommt vom Controller der Anschluss Indicater , welcher für Anschluss Licht & Hupe ist!
Zwei Kabel jeweils für Licht & Hupe 12v und Masse über gesonderten Massepunkt ?
Ich werde da nicht schlau draus !!!
Brauche ich einen separaten Spannungswandler 48->12v oder übernimmt dies der Controller?????
Muss nach dem Zündschloss ein Relais (Arbeitsstrom-Relais) , welches durch das Zündschloss die Stromversorgung herstellt ?

Bitte entschuldigt die vielen Fragen , aber ich komme trotz unzähiger Schaltbilder aus dem Internet nicht wirklich weiter !!!
Vielen Dank für jegliche Hilfe , Unterstützung und Informationen.

M.f.G
Benutzeravatar
Harry
Beiträge: 2140
Registriert: Di 21. Jun 2011, 21:08
Roller: Citycoco LM-SC14 / Shansu e-Trike CP-7
PLZ: 49479
Wohnort: Ibbenbüren
Kontaktdaten:

Re: Rolektro BT 250

Beitrag von Harry »

Hallo,

der Thread über den BT 250 ist etwas in die Versenkung geraten, aber da findest du viele Informationen.

viewtopic.php?p=7953#p7953
Gruß Harry
Antworten

Zurück zu „Forca / Mach1 / Rolektro / eFlux“

Wer ist online?

Mitglieder in diesem Forum: 0 Mitglieder und 8 Gäste