e-kuma Sun 3 KW
- maxx
- Beiträge: 12
- Registriert: Sa 6. Aug 2022, 17:47
- Roller: e-kuma 3 kW
- PLZ: 013xx
- Wohnort: Dresden
- Tätigkeit: Elektrotechniker,
- Kontaktdaten:
e-kuma Sun 3 KW
Schreibe hier das erste mal im Forum. Habe Anfang Juni 22 aus dem Norden den E-Kuma SUN geliefert bekommen, alles gut verpackt ohne ,,Blessuren", damals noch etwas günstiger als der SUN jetzt angeboten wird. Habe zwei Akkus geordert und ich finde, das ist auch notwendig. Bisher 400 km gefahren und ich bin begeistert. Keine Störungen keine Probleme, nur eins habe ich immer mal wieder vergessen, den Blinker auszuschalten. Deshalb heute einen Piepser eingebaut und die einfache Schaltung dazu selbst entworfen, denn der Piepser soll ja nicht bei Warnblink piepsen. Eine Reichweiten-Erkenntnis folgt noch (für 85 kg Körpergewicht). Eines stört aber schon gewaltig, die Vorderradfederung bei Kopfsteinpflaster ist echt zu hart und man traut sich nicht schneller als Fußgängertempo zu fahren, wird aber sicher nicht zu oft vorkommen. Eine kleine Vorstellung ist auf YouTube zu sehen
https://youtu.be/heuLZraCqeQ
01.10.2023
Habe nun über 1200 km weg, mit einer Akkuladung komme ich 40 Km/ 20°C/ ohne große Berge bei 85 kg Fahrergewicht. Von Dez. 2022 bis März 2023 bin ich nicht gefahren, Akkus waren hatten (voll geladen) nach 3 Monaten ohne Ladung - bei Zimmertemperatur gelagert - noch 100%! Ohne Nachladen bin ich im April 40 Km gefahren - da kann man nicht meckern. Bei kalten Wetter sollte man den Akku immer raus nehmen und bei 15....20°C lagern, das macht viel aus. Mit kaltem Akku (+5°C) starten gefällt dem Akku gar nicht und man kommt bei Minusgraden natürlich auch nicht so weit. Ansonsten gibt es nichts zu meckern, alles funktioniert wie am ersten Tag. Schade dass es die THG Prämie nicht mehr gibt, habe diese zwei mal abgefasst. Melde mich später wieder.
https://youtu.be/heuLZraCqeQ
01.10.2023
Habe nun über 1200 km weg, mit einer Akkuladung komme ich 40 Km/ 20°C/ ohne große Berge bei 85 kg Fahrergewicht. Von Dez. 2022 bis März 2023 bin ich nicht gefahren, Akkus waren hatten (voll geladen) nach 3 Monaten ohne Ladung - bei Zimmertemperatur gelagert - noch 100%! Ohne Nachladen bin ich im April 40 Km gefahren - da kann man nicht meckern. Bei kalten Wetter sollte man den Akku immer raus nehmen und bei 15....20°C lagern, das macht viel aus. Mit kaltem Akku (+5°C) starten gefällt dem Akku gar nicht und man kommt bei Minusgraden natürlich auch nicht so weit. Ansonsten gibt es nichts zu meckern, alles funktioniert wie am ersten Tag. Schade dass es die THG Prämie nicht mehr gibt, habe diese zwei mal abgefasst. Melde mich später wieder.
Zuletzt geändert von maxx am Fr 29. Sep 2023, 21:12, insgesamt 2-mal geändert.
- Afunker
- Beiträge: 2384
- Registriert: Mi 25. Okt 2017, 13:23
- Roller: Wuxi M3 60 Ah LiIon Akku
- PLZ: 66955
- Wohnort: Pirmasens
- Tätigkeit: Rentner seit März 25
- Kontaktdaten:
Re: e-kuma Sun 3 KW
Ist der von einem Händler oder über einen Umweg (wie bei meiner Wuxi vor 3 Jahren) an dich geliefert worden?
Gruss Helmut
Ranis 2000 seit 08.2019 ca.17700 Km gefahren
Wechsel Akku alt gegen neu bei 6600 Km, Sicherungsautomat bei 9300 Km
Ranis 2000 seit 08.2019 ca.17700 Km gefahren

Wechsel Akku alt gegen neu bei 6600 Km, Sicherungsautomat bei 9300 Km
- conny-r
- Beiträge: 2493
- Registriert: Mo 29. Aug 2022, 09:21
- Roller: E-ECONELO DTR 35Ah
- PLZ: 36
- Kontaktdaten:
Re: e-kuma Sun 3 KW
@maxx,
.
12 Zoll ist gut, aber 2700 EUR nicht gerade preiswert, https://e-kuma.de/produkt/elektroroller ... w-45-km-h/
.
Habe für ECONELO DTR Elektroroller 1650 EUR bezahlt. Den gab es schon mal für 1490 EUR
https://www.netto-online.de/econelo-dtr ... 2188148000
.
12 Zoll ist gut, aber 2700 EUR nicht gerade preiswert, https://e-kuma.de/produkt/elektroroller ... w-45-km-h/
.
Habe für ECONELO DTR Elektroroller 1650 EUR bezahlt. Den gab es schon mal für 1490 EUR
https://www.netto-online.de/econelo-dtr ... 2188148000
Gruß Conny
- maxx
- Beiträge: 12
- Registriert: Sa 6. Aug 2022, 17:47
- Roller: e-kuma 3 kW
- PLZ: 013xx
- Wohnort: Dresden
- Tätigkeit: Elektrotechniker,
- Kontaktdaten:
Re: e-kuma Sun 3 KW
Der Roller ist in Buchholz - Nordheide gekauft, sehr netter Kontakt mit dem Geschäftsführer. Nein, gabz billig ist der Roller nicht, aber wenn man bedenkt, das ein gutes E-Fahrrad auch so viel kostet, finde ich den Roller wieder preisgünstig. Ausschlaggebend waren für mich die 12 Zoll Räder, die Platzverhälnisse und die Verarbeitung. Ich habe inkl. Versand per Spedition übrigens (2 Akkus) 3.400 EUR bezahlt.
Zuletzt geändert von maxx am Fr 29. Sep 2023, 21:00, insgesamt 1-mal geändert.
- maxx
- Beiträge: 12
- Registriert: Sa 6. Aug 2022, 17:47
- Roller: e-kuma 3 kW
- PLZ: 013xx
- Wohnort: Dresden
- Tätigkeit: Elektrotechniker,
- Kontaktdaten:
Re: e-kuma Sun 3 KW
Heute - nach 20 Kilometern (innerhalb 2 Tage, mit Unterbrechungen 20°C) gemischte Fahrweise - Akku bei ausschalten 62 Volt in der Anzeige.
- maxx
- Beiträge: 12
- Registriert: Sa 6. Aug 2022, 17:47
- Roller: e-kuma 3 kW
- PLZ: 013xx
- Wohnort: Dresden
- Tätigkeit: Elektrotechniker,
- Kontaktdaten:
Re: e-kuma Sun 3 KW
Mir kam es darauf an, 12 Zoll Räder zu haben (und diese find ich schon zu klein) und gute Platzverhältnisse, der ECONELO wird immer noch für 2000 € angeboten, hat aber auch nur 2 kW Motor - aber sicher recht das für die Stadt auch aus. Ist sicher auch alles eine Betrachtungssache, ums Geld ging es mir hauptsächlich nicht, - gibt auch die E-Schwalbe für über 5000 €.conny-r hat geschrieben: ↑Mo 5. Sep 2022, 08:10@maxx,
.
12 Zoll ist gut, aber 2700 EUR nicht gerade preiswert, https://e-kuma.de/produkt/elektroroller ... w-45-km-h/
.
Habe für ECONELO DTR Elektroroller 1650 EUR bezahlt. Den gab es schon mal für 1490 EUR
https://www.netto-online.de/econelo-dtr ... 2188148000
- didithekid
- Beiträge: 6946
- Registriert: So 6. Mai 2018, 06:15
- Roller: div. L3e-Roller (80-97 km/h), ZERO SR/F
- PLZ: 53757
- Wohnort: Sankt Augustin - Menden
- Tätigkeit: Ingenieur im Staatsdienst
- Kontaktdaten:
Re: e-kuma Sun 3 KW
Hallo,
die ähnlichen Modelle Sun, Uranus und Sunshine sind ja auch dafür bekannt, dass Personen mit mitteleuropäischer Statur sich darauf wohler fühlen, als auf den Rollern, die preisbewuste Asiatinnen bevorzugen würden.
Viele Grüße
Didi
die ähnlichen Modelle Sun, Uranus und Sunshine sind ja auch dafür bekannt, dass Personen mit mitteleuropäischer Statur sich darauf wohler fühlen, als auf den Rollern, die preisbewuste Asiatinnen bevorzugen würden.
Viele Grüße
Didi
__________________________________________________________________________________________________________________________Thunder-Fury100/ MASINI Sportivo S (2010, 2011, 2012) 5kW, Innoscooter EM6000L 5kW (2011), ZERO SR/F 17.3 (2023)
- maxx
- Beiträge: 12
- Registriert: Sa 6. Aug 2022, 17:47
- Roller: e-kuma 3 kW
- PLZ: 013xx
- Wohnort: Dresden
- Tätigkeit: Elektrotechniker,
- Kontaktdaten:
Re: e-kuma Sun 3 KW
Innerhalb einer Woche bin ich an 4 Tagen 42 km gefahren (85 kg, Stadtverkehr ohne große Ansteigungen):
Die ersten zwei Tage stehen schon oben
3. Tag: Fahrt Ende: 28 km / 60V / 20°C
4. Tag: Fahrt Ende: 42 km / 56V / 20°C - in einer Bergpassage Blinkten die roten Anzeigebalken / Restenergie am Akku nach 30 Min. 2 Balken.
Akku wird geladen.
Also kann man davon ausgehen, das Überland (vorwiegend eben) noch mehr Kilometer drin sind, da nicht so viel gebremst und beschleunigt wird.
- maxx
- Beiträge: 12
- Registriert: Sa 6. Aug 2022, 17:47
- Roller: e-kuma 3 kW
- PLZ: 013xx
- Wohnort: Dresden
- Tätigkeit: Elektrotechniker,
- Kontaktdaten:
Re: e-kuma Sun 3 KW
Habe auch einmal die Ströme gemessen:
Hauptsicherung aus: 0 mA
Hauptsicherung ein:
Ruhestrom 7 mA / 0,45 W = 10,8 Wh in 24 Std. in einer Woche verliert der Akku demnach 75 Wh, was im Winter von Bedeutung ist.
Zündung Eingeschaltet (Display sowie Licht vorn u. Hinten leuchtet) 0,37A (24 W)
Binklicht 50 mA (3,5 W)
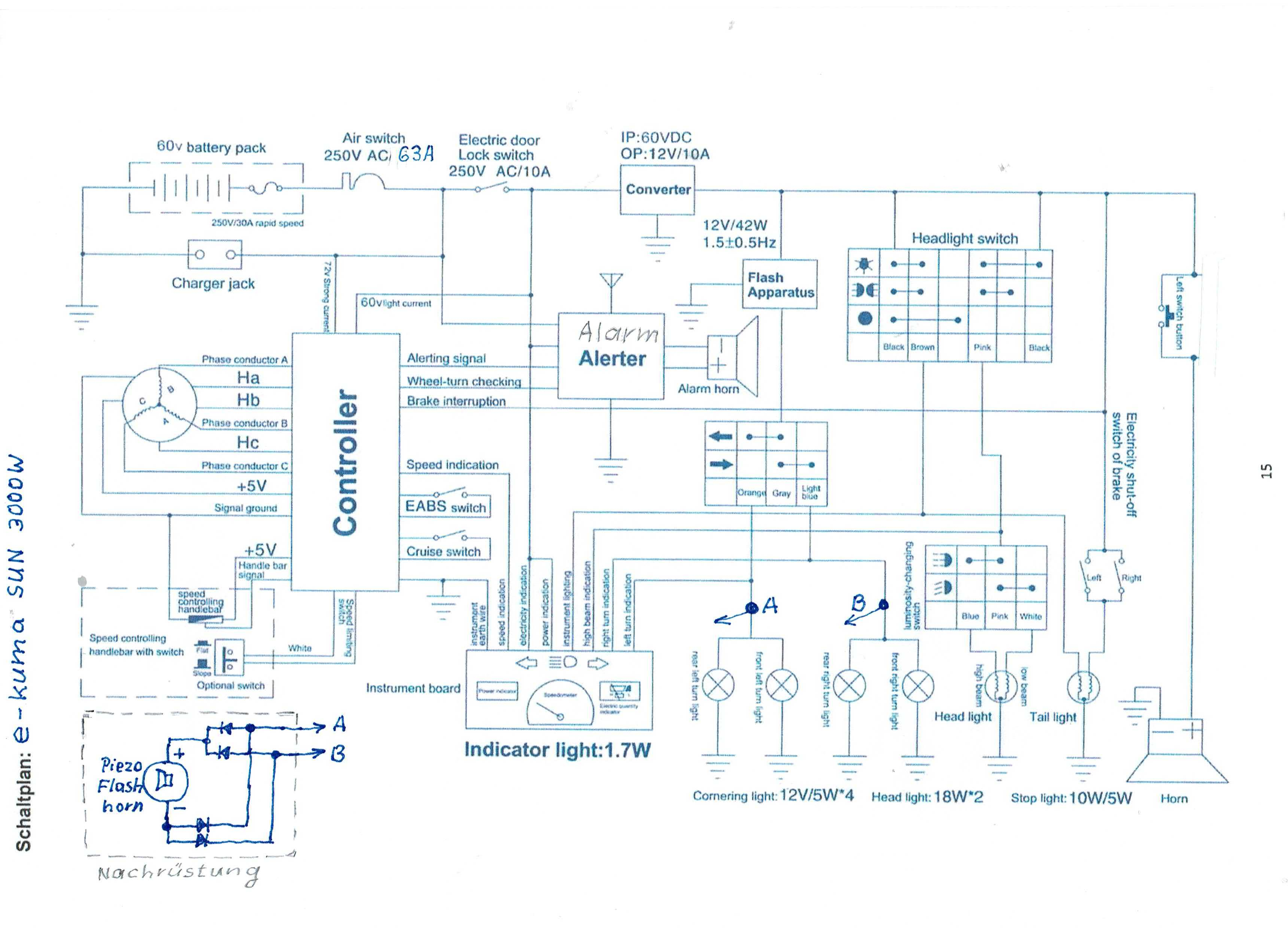
Habe nun auch einen Blinker-Piezo-Pieper eingebaut, nun vergisst man den Blinker nicht mehr. Der Einbau geht recht einfach.
Das Schaltbild zum Roller habe ich korrigiert.
Hauptsicherung aus: 0 mA
Hauptsicherung ein:
Ruhestrom 7 mA / 0,45 W = 10,8 Wh in 24 Std. in einer Woche verliert der Akku demnach 75 Wh, was im Winter von Bedeutung ist.
Zündung Eingeschaltet (Display sowie Licht vorn u. Hinten leuchtet) 0,37A (24 W)
Binklicht 50 mA (3,5 W)
Habe nun auch einen Blinker-Piezo-Pieper eingebaut, nun vergisst man den Blinker nicht mehr. Der Einbau geht recht einfach.
Das Schaltbild zum Roller habe ich korrigiert.
- didithekid
- Beiträge: 6946
- Registriert: So 6. Mai 2018, 06:15
- Roller: div. L3e-Roller (80-97 km/h), ZERO SR/F
- PLZ: 53757
- Wohnort: Sankt Augustin - Menden
- Tätigkeit: Ingenieur im Staatsdienst
- Kontaktdaten:
Re: e-kuma Sun 3 KW
Hallo,
der Vorteil mit dem Blinker-Piepser ist auch, dass Personen, die auf der Fahrbahn laufen, das ausweichende E-Fahrzeug (hinter sich) besser hören.
Danke für die Dokumentation des Innenlebens.
Viele Grüße
Didi
der Vorteil mit dem Blinker-Piepser ist auch, dass Personen, die auf der Fahrbahn laufen, das ausweichende E-Fahrzeug (hinter sich) besser hören.
Danke für die Dokumentation des Innenlebens.
Viele Grüße
Didi
__________________________________________________________________________________________________________________________Thunder-Fury100/ MASINI Sportivo S (2010, 2011, 2012) 5kW, Innoscooter EM6000L 5kW (2011), ZERO SR/F 17.3 (2023)
Wer ist online?
Mitglieder in diesem Forum: 0 Mitglieder und 8 Gäste