E-Max MSU Defekt Suche Hilfe ( Anleitung )
-
bennony
- Beiträge: 150
- Registriert: Mo 30. Sep 2019, 18:12
- Roller: E-Max 90s/110s
- PLZ: 27
- Kontaktdaten:
E-Max MSU Defekt Suche Hilfe ( Anleitung )
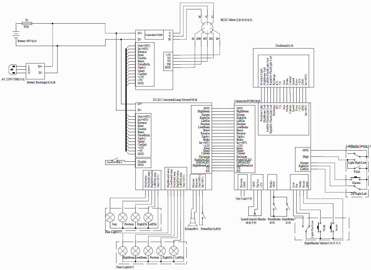
Nun leider hat es meine MSU nun auch erwischt ( Kein Licht und keine Blinker ) , somit bleibt mir im Grunde nur der Umbau mittels DC DC Wandler und Blinker Relais.
Das Tacho Funktioniert Glücklicherweise nach wie vor, auch der Bremslichtschalter löst noch die Reku aus.
Mein Verständnis ist relative Flach Technisch gesehen , Im Grunde weiß ich nicht genau wie ich anfangen soll , da es mehrere Möglichkeiten gibt.
Baut man den kabelbaum ( Licht , Blinker usw. ) als eigenständiges System um ? ( Plus und Masse Neu verdrahten ( zu DC DC Wandler ) und mit den Schalter Einheiten direkt verbinden ( benötigte Kabel dazu durchschneiden-kein Kontakt zum alten System ) , oder nutzt man weiter teile des bestehenden Systems , und trennt nur gewisse Kabel?
Vielleicht hat ja jemand eine einfach erklärte Anleitung wie ich das am besten bewerkstelligen kann.
Das Tacho Funktioniert Glücklicherweise nach wie vor, auch der Bremslichtschalter löst noch die Reku aus.
Mein Verständnis ist relative Flach Technisch gesehen , Im Grunde weiß ich nicht genau wie ich anfangen soll , da es mehrere Möglichkeiten gibt.
Baut man den kabelbaum ( Licht , Blinker usw. ) als eigenständiges System um ? ( Plus und Masse Neu verdrahten ( zu DC DC Wandler ) und mit den Schalter Einheiten direkt verbinden ( benötigte Kabel dazu durchschneiden-kein Kontakt zum alten System ) , oder nutzt man weiter teile des bestehenden Systems , und trennt nur gewisse Kabel?
Vielleicht hat ja jemand eine einfach erklärte Anleitung wie ich das am besten bewerkstelligen kann.
-
Peter51
- Beiträge: 6537
- Registriert: Sa 6. Aug 2011, 10:04
- Roller: E-Max 90s, E-Max 110s, E-Max 120s
- PLZ: 2
- Kontaktdaten:
Re: E-Max MSU Defekt Suche Hilfe ( Anleitung )
1. Ich ließe die MSU ersteinmal drin, denn die Mode-Umschaltung Eco, Normal, Max erfolgt über die MSU. Auch der Hallgriff läuft über die MSU.
2. Dann brauchst einen DC DC 48V 12V, denn deine MSU liefert ja keine 12V mehr.
3. Des Weiteren ein Blinkrelais https://www.motointegrator.de/artikel/1 ... gLNAfD_BwE. Der E-Max hat ein gegen Minus schaltenes Blinkrelais. Dafür habe ich auf die Schnelle kein Schaltbild gefunden.
Nach Blinkrelais CF13 oder CF14 googeln.
4. Licht: Die Stecker Abblendlicht, Scheinwerfer, Standlicht etc. abtrennen. Neue Stecker 2 und 3-polig Molex MiniFit. kaufen. Wenn du es gut machen willst legst du die Lampen alle auf +12V legen. Eingeschaltet man das Licht indem den an deren Pol auf Minus schaltet.
5. Rück-/ Bremslicht. Die Fassung der 2 Fadenlampe liegt auf +12V. Die beiden Bremshebelkontakte (parallele Schließer) legen den Bremslichtfaden auf Minus. Der Rücklichtfaden wird ebenfalls durch legen auf Minus eingeschaltet.
6. Der Tacho wird mit 12V vom Sevcon Gen4 zum Leuchten gebracht. Die Kontrollleuchten vom Tacho nicht zusätzlich anschließen - werden dunkel bleiben.
Viel Spass mit dem DC DC und dem parallelen Kabelbaum. Mach dir eine Skizze für die Schalter Standlicht (könnte bei Zündung EIN immer brennen), Abblendlicht sowie Fernlicht. (Die linke und rechte Griffarmatur haben Stecker Molex MiniFit junior).
2. Dann brauchst einen DC DC 48V 12V, denn deine MSU liefert ja keine 12V mehr.
3. Des Weiteren ein Blinkrelais https://www.motointegrator.de/artikel/1 ... gLNAfD_BwE. Der E-Max hat ein gegen Minus schaltenes Blinkrelais. Dafür habe ich auf die Schnelle kein Schaltbild gefunden.
Nach Blinkrelais CF13 oder CF14 googeln.
4. Licht: Die Stecker Abblendlicht, Scheinwerfer, Standlicht etc. abtrennen. Neue Stecker 2 und 3-polig Molex MiniFit. kaufen. Wenn du es gut machen willst legst du die Lampen alle auf +12V legen. Eingeschaltet man das Licht indem den an deren Pol auf Minus schaltet.
5. Rück-/ Bremslicht. Die Fassung der 2 Fadenlampe liegt auf +12V. Die beiden Bremshebelkontakte (parallele Schließer) legen den Bremslichtfaden auf Minus. Der Rücklichtfaden wird ebenfalls durch legen auf Minus eingeschaltet.
6. Der Tacho wird mit 12V vom Sevcon Gen4 zum Leuchten gebracht. Die Kontrollleuchten vom Tacho nicht zusätzlich anschließen - werden dunkel bleiben.
Viel Spass mit dem DC DC und dem parallelen Kabelbaum. Mach dir eine Skizze für die Schalter Standlicht (könnte bei Zündung EIN immer brennen), Abblendlicht sowie Fernlicht. (Die linke und rechte Griffarmatur haben Stecker Molex MiniFit junior).
E-Max 90s von 2012 - Vmax>46km/h - km-Stand >5150 - 16x Littokala 51,2V 105Ah = 5kWh. JK-B1A24S15P - Sevcon Gen4
E-Max 110s von 2010 - Vmax>50km/h - km-Stand >1.800 - 4x Littokala 72V 50Ah = 14,4kWh
E-Max 120s von 2015 - Vmax 80km/h - TÜV 03.2026 - 72V100Ah LFP-Akku - JK-B2A24S15P Balancer BT - MQ Controller BT
E-Max 110s von 2010 - Vmax>50km/h - km-Stand >1.800 - 4x Littokala 72V 50Ah = 14,4kWh
E-Max 120s von 2015 - Vmax 80km/h - TÜV 03.2026 - 72V100Ah LFP-Akku - JK-B2A24S15P Balancer BT - MQ Controller BT
-
bennony
- Beiträge: 150
- Registriert: Mo 30. Sep 2019, 18:12
- Roller: E-Max 90s/110s
- PLZ: 27
- Kontaktdaten:
Re: E-Max MSU Defekt Suche Hilfe ( Anleitung )
1.) MSU - Ja damit das Tacho weiter klappt
2.) 36-72 DC DC Wandler 10A hab ich noch liegen gehabt , testen werde ich jedoch über externes Netzteil
3.) Blinkerrelaise hab ich das C13 liegen
4.) Durch weitere vorhandene kabelbäume kann ich alle Stecker lampenseitig original lassen , und änder dahingehend wo sie auf die MSU gesteckt waren. ( Wenn ich es richtig verstanden habe, ( bei Zündung an später ) liegt an allen Leitungen der Glühbirnen Dauer plus an , jegliches schalten über die Schalter-Armatur findet über Masse statt ? )
(Das wäre genau andersrum als es bisher der fall war , die Masse Seite konnte ich an der MSU noch messen ( alle Grünen Leitungen = Masse )
5.) Rücklicht habe ich bereits die Kabel Belegung getestet stellt kein Problem da , vom Bremslichtschalter kann ich direkt die vorhandene Masse nutzen ( find ich schon mal sehr gut )
6.) Tacho Symbole die Dunkel bleiben wäre sehr schade.( Dachte ich hätte was gelesen das die Symbole von den Blinken mit auf Masse gezogen werden um die Blinker anzeige oder auch Fernlicht zu ermöglichen )
Ein großes wasserdichtes Kfz Stecker Sortiment liegt bereit , direkt die Stecker Molex MiniFit junior zu nehmen wäre natürlich auch nicht verkehrt gewesen, kannte den Namen nur nicht.
Ich werde das erstmal soweit machen wie vorgeschlagen . Zumindest versuche ich es
Danke Peter51
2.) 36-72 DC DC Wandler 10A hab ich noch liegen gehabt , testen werde ich jedoch über externes Netzteil
3.) Blinkerrelaise hab ich das C13 liegen
4.) Durch weitere vorhandene kabelbäume kann ich alle Stecker lampenseitig original lassen , und änder dahingehend wo sie auf die MSU gesteckt waren. ( Wenn ich es richtig verstanden habe, ( bei Zündung an später ) liegt an allen Leitungen der Glühbirnen Dauer plus an , jegliches schalten über die Schalter-Armatur findet über Masse statt ? )
(Das wäre genau andersrum als es bisher der fall war , die Masse Seite konnte ich an der MSU noch messen ( alle Grünen Leitungen = Masse )
5.) Rücklicht habe ich bereits die Kabel Belegung getestet stellt kein Problem da , vom Bremslichtschalter kann ich direkt die vorhandene Masse nutzen ( find ich schon mal sehr gut )
6.) Tacho Symbole die Dunkel bleiben wäre sehr schade.( Dachte ich hätte was gelesen das die Symbole von den Blinken mit auf Masse gezogen werden um die Blinker anzeige oder auch Fernlicht zu ermöglichen )
Ein großes wasserdichtes Kfz Stecker Sortiment liegt bereit , direkt die Stecker Molex MiniFit junior zu nehmen wäre natürlich auch nicht verkehrt gewesen, kannte den Namen nur nicht.
Ich werde das erstmal soweit machen wie vorgeschlagen . Zumindest versuche ich es
Danke Peter51
-
Peter51
- Beiträge: 6537
- Registriert: Sa 6. Aug 2011, 10:04
- Roller: E-Max 90s, E-Max 110s, E-Max 120s
- PLZ: 2
- Kontaktdaten:
Re: E-Max MSU Defekt Suche Hilfe ( Anleitung )
Ich meine mich zu erinnern, dass die grünen Leitungen +12V waren??? Die LEDs des Tachos haben als gemeinsamen +12V. Vielleicht hilft das. Ist wohl noch von den ältereb Bj, 2008 bis 2009/10.
E-Max 90s von 2012 - Vmax>46km/h - km-Stand >5150 - 16x Littokala 51,2V 105Ah = 5kWh. JK-B1A24S15P - Sevcon Gen4
E-Max 110s von 2010 - Vmax>50km/h - km-Stand >1.800 - 4x Littokala 72V 50Ah = 14,4kWh
E-Max 120s von 2015 - Vmax 80km/h - TÜV 03.2026 - 72V100Ah LFP-Akku - JK-B2A24S15P Balancer BT - MQ Controller BT
E-Max 110s von 2010 - Vmax>50km/h - km-Stand >1.800 - 4x Littokala 72V 50Ah = 14,4kWh
E-Max 120s von 2015 - Vmax 80km/h - TÜV 03.2026 - 72V100Ah LFP-Akku - JK-B2A24S15P Balancer BT - MQ Controller BT
-
bennony
- Beiträge: 150
- Registriert: Mo 30. Sep 2019, 18:12
- Roller: E-Max 90s/110s
- PLZ: 27
- Kontaktdaten:
Re: E-Max MSU Defekt Suche Hilfe ( Anleitung )
Danke ... Den Schaltplan habe ich , allerdings finde ich den sehr einfach , ( als ich den fand war es für mich fragwürdig ob der original ist )
Kann natürlich auch sein das meine MSU da was vermurkst , hatte es nur gegen Plus getestet und alle grünen zeigten Batterie Spannung .
Jedoch wenn es bei so ist , das alles an Licht grün 12V + ist, dann werde ich es so versuchen um zu setzen.
Also Rücklicht ist Fassung 12V + ( Mittig Grünes Kabel )
Blinker haben Fassung Grünes Kabel mit Masse
Frontlicht scheint konventionell ( Grünes Kabel entspricht da Fassung Masse )
Standard mäßig wäre Fassung Masse , und Pluspol liegt wie bei einer Glühbirne innen , selten das man Lampen außen mit Plus ansteuert. Es sei denn man braucht die Masse wie der E-Max,
Kann natürlich auch sein das meine MSU da was vermurkst , hatte es nur gegen Plus getestet und alle grünen zeigten Batterie Spannung .
Jedoch wenn es bei so ist , das alles an Licht grün 12V + ist, dann werde ich es so versuchen um zu setzen.
Also Rücklicht ist Fassung 12V + ( Mittig Grünes Kabel )
Blinker haben Fassung Grünes Kabel mit Masse
Frontlicht scheint konventionell ( Grünes Kabel entspricht da Fassung Masse )
Standard mäßig wäre Fassung Masse , und Pluspol liegt wie bei einer Glühbirne innen , selten das man Lampen außen mit Plus ansteuert. Es sei denn man braucht die Masse wie der E-Max,
-
bennony
- Beiträge: 150
- Registriert: Mo 30. Sep 2019, 18:12
- Roller: E-Max 90s/110s
- PLZ: 27
- Kontaktdaten:
Re: E-Max MSU Defekt Suche Hilfe ( Anleitung )
Also , Offline ( Externen mit Ersatzteilen getestet ) Funktionierte es gut, eingebaut weniger , der Strom fließt da anders.
Ein Problem scheint die Licht Hupe zu sein , benutze ich die, flackert das licht eine Sekunde , als ob Strom weg ist, oder ein Kurzschluss herrscht, auch das Display zeigt dann ein leichtes Flakkern.
Rechte Schalter Armatur habe ich angeschlossen und auch mit dem Roller Verbunden gelassen ( Strom Verteiler Platine ) ( Aus , Standlicht , Licht )
Aus geht , Standlicht auch , Schalte ich auf Licht , fängt das Hinterrad an zu drehen, schalte ich Licht auf Fernlicht oder Bremse dann gibt der Motor um so mehr Gas. ( Das Licht an sich Funktioniert wie auch alles andere wie es soll ).
Bremslicht Funktioniert ( Reku nun beidseitig - aber halb so wild - war mir bewusst, als ich die Masse Kabel beidseitig angeschlossen habe )
Die Linke Schalter Armatur ist komplett entkoppelt , einzig die Rückwärts Funktion ist da noch angeschlossen.
Ein Problem scheint die Licht Hupe zu sein , benutze ich die, flackert das licht eine Sekunde , als ob Strom weg ist, oder ein Kurzschluss herrscht, auch das Display zeigt dann ein leichtes Flakkern.
Rechte Schalter Armatur habe ich angeschlossen und auch mit dem Roller Verbunden gelassen ( Strom Verteiler Platine ) ( Aus , Standlicht , Licht )
Aus geht , Standlicht auch , Schalte ich auf Licht , fängt das Hinterrad an zu drehen, schalte ich Licht auf Fernlicht oder Bremse dann gibt der Motor um so mehr Gas. ( Das Licht an sich Funktioniert wie auch alles andere wie es soll ).
Bremslicht Funktioniert ( Reku nun beidseitig - aber halb so wild - war mir bewusst, als ich die Masse Kabel beidseitig angeschlossen habe )
Die Linke Schalter Armatur ist komplett entkoppelt , einzig die Rückwärts Funktion ist da noch angeschlossen.
-
Peter51
- Beiträge: 6537
- Registriert: Sa 6. Aug 2011, 10:04
- Roller: E-Max 90s, E-Max 110s, E-Max 120s
- PLZ: 2
- Kontaktdaten:
Re: E-Max MSU Defekt Suche Hilfe ( Anleitung )
Vielleicht noch ein Kupferwurm drin? Verzichtet man auf die Blinkerkontrollleuchten im Tacho, alle Kontrollleuchten haben als Gemeinsamen +12V, wären die Blinker vom Rest getrennt. Es könnte sein, dass die Hupe vom Sevcon versorgt wird? Bei den älteren E-Mäxen Bj. 2008.bis 2009/10 wurde die Hupe vom Controller versorgt. Das Bremsslicht könnte man vielleicht zusätzlich mit einem 12V Relais potentialfrei machen. Die Spule ist im Relais vom Schliesser, Öffner oder Wechsler isoliert.
E-Max 90s von 2012 - Vmax>46km/h - km-Stand >5150 - 16x Littokala 51,2V 105Ah = 5kWh. JK-B1A24S15P - Sevcon Gen4
E-Max 110s von 2010 - Vmax>50km/h - km-Stand >1.800 - 4x Littokala 72V 50Ah = 14,4kWh
E-Max 120s von 2015 - Vmax 80km/h - TÜV 03.2026 - 72V100Ah LFP-Akku - JK-B2A24S15P Balancer BT - MQ Controller BT
E-Max 110s von 2010 - Vmax>50km/h - km-Stand >1.800 - 4x Littokala 72V 50Ah = 14,4kWh
E-Max 120s von 2015 - Vmax 80km/h - TÜV 03.2026 - 72V100Ah LFP-Akku - JK-B2A24S15P Balancer BT - MQ Controller BT
-
bennony
- Beiträge: 150
- Registriert: Mo 30. Sep 2019, 18:12
- Roller: E-Max 90s/110s
- PLZ: 27
- Kontaktdaten:
Re: E-Max MSU Defekt Suche Hilfe ( Anleitung )
Heyho , ich war nicht untätig
, das Problem wird im Zusammenhang mit dem Licht Schalter verursacht , ich habe alles einzeln abgeklemmt ( Masse seitig ), und nach und nach dann wieder angeklemmt , Blinker , Rücklicht , Bremslicht , und die Hupe ( die sich sehr komisch anhört... muss noch ausgetauscht werden ) funktionieren ohne einen Fehler zu verursachen.
Blinker sind mit dem Tacho nicht verbunden. Entsprechend auch keine anzeige natürlich.
Mein Problem ist somit die Pin bzw Kabel Belegung des Licht Schalters ( Abblendlicht / Fernlicht / Lichthupe ) , dort habe ich 2 blaue , ein Schwarzes und ein weißes Kabel.
Dunkelblau ( & Schwarz sind Masse In )
Schaltet auf Weiß Abblendlicht
Auf Blau Mitte vom Stecker auf Fernlicht
Schwarz auf Mitte Blau Taster Fernlicht.
So hatte ich es angeschlossen , das jedoch ist das falsch. Hier muss ich nun rausfinden was rein geht und was dann raus zu kommen hat, schätze hier lag auch das Problem mit dem Flackern wenn ich das Licht auf Lichthupe betätigt habe.
Oder kennt vielleicht schon jemand die Farbliche Belegung Abblendlicht / Fernlicht / Lichthupe ?
Blinker sind mit dem Tacho nicht verbunden. Entsprechend auch keine anzeige natürlich.
Mein Problem ist somit die Pin bzw Kabel Belegung des Licht Schalters ( Abblendlicht / Fernlicht / Lichthupe ) , dort habe ich 2 blaue , ein Schwarzes und ein weißes Kabel.
Dunkelblau ( & Schwarz sind Masse In )
Schaltet auf Weiß Abblendlicht
Auf Blau Mitte vom Stecker auf Fernlicht
Schwarz auf Mitte Blau Taster Fernlicht.
So hatte ich es angeschlossen , das jedoch ist das falsch. Hier muss ich nun rausfinden was rein geht und was dann raus zu kommen hat, schätze hier lag auch das Problem mit dem Flackern wenn ich das Licht auf Lichthupe betätigt habe.
Oder kennt vielleicht schon jemand die Farbliche Belegung Abblendlicht / Fernlicht / Lichthupe ?
-
bennony
- Beiträge: 150
- Registriert: Mo 30. Sep 2019, 18:12
- Roller: E-Max 90s/110s
- PLZ: 27
- Kontaktdaten:
Re: E-Max MSU Defekt Suche Hilfe ( Anleitung )
Stand der Dinge...
Da ich die Masse von der Rechten Schalter Einheit benutzt habe ( war weiter verbunden mit dem Stromverteiler Bord und somit mit der MSU ) , hat genau das, zum Problem geführt. ( Aus / Standlicht / Licht )
Die Linke Schalter Einheit war also richtig angeschlossen.
Habe nun erstmal direkt auf den DC DC Wandler die Masse angeschlossen , in sofern kann ich das Licht zwar nicht aus schalten , auch kein Standlicht nutzen, aber zumindest komme ich mit allen wichtigen Funktionen von A nach B.
Also ehrlich gesagt habe ich mir das ein wenig einfacher vorgestellt , die MSU selbst im defekten zustand funkt einen noch wieder ein wenig dazwischen.
Da ich die Masse von der Rechten Schalter Einheit benutzt habe ( war weiter verbunden mit dem Stromverteiler Bord und somit mit der MSU ) , hat genau das, zum Problem geführt. ( Aus / Standlicht / Licht )
Die Linke Schalter Einheit war also richtig angeschlossen.
Habe nun erstmal direkt auf den DC DC Wandler die Masse angeschlossen , in sofern kann ich das Licht zwar nicht aus schalten , auch kein Standlicht nutzen, aber zumindest komme ich mit allen wichtigen Funktionen von A nach B.
Also ehrlich gesagt habe ich mir das ein wenig einfacher vorgestellt , die MSU selbst im defekten zustand funkt einen noch wieder ein wenig dazwischen.
-
bennony
- Beiträge: 150
- Registriert: Mo 30. Sep 2019, 18:12
- Roller: E-Max 90s/110s
- PLZ: 27
- Kontaktdaten:
Re: E-Max MSU Defekt Suche Hilfe ( Anleitung )
Gibt es vielleicht einen anschlussplan vom Tacho ( Stromverteiler Board seitig / MSU Seitig ) ?
Da Mein Tacho dauerhaft nach Blinker Links leuchtet , würde ich gern die Verbindung zur MSU Trennen , zugleich möchte ich etwas experimentieren , um auch die Blinkerleuchte / Fernlicht wieder sichtbar zu machen .
Mosfet Treibermodul DC 5v-36v 15A = sehr schnelle Reaktionszeit , geringer verbrauch , und schaltet Masse , somit dürfte es möglich sein für Fernlicht und Blinker die anzeigen nutzbar zu machen.
Da Mein Tacho dauerhaft nach Blinker Links leuchtet , würde ich gern die Verbindung zur MSU Trennen , zugleich möchte ich etwas experimentieren , um auch die Blinkerleuchte / Fernlicht wieder sichtbar zu machen .
Mosfet Treibermodul DC 5v-36v 15A = sehr schnelle Reaktionszeit , geringer verbrauch , und schaltet Masse , somit dürfte es möglich sein für Fernlicht und Blinker die anzeigen nutzbar zu machen.
Wer ist online?
Mitglieder in diesem Forum: 0 Mitglieder und 3 Gäste