UNU Classic/Rebell Alarmanlagem mit Motorbremse
-
mysweetteddy
- Beiträge: 21
- Registriert: Do 25. Apr 2024, 10:35
- Roller: Futura One & UNU Classic/Rebell 2&3kW
- PLZ: 13127
- Kontaktdaten:
UNU Classic/Rebell Alarmanlagem mit Motorbremse
Nabend alle zusammen....
Ich bilde mir ein, hier davon mal gelesen zu haben, dass jemand so eine Alarmanlage eingebaut hätte...
Aber leider finde ich nicht den Beitrag nicht mehr....
Kann mir jemand vielleicht weiterhelfen bitte....
Ganz konkret geht es dabei um die genauen Anschluss-Pins am Lingbo bzw. später Bosch-Controller. Bevor ich rumexperementiere, frag ich lieber...
Ich hatte früher den Futura One. Dessen Alarmanlage blockierte den Motor kurzzeitig, damit man den nicht wegrollen konnte.
Auch konnte man den Roller mit der Fernbedienung aktivieren, sodass man ohne Schlüssel fahren konnte.
Hab hier eine Alarmanlage rumliegen, bereit für einen Test:
https://de.aliexpress.com/item/1005006107493632.html
Vielen Dank schon Mal für euren Input und VG aus der Hauptstadt
Ich bilde mir ein, hier davon mal gelesen zu haben, dass jemand so eine Alarmanlage eingebaut hätte...
Aber leider finde ich nicht den Beitrag nicht mehr....
Kann mir jemand vielleicht weiterhelfen bitte....
Ganz konkret geht es dabei um die genauen Anschluss-Pins am Lingbo bzw. später Bosch-Controller. Bevor ich rumexperementiere, frag ich lieber...
Ich hatte früher den Futura One. Dessen Alarmanlage blockierte den Motor kurzzeitig, damit man den nicht wegrollen konnte.
Auch konnte man den Roller mit der Fernbedienung aktivieren, sodass man ohne Schlüssel fahren konnte.
Hab hier eine Alarmanlage rumliegen, bereit für einen Test:
https://de.aliexpress.com/item/1005006107493632.html
Vielen Dank schon Mal für euren Input und VG aus der Hauptstadt
- didithekid
- Beiträge: 7191
- Registriert: So 6. Mai 2018, 06:15
- Roller: div. L3e-Roller (80-97 km/h), ZERO SR/F
- PLZ: 53757
- Wohnort: Sankt Augustin - Menden
- Tätigkeit: Ingenieur im Staatsdienst
- Kontaktdaten:
Re: UNU Classic/Rebell Alarmanlagem mit Motorbremse
Hallo,
der Motor-Controller ist ja ausgeschaltet, wenn die Alarmanlage aktiv ist.
Zum Blockieren des Motors braucht man den Controller aber auch nicht. Es muss nur ein Kurzschluss der Phasenkabel bestehen, dass jede Radbewegung zu Induktionsstömen in den Spulen führt, die die Bewegung hemmen.
Phasenkabel sind die drei dicken Kabel vom Motor-Controller zum Motor. Sind zwei davon oder alle drei kurzgeschlossen, wird es mit dem Wegschieben schwer. Beim Ausbau des Nabenmotors zum Radwechsel wundert man sich, dass man in plötzlich nicht mehr drehen kann, wenn zwei Kabelschuhe sich berühren.
Ein oder zwei Relais, die mit an die Conntroller-Phasenausgänge angeschlossen werden, können den Sperr-Kurzschluss herbeiführen. Sie müssen aber zuverlässig öffnen, bevor der Controller hochfährt. Wären die Phasenausgänge dann noch kurzgeschlossen, würde der Controller beim Strom geben zerstört. Man muss also wissen, was man da bastelt und der Relais-Strom muss früher reagieren, als der Motor-Controller.
Viele Grüße
Didi
der Motor-Controller ist ja ausgeschaltet, wenn die Alarmanlage aktiv ist.
Zum Blockieren des Motors braucht man den Controller aber auch nicht. Es muss nur ein Kurzschluss der Phasenkabel bestehen, dass jede Radbewegung zu Induktionsstömen in den Spulen führt, die die Bewegung hemmen.
Phasenkabel sind die drei dicken Kabel vom Motor-Controller zum Motor. Sind zwei davon oder alle drei kurzgeschlossen, wird es mit dem Wegschieben schwer. Beim Ausbau des Nabenmotors zum Radwechsel wundert man sich, dass man in plötzlich nicht mehr drehen kann, wenn zwei Kabelschuhe sich berühren.
Ein oder zwei Relais, die mit an die Conntroller-Phasenausgänge angeschlossen werden, können den Sperr-Kurzschluss herbeiführen. Sie müssen aber zuverlässig öffnen, bevor der Controller hochfährt. Wären die Phasenausgänge dann noch kurzgeschlossen, würde der Controller beim Strom geben zerstört. Man muss also wissen, was man da bastelt und der Relais-Strom muss früher reagieren, als der Motor-Controller.
Viele Grüße
Didi
__________________________________________________________________________________________________________________________Thunder-Fury100/ MASINI Sportivo S (2010, 2011, 2012) 5kW, Innoscooter EM6000L 5kW (2011), ZERO SR/F 17.3 (2023)
-
uvos
- Beiträge: 131
- Registriert: Di 28. Jun 2022, 18:33
- Roller: Futura Falcon
- PLZ: 55299
- Kontaktdaten:
Re: UNU Classic/Rebell Alarmanlagem mit Motorbremse
naja das problem ist ja trivial zu loesen, man nimmt einfach zwei SPDT relays der eingang ist die phase und ein ausgang ist eine andere phase und der andere der controller. das 2 mal. Die phasen konnen aneinander geschlossen sein oder der controller kann angeschlossen sein, beides gleichzeitig ist physisch unmöglich.
- Julinho
- Beiträge: 479
- Registriert: Fr 8. Apr 2022, 16:29
- Roller: Unu Classic 2016 2KW UNU Pro 3kW getuned
- PLZ: 16556
- Kontaktdaten:
Re: UNU Classic/Rebell Alarmanlagem mit Motorbremse
Ich verstehe kein Wort, kannst du das mal Zeichnen?
-
uvos
- Beiträge: 131
- Registriert: Di 28. Jun 2022, 18:33
- Roller: Futura Falcon
- PLZ: 55299
- Kontaktdaten:
Re: UNU Classic/Rebell Alarmanlagem mit Motorbremse
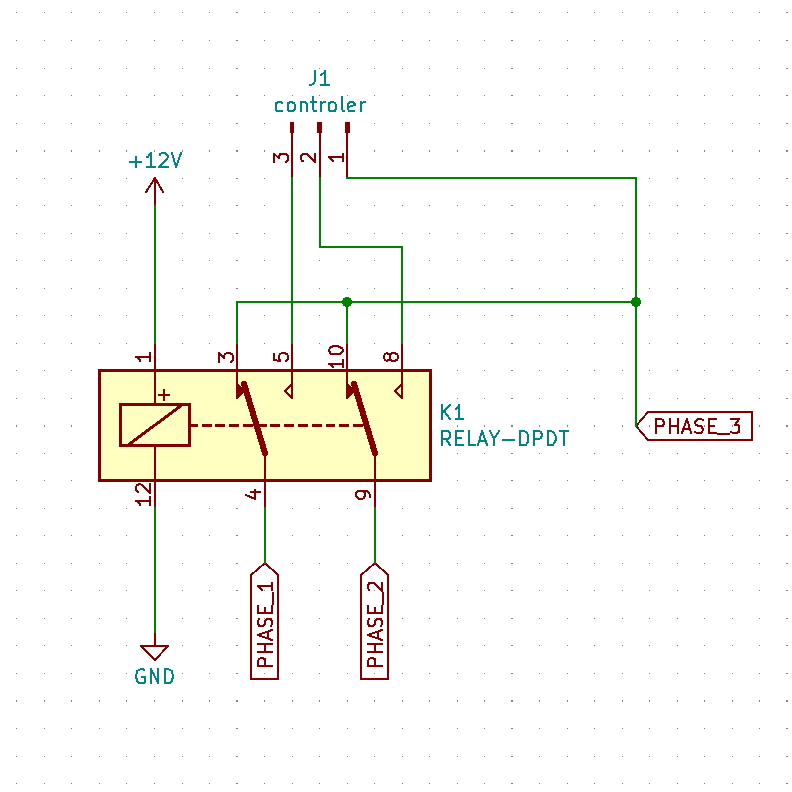
Siehe anhang.
Wen keine 12v vorhanden sind, sind alle phasen zusammen geschlossen, wen 12V auftaucht sind alle phasen nicht mehr zusammen geschlossen und stadessen an dem controller angeschlossen.
Fehlbedienung ist unmöglich dar physisch das relay entweder offen ist und die Phasen sind zusammen geschlossen oder zu und die phasen sind an den Controller angeschlossen, beides gleichzeitig geht nicht.
an stelle des DPDT relays kann man natürlich auch zwei SPDT nehmen.
Nachteil ist natürlich das der fahrstrom uber das relay geht, welches deshalb ziemlich gross sein muss.
Wen keine 12v vorhanden sind, sind alle phasen zusammen geschlossen, wen 12V auftaucht sind alle phasen nicht mehr zusammen geschlossen und stadessen an dem controller angeschlossen.
Fehlbedienung ist unmöglich dar physisch das relay entweder offen ist und die Phasen sind zusammen geschlossen oder zu und die phasen sind an den Controller angeschlossen, beides gleichzeitig geht nicht.
an stelle des DPDT relays kann man natürlich auch zwei SPDT nehmen.
Nachteil ist natürlich das der fahrstrom uber das relay geht, welches deshalb ziemlich gross sein muss.
- didithekid
- Beiträge: 7191
- Registriert: So 6. Mai 2018, 06:15
- Roller: div. L3e-Roller (80-97 km/h), ZERO SR/F
- PLZ: 53757
- Wohnort: Sankt Augustin - Menden
- Tätigkeit: Ingenieur im Staatsdienst
- Kontaktdaten:
Re: UNU Classic/Rebell Alarmanlagem mit Motorbremse
Gibt es denn so ein "triviales" Relais, das >200 Ampère AC-Phasenstrom verträgt?
Viele Grüße
Didi
Viele Grüße
Didi
__________________________________________________________________________________________________________________________Thunder-Fury100/ MASINI Sportivo S (2010, 2011, 2012) 5kW, Innoscooter EM6000L 5kW (2011), ZERO SR/F 17.3 (2023)
-
uvos
- Beiträge: 131
- Registriert: Di 28. Jun 2022, 18:33
- Roller: Futura Falcon
- PLZ: 55299
- Kontaktdaten:
Re: UNU Classic/Rebell Alarmanlagem mit Motorbremse
ich weis nicht wieso du auf 200A kommst, kein 45 roller Controller liefert 200A Phasen Strom. Spitzen strom im ms bereich ist dem relay auch egal, insb. dar es auch nie unter last geschaltet wird und dar her kein kontanktfunken ensteht.
hier wahre beispilsweise genau ein relay das passen wurde bei einem controller der <40A phasen strom liefert:
https://www.mouser.de/ProductDetail/Sch ... ITyAwRs%3D
wen es mehr als das sein solte wird es kosten effektiver ein ssr zu nehmen bzw halt ein par IGBT
hier wahre beispilsweise genau ein relay das passen wurde bei einem controller der <40A phasen strom liefert:
https://www.mouser.de/ProductDetail/Sch ... ITyAwRs%3D
wen es mehr als das sein solte wird es kosten effektiver ein ssr zu nehmen bzw halt ein par IGBT
- Julinho
- Beiträge: 479
- Registriert: Fr 8. Apr 2022, 16:29
- Roller: Unu Classic 2016 2KW UNU Pro 3kW getuned
- PLZ: 16556
- Kontaktdaten:
Re: UNU Classic/Rebell Alarmanlagem mit Motorbremse
Der Phasenstrom kann bis zu 180A sein,didithekid hat geschrieben: Mi 21. Aug 2024, 20:02 Gibt es denn so ein "triviales" Relais, das >200 Ampère AC-Phasenstrom verträgt?
Viele Grüße
Didi
Intelligenter wäre ein Relais, das im Ruhezustand zwei Phasen kurzschließt und mit der Zündung öffnet.
- didithekid
- Beiträge: 7191
- Registriert: So 6. Mai 2018, 06:15
- Roller: div. L3e-Roller (80-97 km/h), ZERO SR/F
- PLZ: 53757
- Wohnort: Sankt Augustin - Menden
- Tätigkeit: Ingenieur im Staatsdienst
- Kontaktdaten:
Re: UNU Classic/Rebell Alarmanlagem mit Motorbremse
OK, hätte ich auch so gedacht.
Aber uvos Schaltplan erforderte (weil 4-5 und 9-8 während der Fahrt durchgeschaltet werden) immerhin ein Relais, das 160-180 Ampere eines Sinus-förmigen Wechelstromverlaufes ohne Schaden durchlassen kann. Jedenfalls in der Zeit des Anfahrens, wo der Strom vom Controller auf diesen eingestellten Wert begrenzt werden muss, bis das von der Gegeninduktionsspannung des drehenden Motors erledigt wird.
Da ein Relais-Kontakt diese Strombegrenzung nicht hat, sind beim Kurzschluss-Kontakt zweier Motorphasen (also nun bei Zündung OFF) Induktionsströme über 1.000 Ampere zu erwarten (natürlich bei < 1 Volt), falls ein Dieb versucht den eigentlich elektromagnetisch blockierten Roller mit roher Gewalt wegzuschieben. Aber dann nur so lange er noch die Kraft dazu hat.
Genau so funktioniert ja die Weg-Schiebe-Sperre.
Probiert es beim nächsten Reifenwechsel einmal aus, wenn Ihr skeptisch seid.
Viele Grüße
Didi
Aber uvos Schaltplan erforderte (weil 4-5 und 9-8 während der Fahrt durchgeschaltet werden) immerhin ein Relais, das 160-180 Ampere eines Sinus-förmigen Wechelstromverlaufes ohne Schaden durchlassen kann. Jedenfalls in der Zeit des Anfahrens, wo der Strom vom Controller auf diesen eingestellten Wert begrenzt werden muss, bis das von der Gegeninduktionsspannung des drehenden Motors erledigt wird.
Da ein Relais-Kontakt diese Strombegrenzung nicht hat, sind beim Kurzschluss-Kontakt zweier Motorphasen (also nun bei Zündung OFF) Induktionsströme über 1.000 Ampere zu erwarten (natürlich bei < 1 Volt), falls ein Dieb versucht den eigentlich elektromagnetisch blockierten Roller mit roher Gewalt wegzuschieben. Aber dann nur so lange er noch die Kraft dazu hat.
Genau so funktioniert ja die Weg-Schiebe-Sperre.
Probiert es beim nächsten Reifenwechsel einmal aus, wenn Ihr skeptisch seid.
Viele Grüße
Didi
__________________________________________________________________________________________________________________________Thunder-Fury100/ MASINI Sportivo S (2010, 2011, 2012) 5kW, Innoscooter EM6000L 5kW (2011), ZERO SR/F 17.3 (2023)
-
uvos
- Beiträge: 131
- Registriert: Di 28. Jun 2022, 18:33
- Roller: Futura Falcon
- PLZ: 55299
- Kontaktdaten:
Re: UNU Classic/Rebell Alarmanlagem mit Motorbremse
Diese 200A beim anfahren sind fur ein grosses relay uberhaubt kein problem. Genau diese relays werden auch bei grossen diesel generatoren (und alten lkw) fuer den anlasser verwendet wo >500A peak uberhaubt der normal fall sind. Die kontakte eines solchen relays sind standhafter als die Phasen wicklung.
Und die anwendung ist denkbar Dankhaft fur ein relay dar es nicht mal unter last schalten muss.
Auch beim mit gewalt schieben wird man sich schwer tuen das relay zu zerstoren. Der dieb kan wen er sich wirklich viel muhe gibt vlt 100W in den motor schieben, die aber uber die ganzen wiklungen und dem relay abfallen, das relay bekommt davon im grossen und ganzen sehr wenig mit weil der wiederstandt vom relay winzig ist gegen uber den wicklungen, d.h. die meiste energie geht in den motor.
Und die anwendung ist denkbar Dankhaft fur ein relay dar es nicht mal unter last schalten muss.
Auch beim mit gewalt schieben wird man sich schwer tuen das relay zu zerstoren. Der dieb kan wen er sich wirklich viel muhe gibt vlt 100W in den motor schieben, die aber uber die ganzen wiklungen und dem relay abfallen, das relay bekommt davon im grossen und ganzen sehr wenig mit weil der wiederstandt vom relay winzig ist gegen uber den wicklungen, d.h. die meiste energie geht in den motor.
Wer ist online?
Mitglieder in diesem Forum: neUNUndsechzig und 3 Gäste