VOTOL-Motorcontroller und -Schütz

S01, S02, S03, Mó
Benutzeravatar
Pfriemler
Moderator
Beiträge: 2846
Registriert: Di 7. Mai 2019, 17:41
Roller: SEAT Mó125 (MJ2021 Votol)
PLZ: 14513
Wohnort: Südrandberlin
Tätigkeit: Tonkünstler
Kontaktdaten:

VOTOL-Motorcontroller und -Schütz

Beitrag von Pfriemler »

Ich habe mal das offtopic Thema der durchaus interessanten Überlegungen zur Natur des "Connectors" am VOTOL-Controller in ein neues Thema verschoben.
error hat geschrieben: Fr 22. Mär 2024, 10:07 ... das Schütz in der Schwinge ist durch ein elektronisches "Relais" ersetzt.
Das wäre mir neu.
Bzw. dafür ist es ziemlich laut... :D
SuperSoco CUx '19-'21 (36Wh/km in 2000 km), Piaggio Medley 125 '20-'22 (26,6 ml/km in 5000 km). Seat Mó: Bild
Benutzeravatar
error
Beiträge: 2330
Registriert: Di 20. Dez 2022, 19:37
PLZ: #
Kontaktdaten:

Re: VOTOL-Motorcontroller und -Schütz

Beitrag von error »

Pfriemler hat geschrieben: Fr 22. Mär 2024, 10:24
error hat geschrieben: Fr 22. Mär 2024, 10:07 ... das Schütz in der Schwinge ist durch ein elektronisches "Relais" ersetzt.
Das wäre mir neu.
Bzw. dafür ist es ziemlich laut... :D
Habe so ein Teil liegen, das ist eigentlich zu klein und zu leicht für ein mechanisches Relais. Hörst du vielleicht das zweite Relais im Akku? Das ist sogar eine Bauform größer, als das was bei den ersten Silence in der Schwinge saß.
Benutzeravatar
error
Beiträge: 2330
Registriert: Di 20. Dez 2022, 19:37
PLZ: #
Kontaktdaten:

Re: VOTOL-Motorcontroller und -Schütz

Beitrag von error »

Pfriemler hat geschrieben: Fr 22. Mär 2024, 10:24
error hat geschrieben: Fr 22. Mär 2024, 10:07 ... das Schütz in der Schwinge ist durch ein elektronisches "Relais" ersetzt.
Das wäre mir neu.
Bzw. dafür ist es ziemlich laut... :D
Bin anscheinend nicht der erste, der es für ein solid state Relais hält viewtopic.php?t=16404&start=70
Benutzeravatar
Pfriemler
Moderator
Beiträge: 2846
Registriert: Di 7. Mai 2019, 17:41
Roller: SEAT Mó125 (MJ2021 Votol)
PLZ: 14513
Wohnort: Südrandberlin
Tätigkeit: Tonkünstler
Kontaktdaten:

Re: VOTOL-Motorcontroller und -Schütz

Beitrag von Pfriemler »

Ich war mir bis jetzt sehr sicher. Im Akku gibt es zwei Relais, das kleinere schaltet den Ladewandler sekundär zu, das größere ist der Hauptstromschütz für den Ausgang. Beim Einschalten des Rollers gibt es zwei zeitlich und räumlich versetzte hörbare Klacks, ich knie mich heute Nachmittag nochmal neben den Roller.
Als mein Roller KPLUS OFF hatte, war überhaupt kein Relais zu hören. Die dünnstromigen 48V VBatI und VBatE werden elektronisch geschaltet.
SuperSoco CUx '19-'21 (36Wh/km in 2000 km), Piaggio Medley 125 '20-'22 (26,6 ml/km in 5000 km). Seat Mó: Bild
Benutzeravatar
error
Beiträge: 2330
Registriert: Di 20. Dez 2022, 19:37
PLZ: #
Kontaktdaten:

Re: VOTOL-Motorcontroller und -Schütz

Beitrag von error »

Von der Komplexität her hat Silence jedenfalls ohne Zweifel alle Preise abgeräumt. Ähnliche Eindrücke habe ich eigentlich nur bei meiner Vectrix. Frei nach dem Motto: vergiss am besten alles, was du bisher gesehen und gelernt hast. :lol:

Was ich eigentlich sagen wollte: ich würde leider mein "Relais" nicht opfern und reinsehen. Das Teil ist wie alles von Votol verklebt. Wir müssen das anders klären. :ugeek:
Benutzeravatar
Pfriemler
Moderator
Beiträge: 2846
Registriert: Di 7. Mai 2019, 17:41
Roller: SEAT Mó125 (MJ2021 Votol)
PLZ: 14513
Wohnort: Südrandberlin
Tätigkeit: Tonkünstler
Kontaktdaten:

Re: VOTOL-Motorcontroller und -Schütz

Beitrag von Pfriemler »

Vielleicht hat es eine Serienänderung gegeben, von der wir bis jetzt nichts wussten?
Ich habe gerade nochmals genau hören können, dass das zweite Klacken hörbar aus Richtung Motorachse kommt, da wo das Relais in der Schwinge sitzt. Punkt.
Roller Bj 10/21, EZ 2/22

Aber so oder so: für den hier beschriebenen Fehler sollte das eigentlich nicht relevant sein. Der Schwingenschütz schaltet sofort, also nicht erst bei Fahrbereitschaft. Aussetzer da sollten viele andere Probleme erzeugen, aber nicht den schlichten Verlust der Fahrbereitschaft.
SuperSoco CUx '19-'21 (36Wh/km in 2000 km), Piaggio Medley 125 '20-'22 (26,6 ml/km in 5000 km). Seat Mó: Bild
Benutzeravatar
error
Beiträge: 2330
Registriert: Di 20. Dez 2022, 19:37
PLZ: #
Kontaktdaten:

Re: VOTOL-Motorcontroller und -Schütz

Beitrag von error »

Pfriemler hat geschrieben: Fr 22. Mär 2024, 13:11 Vielleicht hat es eine Serienänderung gegeben, von der wir bis jetzt nichts wussten?
Ich habe gerade nochmals genau hören können, dass das zweite Klacken hörbar aus Richtung Motorachse kommt, da wo das Relais in der Schwinge sitzt.
Was allerdings gegen ein mechanisches Relais spricht ist die Anzahl der Steuerleitungen bzw. der mehrpolige Stecker. Ein mechanisches Relais hat ja nur zwei Steuerleitungen.
IMG_0752.JPG
IMG_0751.JPG
Benutzeravatar
Pfriemler
Moderator
Beiträge: 2846
Registriert: Di 7. Mai 2019, 17:41
Roller: SEAT Mó125 (MJ2021 Votol)
PLZ: 14513
Wohnort: Südrandberlin
Tätigkeit: Tonkünstler
Kontaktdaten:

Re: VOTOL-Motorcontroller und -Schütz

Beitrag von Pfriemler »

Das Ding hat sogar eine Silence-Nummer: S00-83045-00 (https://www.urban-ecomobility.com/en/sh ... 3518#attr=) und ist explizit ein Zubehörteil für den VOTOL-Controller. Zum vierpoligen Connector siehe viewtopic.php?p=192404#p192404 und Folgebeiträge.
Nur wenn es wirklich ein SSR ist: Was klackt denn da sonst in der Schwinge?
SuperSoco CUx '19-'21 (36Wh/km in 2000 km), Piaggio Medley 125 '20-'22 (26,6 ml/km in 5000 km). Seat Mó: Bild
Benutzeravatar
MEroller
Moderator
Beiträge: 19849
Registriert: Mo 1. Nov 2010, 22:37
Roller: Zero S 11kW ZF10.5/erider Thunder (R.I.P)
PLZ: 7
Tätigkeit: Entwickler (Traktionsbatterie)
Kontaktdaten:

Re: VOTOL-Motorcontroller und -Schütz

Beitrag von MEroller »

Bei 48...60V ist ein Solid-State-Relais absolut statthaft, bei Spannungen über 60V DC muss eine galvanische Trennung möglich sein, sprich es braucht zwingend einen mechanischen Schalter als Relais (ein Kontakt) oder Schütz (Doppelkontakt).
Auch letztere gibt es mit vier Anschlüssen, zwei für die Spule, plus zwei für die Spiegelkontakte. Diese kann das BMS oder der Controller mit einem kleinen Strom beaufschlagen, und somit erkennen, ob der Schütz tatsächlich geschlossen oder geöffnet hat. Wie das bei einem Solid State Relais dann verschaltet wäre, übersteigt aber mein derzeitiges Wissen, da ich bislang aufgrund höherer Spannungslage grundsätzlich nur Schütze einsetze :D Und einen Schütz in dieser Bauform kenne ich nicht.
Zero S 11kWZF10.5
e-rider Thunder 5000: Ruht in Frieden
Benutzeravatar
error
Beiträge: 2330
Registriert: Di 20. Dez 2022, 19:37
PLZ: #
Kontaktdaten:

Re: VOTOL-Motorcontroller und -Schütz

Beitrag von error »

Pfriemler hat geschrieben: Fr 22. Mär 2024, 17:40
Nur wenn es wirklich ein SSR ist: Was klackt denn da sonst in der Schwinge?
MEroller hat geschrieben: Fr 22. Mär 2024, 18:07
Und einen Schütz in dieser Bauform kenne ich nicht.
Frei nach Doulas Adams:

If it looks like a duck, and quacks like a duck, we have at least to consider the possibility that we have a small aquatic bird of the family Anatidae on our hands.

Ich habe gerade mal nachgelesen, was damals "vor meiner Zeit" im Forum besprochen wurde und ich hatte anscheinend ähnliche Gedanken zum Schütz/SSR.

Edit: Ah, jetzt ja, eine Insel!

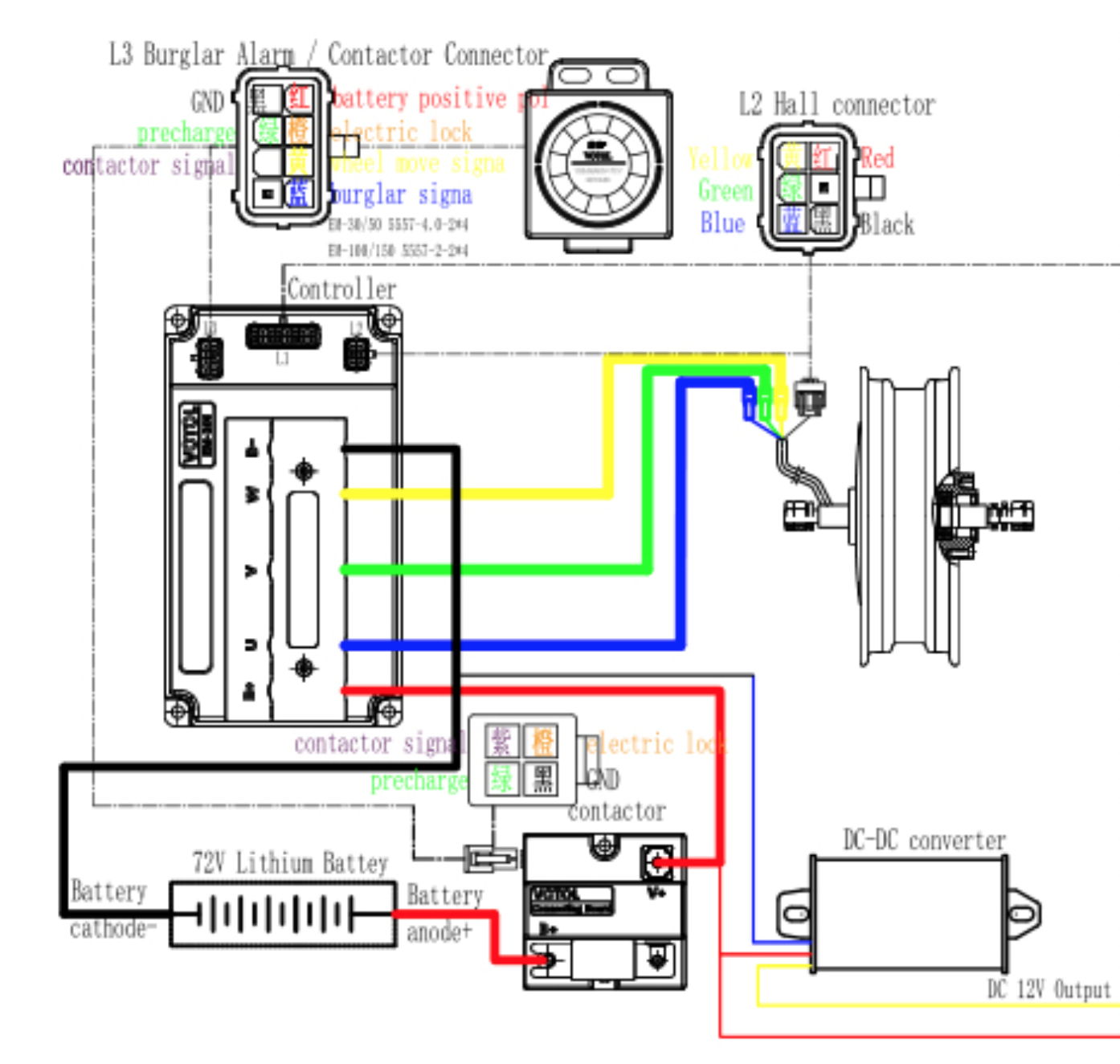
Gerade bei Votol gefunden:

Bildschirmfoto 2024-03-22 um 21.25.22.png
Werde langsam Saft drauf geben. Mal sehen ob es klackt. :D

Edit2: Baaah, nach der Schaltung wird über das Zündschloss VBat geschaltet? 72Volt? Traue mich nicht :oops:
Antworten

Zurück zu „Silence / SEAT“

Wer ist online?

Mitglieder in diesem Forum: 0 Mitglieder und 10 Gäste