VOTOL-Motorcontroller und -Schütz

S01, S02, S03, Mó
patba
Beiträge: 1101
Registriert: Do 28. Nov 2019, 09:04
Roller: Silence S01
PLZ: 93***
Kontaktdaten:

Re: VOTOL-Motorcontroller und -Schütz

Beitrag von patba »

error hat geschrieben: Fr 22. Mär 2024, 20:21 Edit2: Baaah, nach der Schaltung wird über das Zündschloss VBat geschaltet? 72Volt? Traue mich nicht :oops:
? Die 72V sind doch die zu schaltende Spannung. Die Steuerspannung kommt vom Controller, keine Ahnung, wie hoch die dann ist.
Der 4-pol. Steckverbinder ist gemäß dem eben geposteten Schaltbild beschriftet mit
GND -> klar
electric lock -> ? vermutlich ein weiteres e-lock-Signal, die den Controller scharf schaltet? Das wäre dann in etwa der Aux-Kontakt, den MEroller gerade erwähnt hat?
precharge -> siehe Vermutung vom @MEroller hier: viewtopic.php?p=192404#p192404
contactor signal -> vermutlich die Steuerspannung.
Benutzeravatar
error
Beiträge: 2330
Registriert: Di 20. Dez 2022, 19:37
PLZ: #
Kontaktdaten:

Re: VOTOL-Motorcontroller und -Schütz

Beitrag von error »

Hm, die Steuerspannung kann nicht vom Controller kommen, der soll ja eingeschaltet werden?

Die entsprechenden Signalspannungen kommen vom Alarm Modul. Das läuft mit VBat. Genau wie Hin und Rück vom Zündschloss. Sonst müssten 2 Kabel vom Zündschloss kommen?

Wie es dann weiter geht, bekomme ich nicht so ganz zusammen. Contactor Signal klingt nach "Signal vom Contactor".

Precharge kann man wohl erst mal ignorieren, muss auch ohne gehen.

Dann bleiben noch zwei Anschlüsse.

Jemand anderer Meinung?
Benutzeravatar
MEroller
Moderator
Beiträge: 19849
Registriert: Mo 1. Nov 2010, 22:37
Roller: Zero S 11kW ZF10.5/erider Thunder (R.I.P)
PLZ: 7
Tätigkeit: Entwickler (Traktionsbatterie)
Kontaktdaten:

Re: VOTOL-Motorcontroller und -Schütz

Beitrag von MEroller »

Precharge legt nahe, dass in dem Teil ggf. ein mechanisches Vorladerelais auch verbaut ist, welches den Hauptschalter über einen Widerstand überbrückt, um die Eingangskondensatoren des Controller auf nahezu Batteriespannung vorzuladen. Das würde dann "klack" machen beim Ein- und ausschalten, unabhängig vom Schütz. Aber Vorgeladen könnte auch über ein MOSFET werden, das dann geräuschlos wäre, und nur der Schütz macht "klack".
Ansonsten ist die Batteriespannung bei Silence seit jeher nur um die 48V, nix 72V. Dass ein Votol auch mit 72V funktioniert ist klar. Im Silence aber nicht, die haben Angst vor Batteriespannungen über 60V, und füttern den armen Votol dafür mit bis zu 400A, was gemäß I² x R zu erheblichen Wärmeverlusten führt. Aber das führt dann zurück auf die ursprüngliche Diskussion um Sinn und Unsinn eines 48V Systems in so einem recht potenten L3e-A1 E-Roller...
Zero S 11kWZF10.5
e-rider Thunder 5000: Ruht in Frieden
patba
Beiträge: 1101
Registriert: Do 28. Nov 2019, 09:04
Roller: Silence S01
PLZ: 93***
Kontaktdaten:

Re: VOTOL-Motorcontroller und -Schütz

Beitrag von patba »

error hat geschrieben: Fr 22. Mär 2024, 22:52 Hm, die Steuerspannung kann nicht vom Controller kommen, der soll ja eingeschaltet werden?

Die entsprechenden Signalspannungen kommen vom Alarm Modul. Das läuft mit VBat. Genau wie Hin und Rück vom Zündschloss. Sonst müssten 2 Kabel vom Zündschloss kommen?
[...]
Jemand anderer Meinung?
Ich sehe es so:
Die 4 PINs vom Schütz gehen 1:1 an den 8-poligen Stecker oben im Schaltplan, Dieser 8-pol Stecker hat aber zusätzlich einen PIN "battery positive pole". Da dürfte Dauerplus anliegen. Bzw. beim Silence das Plus, wenn das BMS durchgeschaltet hat. Das Zündschloss geht beimn Silence laut Schaltplan ja ausschließlich ans BMS.
Zudem hast Du in dem Votol-Verkabelungsplan den rechten Teil weggeschnitten. Das Original gibt es hier:
http://votol.net/upload/image/20190330/ ... _58532.jpg
Rechts gibt es nochmal einen "e-lock switch".
Laut diesem manual
http://www.siaecosys.com/upfile/202402/ ... 619245.pdf
Seite 4
gehört da dran das Zündschloss. Zumindest bei der "traditionellen" Beschaltung.
EDIT: Hm, passt aber auch wieder nicht, denn nach dem Schaltplan führt diese Leitung im "Aus"-Zustand noch keinen Strom... Evtl. ein Fehler im Schaltplan? An anderen Stellen liest man, der E-lock gehört an B+, nicht V+. Das würde dann passen.
Beim Silence dürfte dies und auch der oben genannte PIN "battery positive pole" vom BMS über "Vbat I" versorgt werden. Siehe Silence-Schaltplan:
viewtopic.php?f=128&t=31761

Wobei der hier bei uns verbaute Votol 150/2 aber nochmal eine andere Verkabelung hat, der hat nämlich nur einen einzelnen, 3-reihigen Anschluss.

Patrick
Benutzeravatar
error
Beiträge: 2330
Registriert: Di 20. Dez 2022, 19:37
PLZ: #
Kontaktdaten:

Re: VOTOL-Motorcontroller und -Schütz

Beitrag von error »

Hei Patrick, ich hasse solche rudimentären Schaltpläne, bei denen man sich das meiste selbst zusammenreimen muss.

In dem Votol-Plan ist nicht mal klar ob wir am Schütz/SSR den Stecker oder die Buchse abgebildet haben.

Das was ich an dieser Blackbox messe macht irgendwie keinen Sinn. Ich messe jedenfalls keine Spule, nur recht hochohmige Verbindungen zwischen den Pins und zwischen zweien eine Diode.

Wenn da irgendein mechanisches Schütz drin sitzt, dann hinter einer Schaltung und nicht 1:1 über die Pins zugänglich.

Über B+ und V+ messe ich OL, was eher für ein mechanisches Schütz sprechen würde.

Kurz: ich komme nicht weiter, da sind zu viele Unbekannte im Spiel.
Benutzeravatar
Pfriemler
Moderator
Beiträge: 2846
Registriert: Di 7. Mai 2019, 17:41
Roller: SEAT Mó125 (MJ2021 Votol)
PLZ: 14513
Wohnort: Südrandberlin
Tätigkeit: Tonkünstler
Kontaktdaten:

Re: VOTOL-Motorcontroller und -Schütz

Beitrag von Pfriemler »

Ich habe mal die Relais/SSR-Diskussion vom Erschütterungsthema abgeklemmt, jetzt sind wir hier nicht mehr offtopic.
SuperSoco CUx '19-'21 (36Wh/km in 2000 km), Piaggio Medley 125 '20-'22 (26,6 ml/km in 5000 km). Seat Mó: Bild
Gerold
Beiträge: 599
Registriert: Fr 7. Feb 2020, 10:23
Roller: Silence S01
PLZ: 55*
Kontaktdaten:

Re: VOTOL-Motorcontroller und -Schütz

Beitrag von Gerold »

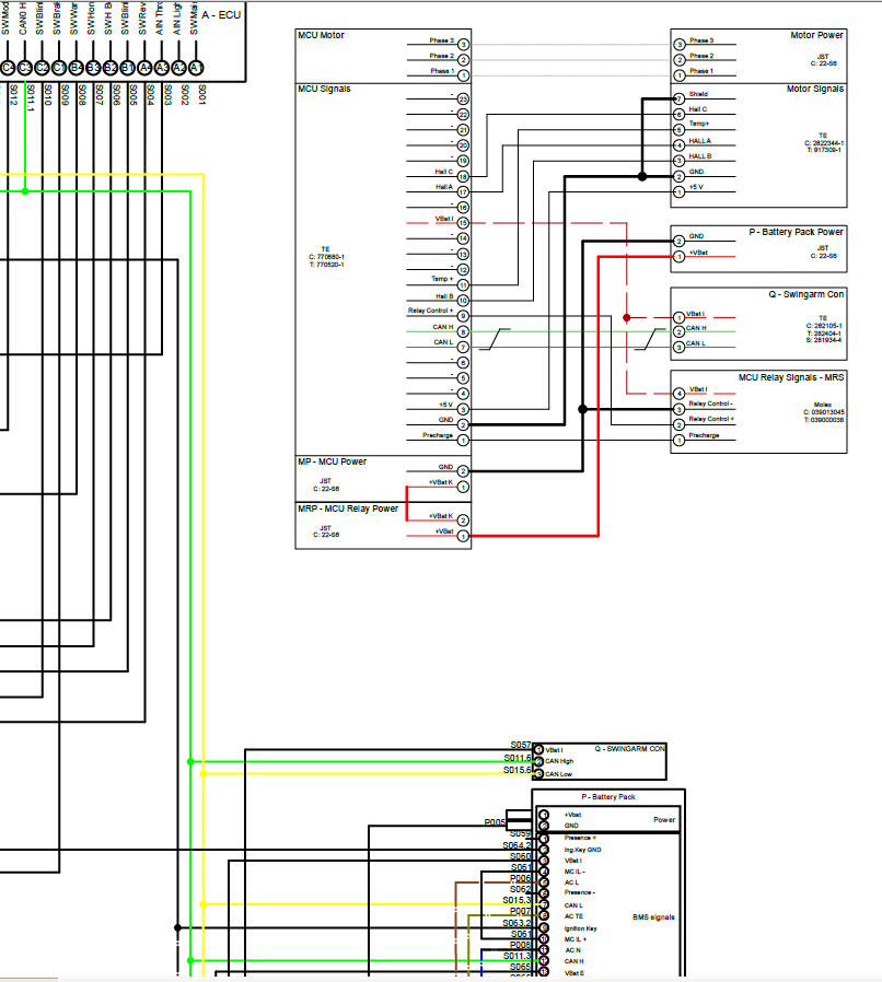
Hier ein Auszug aus einem Schaltplan für einen Silence mit Votol-Controller:
Bildschirmfoto vom 2024-03-23 09-26-35.png
Benutzeravatar
Pfriemler
Moderator
Beiträge: 2846
Registriert: Di 7. Mai 2019, 17:41
Roller: SEAT Mó125 (MJ2021 Votol)
PLZ: 14513
Wohnort: Südrandberlin
Tätigkeit: Tonkünstler
Kontaktdaten:

Re: VOTOL-Motorcontroller und -Schütz

Beitrag von Pfriemler »

Auf dem Plan fehlt die Kommunikation zwischen dem "Votol Connecting Board und dem eigentlichen Motorcontroller "MC". nein, ist da.
Das Votol Connecting Board nenne ich kurz nachfolgend "CB", im Plan heißt es "MCU Relay".

Ich habe da mal ein Kartenhaus gebaut, hoffe es fällt nicht gleich wieder zusammen...
Also aus der "KPLUS OFF"-Sache wissen wir ja, dass der Votol offensichtlich nicht muckt, auch wenn VBatI vom Akku Strom liefert, anderenfalls müsste er sich über den CAN melden oder noch besser Motor- und Invertertemperatur liefern, aber das tut er eben nicht.
Ich vermute jetzt also:
VBatI (entspricht einem "Zündungsplus" in der Votol-Welt wird zwar an den Votol-MC gelegt, dort aber (möglicherweise) nur an die CB weitergeleitet (aus Verkabelungsgründen vielleicht). Die CB hat einen PreCharger-Ausgang und eine "contactor signal" genannte Leitung, von der ich vermute, dass es eine Signalleitung zur Aktivierung des Schützes ist. Denkbar ist auch eine biliterale Verbindung: die CB liefert einen Pegel, den der MC auf GND ziehen kann.
"electric lock" ist vielleicht auch einfach nur die Bezeichnung für das Signal, was den Roller ein- und ausschalten soll?
Oder ist es vielleicht ein Befehl zum aktiven Blockieren des Rades infolge Alarm?

Die CB ist ja gleichzeitig ein Sicherungshalter. Ich vermute, dass vom Hochstromanschluss kommend eine interne Schaltung der CB vom Anschluss hinter der Sicherung und vor dem Leistungsschalter versorgt wird - der Anschluss hat keine Bezeichnung auf der CB, ich nenne ihn mal fB+ (fused B+).
Das dortige "Zündungsplus" ist nur Voraussetzung für den Ein-Zustand der CB.
Beim Einschalten passiert nach meinem Kartenhaus folgendes:
1. Die CB bekommt VBatI. Daraufhin beginnt sie, von fB+ versorgt über PreCharger den MC mit Strom zu versorgen, der daraufhin aufwacht und zu arbeiten beginnt. (Das funktioniert nicht, wenn der Hochstrom wie bei KPLUS OFF nicht liefert)
2. Ist genügend Energieaufbau im MC erfolgt, signalisiert er über "contactor signal", dass sie jetzt den vollen Saft zuschalten darf. Das dauert die knappe Sekunde Verzögerung, die wir hören. Bei jedem internen Fehlerzustand wäre der MC in der Lage, die Versorgung von sich aus über dieses Signal zu unterbrechen oder zu verhindern.
Denkbar ist aber auch, dass die interne Versorgung des MC nur über B+ erfolgt und PreCharge wirklich nur zum Vorladen der Kondis dient. Dann müsste aber die Verzögerung durch CB selbst erfolgen.
In jedem Fall zieht die CB die für den Leistungsschalter nötige Energie aus fB+ und nicht aus der Zündungsleitung, sonst würde es ja auch klacken, wenn der Hochstrom wegen KPLUS OFF aus bleibt.
Aus den Abläufen vermute ich auch ganz stark, dass das Klacken NACH der precharge-Phase erfolgt und damit kein (Hilfs-)Kontakt zum Vorladen ist.

Wird das Fahrzeug über die Zündung abgeschaltet, wäre (normalerweise) folgendes möglich:
1. Zündung (hier VBatI) geht aus. CB unterbricht die Versorgung des MC Controller über "PreCharge", was dieser bemerkt, den Motor auf Leerlauf bringt und dann dem Schütz befiehlt abzuschalten. Es wäre sinnvoll, dass sich der Controller noch so lange über B+ selbst versorgt, bis alles "safe" ist.
2. Denkbar wäre auch, dass die CB nach einiger Zeit oder sogar sofort den Schütz abschaltet (Sicherhheitsfunktion), dann fehlt dem MC aber die Batterie als Gegenpol für eine sichere Lastabschaltung des mglw. in voller Fahrt befindlichen Motors.

Klappt bei Silence so nicht, weil der Hochstrom von der Batterie gekappt wird. Aber normalerweise muss der MC die Abschaltung des Energiezweigs übernehmen. Mit der genannten Funktionsteilung kann sich der ganze Kram in der nötigen Reihenfolge am Ende komplett schlafen legen und belastet die Fahrzeugbatterie dann überhaupt nicht mehr.

In jedem Fall ist es eine kluge Idee, den MC von den Funktionen der CB zu trennen. So kann ein fehlerträchtiges Bauteil mit Zerstörungspotential bei Bedarf leichter gewechselt weden als der gesamte MC. Dabei ist es von der Funktion her egal, ob die CB als mechanisches oder solid state Relais arbeitet, das kann z.B. abhängig von der Spannungsebene vom Hersteller des Fahrzeugs gewählt werden.

So, jetzt dürft Ihr pusten.

edit: ein paar Nachträge und Bezeichnungskorrekturen
SuperSoco CUx '19-'21 (36Wh/km in 2000 km), Piaggio Medley 125 '20-'22 (26,6 ml/km in 5000 km). Seat Mó: Bild
patba
Beiträge: 1101
Registriert: Do 28. Nov 2019, 09:04
Roller: Silence S01
PLZ: 93***
Kontaktdaten:

Re: VOTOL-Motorcontroller und -Schütz

Beitrag von patba »

Zunächst noch zum Stromlaufplan an sich:

OK, dann hatten wir gewissermaßen beide recht. Das Schütz bekommt die volle Akkuspannung ab, aber eben indirekt vom BMS über Vbat I. @Gerold, hast Du einen anologen Plan für die Sevcon-Varianten? In den Plänen, die hier im Forum kursieren, ist ja immer der Controller nicht gezeigt.
Beim Sevcon wird das Schütz nach bestem Wissen ja direkt vom Controller angesteuert, und hat 12V Spulenspannung.
https://aricun.com/wp-content/uploads/2 ... caled.jpeg

Ein erster Gedanke zu Pfriemlers Ausführungen:
1. Die CB bekommt VBatI. Daraufhin beginnt sie, von fB+ versorgt über PreCharger den MC mit Strom zu versorgen, der daraufhin aufwacht und zu arbeiten beginnt. (Das funktioniert nicht, wenn der Hochstrom wie bei KPLUS OFF nicht liefert)
Aber nach dem Plan von Gerold kommt VBatI über "Q - Swingarm con" rein und geht gleichzeitig an CB und MC. Der MC kann also zumindest grundsätzlich schon sofort aufwachen.
Wenn die PIn-Nummerierung einheitlich ist, ist das laut Gerolds Plan PIN 15, und PIN 15 in diesem Plan: http://www.siaecosys.com/upfile/202111/ ... 667301.pdf ist gerade wieder E-lock. Also der Zündungseingang des Votol.

Ich vermute aber wie Du, dass der Precharge-Strom direkt aus dem "dicken" Strompfad kommt, und deshalb bei KPLUS Off ausbleibt.
Das geht über PIN 1 in dem MC, nach obigen Plänen "Contactor Control Signal"

Die beiden "Relay Control"-PINs sind einmal GND und der andere im Votol-Plan "electromagnetic brake" (?)
Einen expliziten anderen PIN für den Schütz gibt es im Votol-Plan nicht. Ich traue den Beschriftungen im Votol-Plan nicht ganz, was die Begriffe angeht...

EDIT: nach dem hier:
https://endless-sphere.com/sphere/threa ... ers.95969/
schaltet das Anlegen von B+ an "E-lock" den MC an.

Patrick
Benutzeravatar
Pfriemler
Moderator
Beiträge: 2846
Registriert: Di 7. Mai 2019, 17:41
Roller: SEAT Mó125 (MJ2021 Votol)
PLZ: 14513
Wohnort: Südrandberlin
Tätigkeit: Tonkünstler
Kontaktdaten:

Re: VOTOL-Motorcontroller und -Schütz

Beitrag von Pfriemler »

Ah, Patrick, Du hast recht. Da rechts ist ja der andere Anschluss der CB! Jetzt ergibt alles mehr Sinn.
Relay+ und Relay+ sind nur sinnvoll bei einer Gleichspannungsansteuerung - einer reinen Spule ist es in der Regel egal, wierum sie bestromt wird.

auch edit: wenn die Bestromung von E-Lock aka VBatI allein den MC aufweckt, warum reagiert er dann nicht auf dem CAN? Oder setzt das wirklich nur die Logik in Gang, den precharge zu überwachen und das "contactor signal" zu geben, um dann über das vom CB geschaltete B+ den gesamten MC endlich aufzuwecken?
SuperSoco CUx '19-'21 (36Wh/km in 2000 km), Piaggio Medley 125 '20-'22 (26,6 ml/km in 5000 km). Seat Mó: Bild
Antworten

Zurück zu „Silence / SEAT“

Wer ist online?

Mitglieder in diesem Forum: Ahrefs [Bot], Amazon [Bot] und 7 Gäste