Alles guterror hat geschrieben: Do 20. Mär 2025, 20:14 Nicht dass du mich mit meinem Beitrag falsch verstehst, das war kein Vorwurf, sondern eine Einschätzung "der Lage". Ich respektiere durchaus was du sagst, und wenn du dich nicht wohl dabei fühlst, ist es vernünftiger die Pfoten davon zu lassen.
Ich warte nun morgen auf den Rückruf vom Seathändler, jedoch habe ich da keine große Hoffnung, dass die nur den Akku mal untersuchen auf Garantieleistung.
Gibt es denn in dem Forum vielleicht jemanden aus der Umgebung Hannover bis Bielefeld? Ich würde mir auch einen Motorrad-Anhänger mal ausleihen für ein paar schnelle Tests
Ich habe irgendwie dennoch das Gefühl, dass es am Akku selbst liegt, da er sich ja auch im ausgebauten Zustand anscheinend nicht laden lässt.
Ich habe in der App die Benachrichtigungs-History mal verfolgt. Die erste Meldung im August 2023 war auch, dass der Akku über einen Monat nicht geladen wurde. Die Reichweite im EcoModus lag immer nur bei ca. 80km. Im Sportmodus maximal 50km. Das kommt mir jedenfalls sehr wenig vor, war damit aber dennoch zufrieden da ich keine langen Strecken fahren wollte...
Da der Akku also auch vor zwei Jahren schonmal nicht regelmäßig geladen wurde, war die Garantie sowieso schon dahin.
Ich sehe zu, dass ich die Tage die Akkuspannung mal messen lasse. Falls es wie gesagt jemanden aus der Nähe gibt, gerne mal melden.
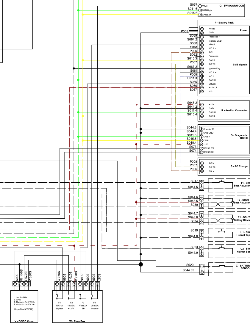
Wenn mir jemand ein günstiges OBD2-Gerät empfehlen kann, gerne auch melden
